电脑桌面
添加小米粒文库到电脑桌面
安装后可以在桌面快捷访问

现浇结构模板安装检验批质量验收记录

现浇结构模板安装检验批质量验收记录_第1页
1/36
现浇结构模板安装检验批质量验收记录_第2页
2/36
现浇结构模板安装检验批质量验收记录_第3页
3/36
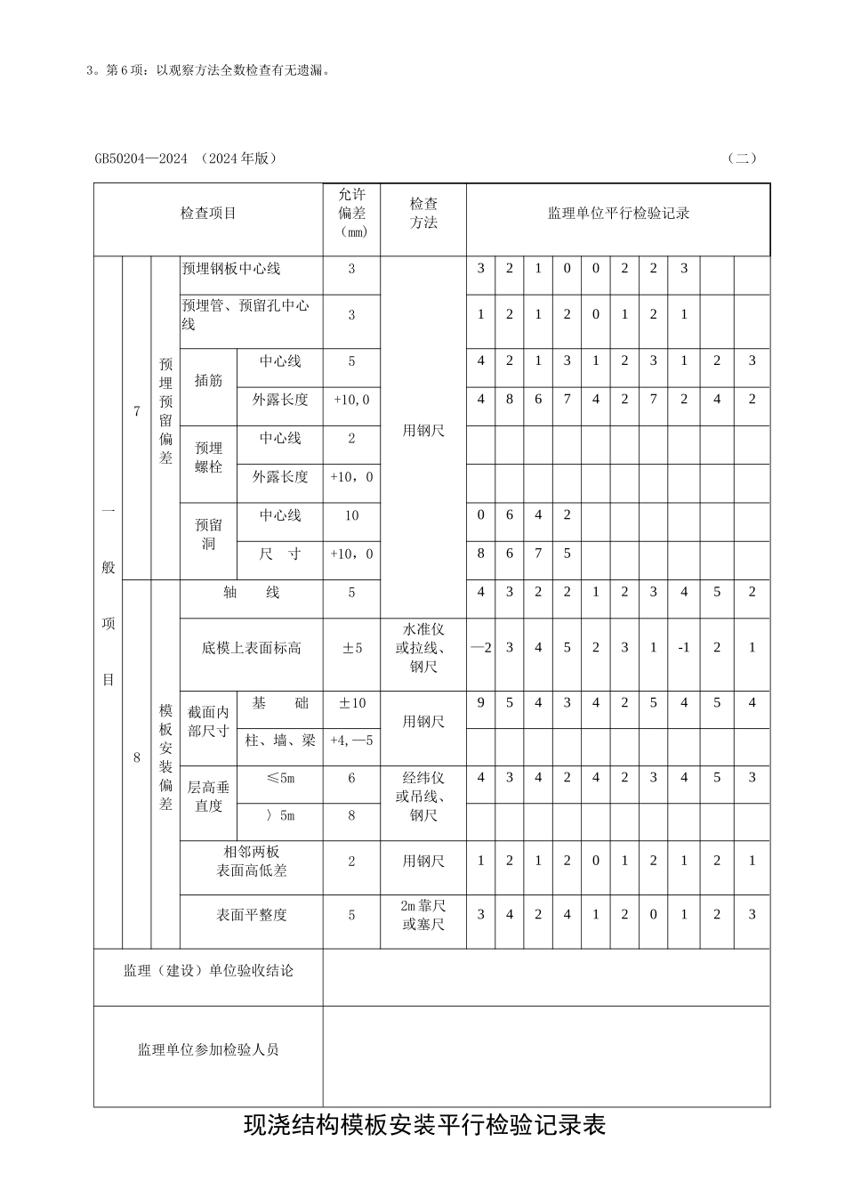
现浇结构模板安装平行检验记录表 GB50204—2024(2024 年版)(一) 单位(子单位)工程名称钦州市滨海新城白石湖 8 号地块拆迁安置房一期工程 8#楼 分部(子分部)工程名称地基与基础验收部位基础、承台梁 监理单位广西恒基建设工程咨询有限公司项目总监周宏进 检查项目质量验收法律规范的规定监理(建设)单位验收记录 主控项目1 模板和支架的安装下层模板能承受上层荷载,上、下层支架立柱对准,并设垫板 √ 2 隔离剂的涂刷不得沾污钢筋和砼接槎 一 般 项 目1 模板接缝、淋木模板、清杂物不应漏浆、湿润无积水、无杂物 √ 2 与砼的接触面清理洁净并涂刷隔离剂,隔离剂不得影响结构性能和装饰施工 3 清水砼、装饰工程模板能达到设计效果 / 4 用地坪作模板、胎模无下沉、不开裂、无起砂起鼓 / 5 梁、板模起拱高度(L≥4m)1‰~3‰或按设计要求 √ 6 预埋件、预留孔洞无遗漏、牢固 √ 注:本表所列项目的检查方法和检查数量: 1。主控项目、一般项目第 1~4 项:用观察方法,全数检查。 2.第 5 项:用水准仪或拉线,钢尺检查。在同一检验批内,对梁抽查 10%并不少于 3 件。对板抽查有代表性自然间的 10% 并不少于 3 间,如为大空间,可按纵、横轴线划分检查面,抽查 10%并不少于 3 面。 3。第 6 项:以观察方法全数检查有无遗漏。 现浇结构模板安装平行检验记录表 GB50204—2024 (2024 年版)(二) 检查项目允许偏差(mm)检查方法监理单位平行检验记录 一 般 项 目7预埋预留偏差预埋钢板中心线3用钢尺32100223 预埋管、预留孔中心线312120121 插筋中心线54213123123 外露长度+10,04867427242 预埋螺栓中心线2 外露长度+10,0 预留洞中心线100642 尺 寸+10,08675 8模板安装偏差轴 线54322123452 底模上表面标高±5水准仪或拉线、钢尺—2345231-121 截面内部尺寸基 础±10用钢尺9543425454 柱、墙、梁+4,—5 层高垂直度≤5m6经纬仪或吊线、钢尺4342423453 〉5m8 相邻两板表面高低差2用钢尺1212012121 表面平整度52m 靠尺或塞尺3424120123 监理(建设)单位验收结论 监理单位参加检验人员 GB50204—2024(2024 年版)(一) 单位(子单位)工程名称钦州市滨海新城白石湖 8 号地块拆迁安置房一期工程 8#楼 分部(子分部)工程名称主体结构验收部位一层柱 监理单位广西恒基建设工程咨询有限公司项目总监周宏进 检查项目质量验收法律规范的规定监理(建设)...

1、当您付费下载文档后,您只拥有了使用权限,并不意味着购买了版权,文档只能用于自身使用,不得用于其他商业用途(如 [转卖]进行直接盈利或[编辑后售卖]进行间接盈利)。
2、本站所有内容均由合作方或网友上传,本站不对文档的完整性、权威性及其观点立场正确性做任何保证或承诺!文档内容仅供研究参考,付费前请自行鉴别。
3、如文档内容存在违规,或者侵犯商业秘密、侵犯著作权等,请点击“违规举报”。

碎片内容

现浇结构模板安装检验批质量验收记录

确认删除?
VIP
微信客服
  • 扫码咨询
会员Q群
  • 会员专属群点击这里加入QQ群
客服邮箱
回到顶部