电脑桌面
添加小米粒文库到电脑桌面
安装后可以在桌面快捷访问

球磨机安全维护检修规程

球磨机安全维护检修规程_第1页
1/7
球磨机安全维护检修规程_第2页
2/7
球磨机安全维护检修规程_第3页
3/7
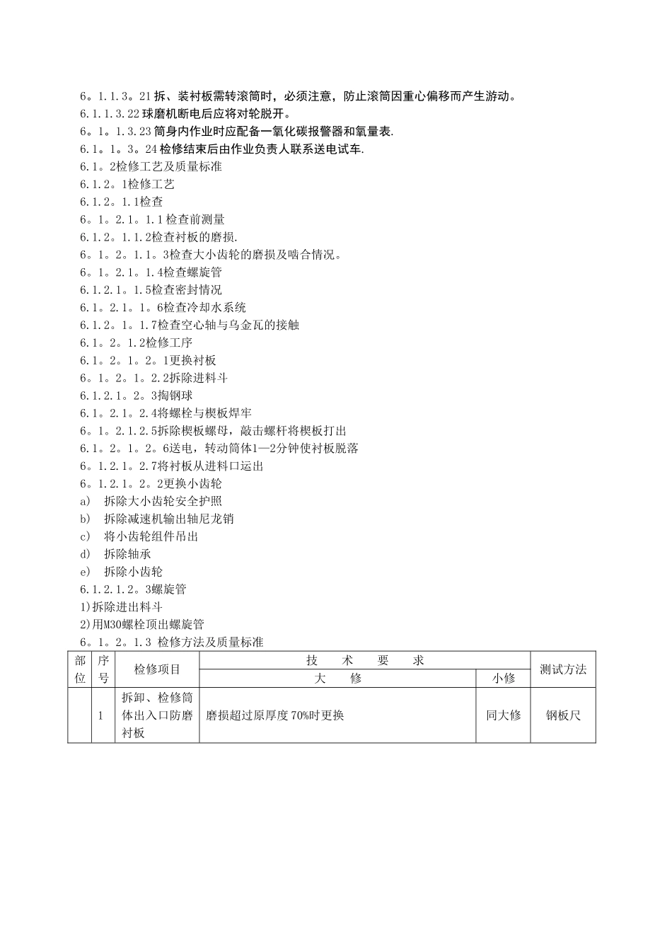
球磨机安全维护检修规程1 主题内容与适用范围本标准规定了DTM290/350型钢球磨煤机的检修周期和检修内容、检修方法与质量标准,试车与验收。本标准适用于动力公司维修工岗位。2 设备法律规范2。1 ********炉球磨机型号:DTM290/350制造厂:1#-4#、6#南宁重型机械厂,5#沈阳重型机械厂数量:每炉一台装球量: 26 吨出力: 12 吨 T/H 转速 : 20r/min 轴承润滑方式: 稀油站轴承冷却方式: 水冷3 设备结构及工作原理 设备结构:由进出料斗、转动部、主轴承、传动减速机等组成 工作原理:转动不内装有一定量的研磨介质—-钢球,当转动时钢球在离心力和摩擦力作用下被转动的筒体提升到一定高度后,由于自身重力的作用而下落,进入筒体的煤在下落钢球的冲击和研磨作用下形成煤粉。4 检修周期检修类别小修大修检修周期(月)6365 检修项目5.1大修项目5.1.1 选钢球5。1。2 检修油泵、油管路及阀门、减速机接合面堵塞、渗油现象。5。1。3 更换冷却水系统中腐蚀严重的管道和内漏的阀门。5.1.4 检修球磨机本体、出入口法兰接口漏粉、漏风现象。5.1.5 更换衬板螺栓等易损件。5.1。6 更换部分损坏的衬板、压紧楔、拧紧楔。5.1。7 更换防爆门白铁皮。5.1.8 更换出入口短管防磨衬板.5。1.9 更换滤网。5。1。10 检查大小齿轮的啮合情况以及密封罩是否完整。5。1。11 更换衬板。5。1.12 更换螺旋管及大、小齿轮.5。1.13 油系统检修。5。1。14 设备防腐刷漆。5.2 小修项目5.2。1 选钢球5。2。2 检修油泵、油管路及阀门、减速机接合面堵塞、渗油现象。5.2。3 更换冷却水系统中腐蚀严重的管道和内漏的阀门。5.2。4 检修球磨机本体、出入口法兰接口漏粉、漏风现象.5.2。5 更换衬板螺栓等易损件。5.2.6 更换部分损坏的衬板、压紧楔、拧紧楔.5。2.7 更换防爆门白铁皮。5.2。8 更换出入口短管防磨衬板。5。2。9 更换滤网。5.2。10 检查大小齿轮的啮合情况以及密封罩是否完整。6 检修工序工艺和质量标准6。1 易损件名称:衬板、小齿轮、进出料斗、螺旋管等6.1。1检修前准备工作6。1。1。1使用工器具活扳手、敲击扳手、手锤、大锤、百分表、塞尺、拉玛、起重设备6.1。1.2作业条件6。1。1。2.1检修前由作业负责人负责与岗位工、电工联系停车、停电,引、送、排、磨、给煤机、热风门需断电,并在启动按钮上挂设备检修禁止操作牌。6.1.1。2。2 检修时必须办理检修任务单,并落实安全措施和安全负责人。6.1.1.2.3严格动火审批手续...

1、当您付费下载文档后,您只拥有了使用权限,并不意味着购买了版权,文档只能用于自身使用,不得用于其他商业用途(如 [转卖]进行直接盈利或[编辑后售卖]进行间接盈利)。
2、本站所有内容均由合作方或网友上传,本站不对文档的完整性、权威性及其观点立场正确性做任何保证或承诺!文档内容仅供研究参考,付费前请自行鉴别。
3、如文档内容存在违规,或者侵犯商业秘密、侵犯著作权等,请点击“违规举报”。

碎片内容

球磨机安全维护检修规程

一二三四传媒+ 关注
实名认证
内容提供者

大量资料供您选择,没有合适的可以联系小二。

确认删除?
VIP
微信客服
  • 扫码咨询
会员Q群
  • 会员专属群点击这里加入QQ群
客服邮箱
回到顶部