电脑桌面
添加小米粒文库到电脑桌面
安装后可以在桌面快捷访问

生产工艺流程图

生产工艺流程图_第1页
1/3
生产工艺流程图_第2页
2/3
生产工艺流程图_第3页
3/3
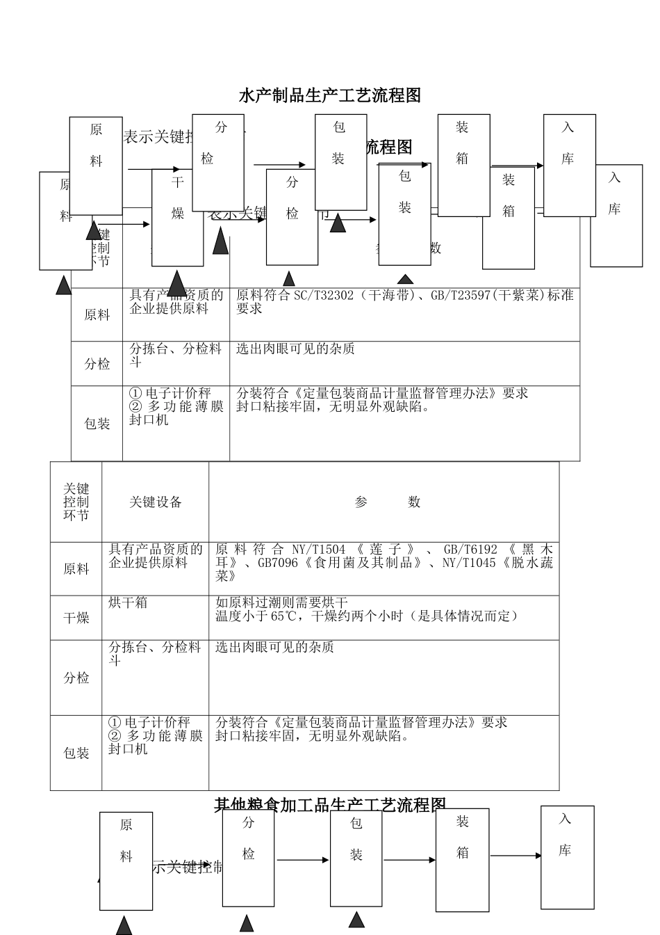
水产制品生产工艺流程图 蔬菜制品生产工艺流程图其他粮食加工品生产工艺流程图关键控制环节关键设备参 数原料具有产品资质的企业提供原料原料符合 SC/T32302(干海带)、GB/T23597(干紫菜)标准要求分检分拣台、分检料斗选出肉眼可见的杂质包装① 电子计价秤② 多 功 能 薄 膜封口机分装符合《定量包装商品计量监督管理办法》要求封口粘接牢固,无明显外观缺陷。关键控制环节关键设备参 数原料具有产品资质的企业提供原料原 料 符 合 NY/T1504 《 莲 子 》 、 GB/T6192 《 黑 木耳》、GB7096《食用菌及其制品》、NY/T1045《脱水蔬菜》干燥烘干箱如原料过潮则需要烘干温度小于 65℃,干燥约两个小时(是具体情况而定)分检分拣台、分检料斗选出肉眼可见的杂质包装① 电子计价秤② 多 功 能 薄 膜封口机分装符合《定量包装商品计量监督管理办法》要求封口粘接牢固,无明显外观缺陷。表示关键控制环节表示关键控制环节表示关键控制环节原料干燥分检包装装箱 入 库原料 分检 包 装 装 箱 入 库原料分检 包装装箱 入 库水果制品生产工艺流程图炒货食品及坚果制品生产工艺流程图关键控制环节关键设备参 数原料具有产品资质的企业提供原料原料符合 GB/T11766(小米)、GB/T22496(玉米糁)、GB/T10463(玉米粉)、NY/T894(荞麦面)、GB/T13360(莜麦粉)、GB2715(粮食)、GB/T13359(裸燕麦)、LS/T3215《高粱米》标准要求分检分拣台、分检料斗选出肉眼可见的杂质包装① 电子计价秤② 多 功 能 薄 膜封口机分装符合《定量包装商品计量监督管理办法》要求封口粘接牢固,无明显外观缺陷。关键控制环节关键设备参 数原料具有产品资质的企业提供原料原料符合 GB/T5835(干制红枣)、NY/T705(葡萄干)、QB2076(水果蔬菜脆片)标准要求分检分拣台、分检料斗选出肉眼可见的杂质,坏果、虫蛀果等包装① 电子计价秤② 多 功 能 薄 膜封口机分装符合《定量包装商品计量监督管理办法》要求封口粘接牢固,无明显外观缺陷。表示关键控制环节表示关键控制环节原料分检 装 箱 入 库 包 装 原料 包 装 装 箱 入 库分检 关键控制环节关键设备参 数原料具有产品资质的企业提供原料原料符合 GB/T22165(坚果炒货食品通则)标准要求分检分拣台、分检料斗选出肉眼可见的杂质,空壳等包装① 电子计价秤② 多 功 能 薄 膜封口机分装符合《定量包装商品计量监督管理办法》要求封口粘接牢固,无明显外观缺陷.

1、当您付费下载文档后,您只拥有了使用权限,并不意味着购买了版权,文档只能用于自身使用,不得用于其他商业用途(如 [转卖]进行直接盈利或[编辑后售卖]进行间接盈利)。
2、本站所有内容均由合作方或网友上传,本站不对文档的完整性、权威性及其观点立场正确性做任何保证或承诺!文档内容仅供研究参考,付费前请自行鉴别。
3、如文档内容存在违规,或者侵犯商业秘密、侵犯著作权等,请点击“违规举报”。

碎片内容

生产工艺流程图

您可能关注的文档

确认删除?
VIP
微信客服
  • 扫码咨询
会员Q群
  • 会员专属群点击这里加入QQ群
客服邮箱
回到顶部