电脑桌面
添加小米粒文库到电脑桌面
安装后可以在桌面快捷访问

生产工艺设计流程

生产工艺设计流程_第1页
1/2
生产工艺设计流程_第2页
2/2
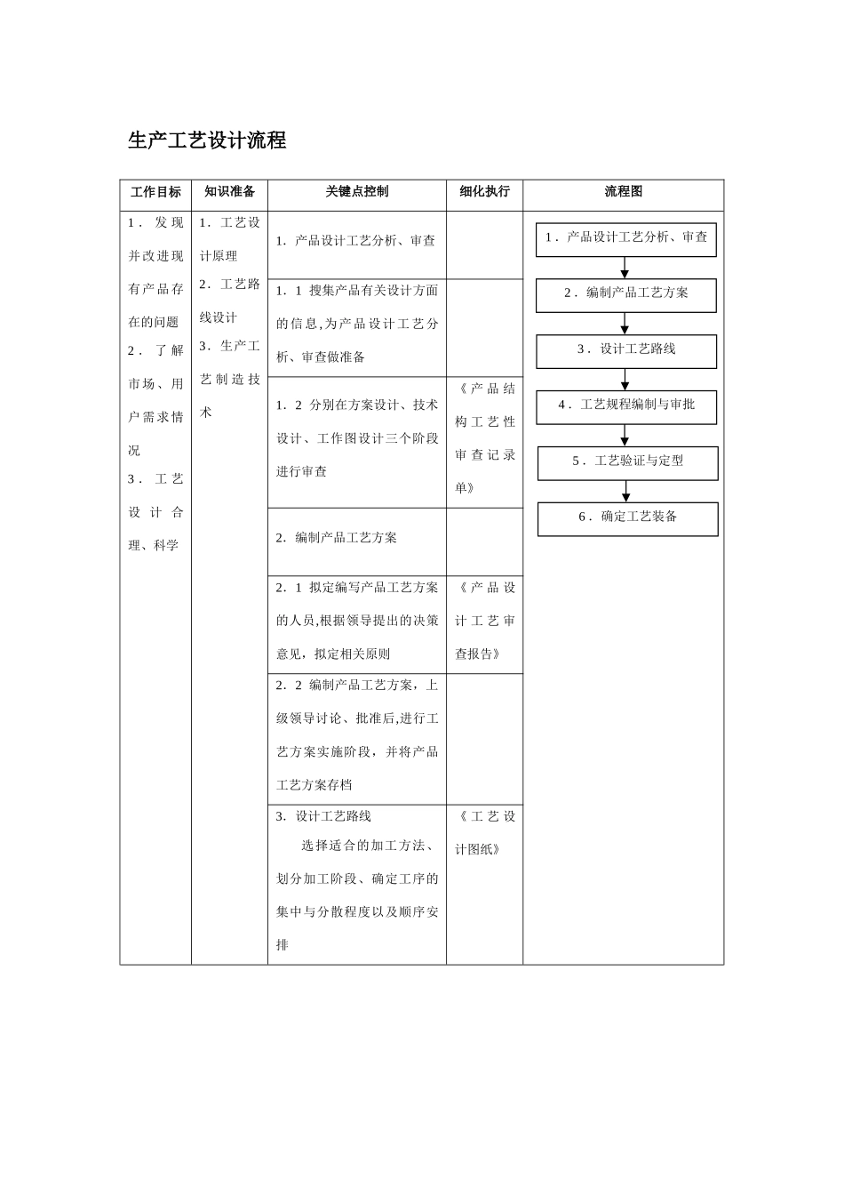
生产工艺设计流程工作目标知识准备关键点控制细化执行流程图1 . 发 现并改进现有产品存在的问题2 . 了 解市场、用户需求情况3 . 工 艺设 计 合理、科学1.工艺设计原理2.工艺路线设计3.生产工艺 制 造 技术1.产品设计工艺分析、审查1.1 搜集产品有关设计方面的信息,为产品设计工艺分析、审查做准备1.2 分别在方案设计、技术设计、工作图设计三个阶段进行审查《 产 品 结构 工 艺 性审 查 记 录单》2.编制产品工艺方案2.1 拟定编写产品工艺方案的人员,根据领导提出的决策意见,拟定相关原则《 产 品 设计 工 艺 审查报告》2.2 编制产品工艺方案,上级领导讨论、批准后,进行工艺方案实施阶段,并将产品工艺方案存档3.设计工艺路线选择适合的加工方法、划分加工阶段、确定工序的集中与分散程度以及顺序安排《 工 艺 设计图纸》1 .产品设计工艺分析、审查2 .编制产品工艺方案3 .设计工艺路线4 .工艺规程编制与审批5 .工艺验证与定型6 .确定工艺装备4.工艺规程编制与审批各种工艺规程的编写,并上报上级主管进行审批,审批通过后会签确认《 工 艺 规程》5.工艺验证与定型5.1 制定工艺验证计划,准备、验证以及验证结论一系列 工 作 , 并 对 验 证 后 的 合格、不合格进行标准界定《 工 艺 验证标准》5.2 根据工艺定型标准,对工艺定型的产品进行审批6.确定工艺装备以上工作全部完成后,进行与产品相关的工艺装备设计工作

1、当您付费下载文档后,您只拥有了使用权限,并不意味着购买了版权,文档只能用于自身使用,不得用于其他商业用途(如 [转卖]进行直接盈利或[编辑后售卖]进行间接盈利)。
2、本站所有内容均由合作方或网友上传,本站不对文档的完整性、权威性及其观点立场正确性做任何保证或承诺!文档内容仅供研究参考,付费前请自行鉴别。
3、如文档内容存在违规,或者侵犯商业秘密、侵犯著作权等,请点击“违规举报”。

碎片内容

生产工艺设计流程

您可能关注的文档

确认删除?
VIP
微信客服
  • 扫码咨询
会员Q群
  • 会员专属群点击这里加入QQ群
客服邮箱
回到顶部