电脑桌面
添加小米粒文库到电脑桌面
安装后可以在桌面快捷访问

生产计划作业流程

生产计划作业流程_第1页
1/4
生产计划作业流程_第2页
2/4
生产计划作业流程_第3页
3/4
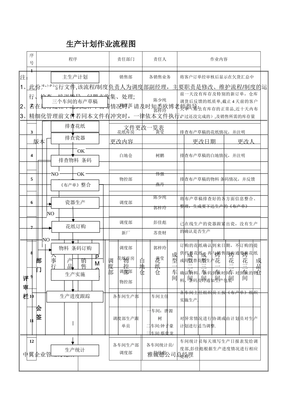
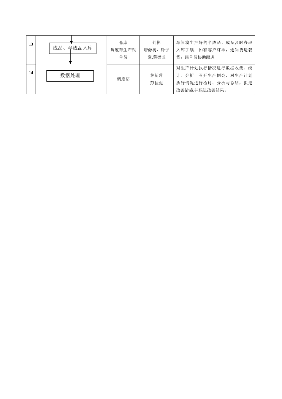
生产计划作业流程图序号程序责任部门责任人作业内容1销售部各销售业务将客户订单经审核后显示在欠货汇总中2调度部陈少纯郭梓玲前一天没有库存及特别的新订单,仓库调货后反馈的纸质单,截止 4 天前的客户欠单(除去有库存的正常品,近十天内布产过还没完成的),及销售所需的库存量3花纸库房黄莹排查布产草稿的花纸情况,并注明4白地仓树鹏排查布产草稿的白地情况,并注明5物控部伟强 燕丹排查布产草稿的物料 条码情况,并反馈6调度部陈少纯郭梓玲将布产草稿排查好的各方面信息整合、整理,生成要下达生产的《布产单》7调度部新厂彭佳彪苏贵财已在线生产的瓷器跟紧出瓷,没有生产的确认是否生产8调度部花纸库房郭梓玲黄莹订购的花纸确认到来日期,不订购的提供代替花纸,再与销售部沟通要换花纸或用代替花纸生产9调度部物控部确认物料、条码到来时间,对到来的物料、条码及时通知生产包装10各车间生产部车间主任各车间主任组织员工按《布产单》组织实施生产.11调度部生产跟单员一车间:唐源树二车间:钟子豪三车间:蔡奕龙对异常情况进行协调或由计划员对生产计划进行适当调整.12各车间生产部调度部各车间统计员/彭佳彪车间统计员每天填写生产日报表发给调度部,彭佳彪根据生产进度情况进行相应处理。注:1、此份为试运行文件,该流程/制度负责人为调度部副经理,主要职责是修改、维护流程/制度的运行、检查、培训指导、问题点收集、处理;2、若在运行过程中遇到运作不畅等情况时,请及时知悉欧博老师指导;3、精细化管理前文件若同本文件有冲突时,一律依本文件执行。文件更改一览表版本更改内容更改日期更改人评 审 栏部 门人事行政部产品部销售部PMC科调度部物控部白地仓花纸仓成型一车间成型二车间成型三车间烤花一车间烤花二车间烤花三车间成品仓会 签中翼企业管理讨论所雅诚德公司总经理OK排查花纸三个车间的布产草稿主生产计划排查瓷器OK排查物料 条码《布产单》整合瓷器生产花纸订购物料 条码订购生产实施生产进度跟踪生产统计OKNONONO13仓库调度部生产跟单员钊彬唐源树,钟子豪,蔡奕龙车间将生产好的半成品、成品及时办理入库手续,如有客户订单,通知货运载货;跟单员协助跟进14调度部林新萍彭佳彪对生产计划执行情况进行数据收集、统计、分析,召开生产例会,对生产计划执行情况进行检讨、分析与总结,拟定改善措施,并跟进改善结果。成品、半成品入库数据处理1.0 目的为了法律规范生产计划作业,确保生产计划有序、有效执行,产品得...

1、当您付费下载文档后,您只拥有了使用权限,并不意味着购买了版权,文档只能用于自身使用,不得用于其他商业用途(如 [转卖]进行直接盈利或[编辑后售卖]进行间接盈利)。
2、本站所有内容均由合作方或网友上传,本站不对文档的完整性、权威性及其观点立场正确性做任何保证或承诺!文档内容仅供研究参考,付费前请自行鉴别。
3、如文档内容存在违规,或者侵犯商业秘密、侵犯著作权等,请点击“违规举报”。

碎片内容

生产计划作业流程

您可能关注的文档

确认删除?
VIP
微信客服
  • 扫码咨询
会员Q群
  • 会员专属群点击这里加入QQ群
客服邮箱
回到顶部