电脑桌面
添加小米粒文库到电脑桌面
安装后可以在桌面快捷访问

电力行业安全检查内容

电力行业安全检查内容_第1页
1/25
电力行业安全检查内容_第2页
2/25
电力行业安全检查内容_第3页
3/25
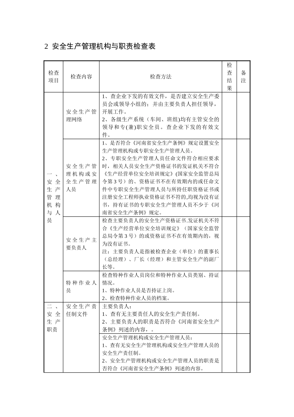
电力行业安全检查表1。 安全生产目标检查表检查项目检查内容检查方法检查结果备注安 全生 产目标安全生产目标要每年以文件化的形式设立并 由 最 高 管 理 者 签发。检查企业下发的有效文件.1、查企业安全生产目标文件。2、是否经最高管理者签发.3、安全生产目标是否具体、合理。安全生产目标应传达到全体员工及相关方.全体员工及相关方应熟悉并理解安全生产目标。1、抽查从业人员。是否了解安全生产目标.2、查企业公布方式。是否在显著位置张贴并作为员工岗前培训及再教育的内容印刷在现场安全手册中.安全生产目标要进行分解,并签订各级组织 的 安 全 目 标 责 任书,制定奖惩措施。检查企业下发的有效文件及目标责任书。1、安全生产目标是否进行分解。2、每个部门、每个基层单位,是否签订安全目标责任书。3、查各部门和各基层单位的安全目标责任书是否符合各部门和各基层单位实际情况的,即目标责任书有针对性。4、查各部门和各基层单位有无安全考核内容及奖惩措施各级组织制定安全工作规划或计划,以保证安全生产方针和目标的有效完成.检查各部门/单位是否制定年度安全工作计划。对目标的完成情况进行考核。检查企业考核记录或考核结果文件。是否按目标责任书考核内容进行考核的。2 安全生产管理机构与职责检查表检查项目检查内容检查方法检查结果备注一 、安 全生 产管 理机 构与 人员安 全 生 产 管理网络1、查企业下发的有效文件,是否建立安全生产委员会或领导小组的;并由主要负责人担任领导,开展工作。2、各级生产系统(车间、班组)均有主管安全的领导和专(兼)职安全员。查企业下发的有效文件。安 全 生 产 管理 机 构 或 安全 生 产 管 理人员1、是否符合《河南省安全生产条例》规定设置安全生产管理机构或专职安全生产管理人员。2、专职安全生产管理人员任命文件符合相应要求时,相关人员安全生产资格证书的发证机关不符合《生产经营单位安全培训规定》(国家安全监管总局令第 3 号)的、资格证书不在有效期内的或任命文件中专职安全生产管理人员与所持任职资格证书或注册安全工程师执业资格证书不符的,均视为没有证书,持有证书的专职安全生产管理人员不少于《河南省安全生产条例》规定。安 全 生 产 主要负责人检查主要负责人的安全生产资格证书.发证机关不符合《生产经营单位安全培训规定》(国家安全监管总局令第 3 号)的或资格证书不在有效期内的,视为没有证书。注:主要负责人...

1、当您付费下载文档后,您只拥有了使用权限,并不意味着购买了版权,文档只能用于自身使用,不得用于其他商业用途(如 [转卖]进行直接盈利或[编辑后售卖]进行间接盈利)。
2、本站所有内容均由合作方或网友上传,本站不对文档的完整性、权威性及其观点立场正确性做任何保证或承诺!文档内容仅供研究参考,付费前请自行鉴别。
3、如文档内容存在违规,或者侵犯商业秘密、侵犯著作权等,请点击“违规举报”。

碎片内容

电力行业安全检查内容

不二商店+ 关注
实名认证
内容提供者

我是你的不二选择

确认删除?
VIP
微信客服
  • 扫码咨询
会员Q群
  • 会员专属群点击这里加入QQ群
客服邮箱
回到顶部