电脑桌面
添加小米粒文库到电脑桌面
安装后可以在桌面快捷访问

电梯安装过程质量控制

电梯安装过程质量控制_第1页
1/13
电梯安装过程质量控制_第2页
2/13
电梯安装过程质量控制_第3页
3/13
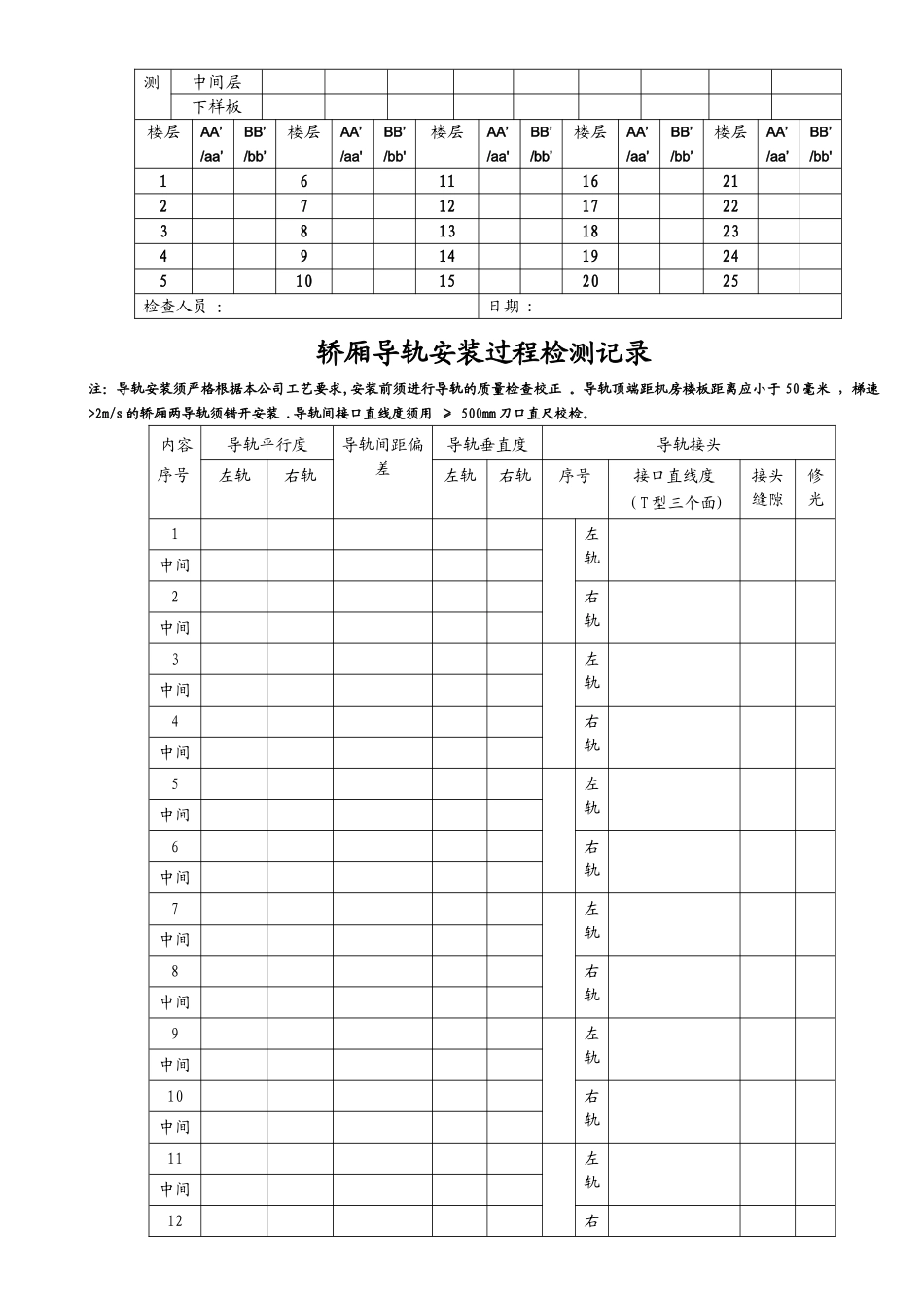
电梯安装过程质量控制用户名称__________________地 址___________________ 产品型号__________________制 造___________________ 电梯编号_________________(群控/相关梯号)__________ 层/站/门__________________提升高度_______________M 额定速度____________M/S 额定载重量____________Kg 安装单位__________________安装班组长______________ 开工日期__________________竣工日期______________填写要求1. 电梯安装过程质量控制报告须在各相应部件安装过程中参照表格中所要求的标准值进行自检并记录/填写.2. 填写应字迹整齐、清楚,项目内容基本都有数据要求,必须填写实际数据值.少数无数据要求的用“合格”或“不合格”表示,如无此项则不必填写.3. 安装人员在自检/互检确认合格后,在 “检查人员” 栏中签名并填入日期。4. 电梯基本保证项目安装过程检验须按规定经过二级检验(电梯安装施工班组检验、公司质检员检验)合格后才能进行拆除脚手架等后续工作。 电梯开箱检查情况记录开箱日期:施工负责人:缺 损 错 件 名 称数 量产 生 原 因现场负责人意见:签名: 日期:工程经理/监督员意见: 签名: 日期:说明:开箱时应严格根据本公司要求,做好开箱清点、检测记录。若有重大问题,应立即反映(如有损坏件,除必要的记录以外并予以照相)。开箱后各部件须严格根据现场仓库管理制度要求安放并保管.现场库房管理规定1.开箱前,必须落实施工场地库房,施工场地库房应做好防水,防潮、防火及防盗措施。2.施工场地库房内应设置可存放零部件的简易货架。3.开箱清点后的零部件要及时入库,堆放整齐合理。4.电器部件(包括电缆)必须有相应的保管措施,如防潮,防小动物撕咬等.5.易损件、易丢件要妥善保管,易变形的设备如厅/轿门、轿厢围板等须要法律规范堆放(放平垫好),并派专人具体负责设备的入库、清点、保管和发放。6.导轨在堆放时应保持水平和平稳,防止导轨被压弯或变形,严禁在导轨上堆放重物.电梯放样记录 注: ┣ -— 导轨 ● —- 样板线 О —— 中分点基准尺寸AA’=BB’ mm导轨样板线与导轨端面间距mm井道结构123门宽ABmm导轨样板线距CDmmEFmmHI(mm)HJ(mm)HG(mm)IK(mm)样板线与井道CC’DD’EE'FF’aa’bb’AA”BB”备注实上样板测中间层下样板楼层AA’/aa’BB’/bb’楼层AA’/aa'BB’/bb'楼层AA’/aa'BB’/bb’楼层AA’/aa’BB’/bb’楼层AA’/aa’BB’/bb'1611162127121722381318234914192...

1、当您付费下载文档后,您只拥有了使用权限,并不意味着购买了版权,文档只能用于自身使用,不得用于其他商业用途(如 [转卖]进行直接盈利或[编辑后售卖]进行间接盈利)。
2、本站所有内容均由合作方或网友上传,本站不对文档的完整性、权威性及其观点立场正确性做任何保证或承诺!文档内容仅供研究参考,付费前请自行鉴别。
3、如文档内容存在违规,或者侵犯商业秘密、侵犯著作权等,请点击“违规举报”。

碎片内容

电梯安装过程质量控制

您可能关注的文档

范哲铺+ 关注
实名认证
内容提供者

想你所想,急你所急,你需要的都在店铺里可以找到。

确认删除?
VIP
微信客服
  • 扫码咨询
会员Q群
  • 会员专属群点击这里加入QQ群
客服邮箱
回到顶部