电脑桌面
添加小米粒文库到电脑桌面
安装后可以在桌面快捷访问

电气安全工器具管理规定

电气安全工器具管理规定_第1页
1/4
电气安全工器具管理规定_第2页
2/4
电气安全工器具管理规定_第3页
3/4
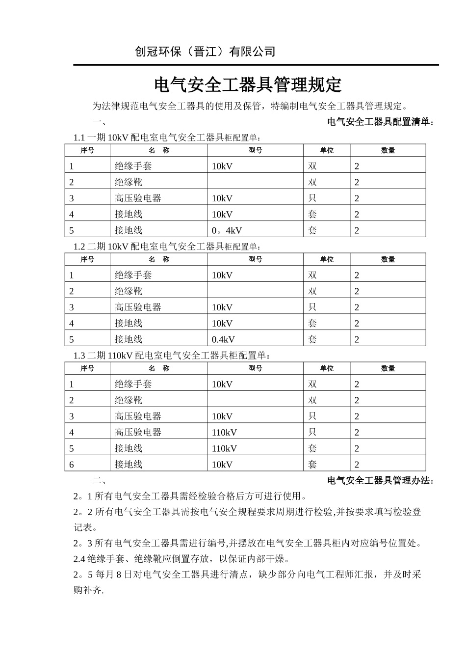
电气安全工器具管理规定为法律规范电气安全工器具的使用及保管,特编制电气安全工器具管理规定。一、电气安全工器具配置清单:1.1 一期 10kV 配电室电气安全工器具柜配置单:序号名 称型号单位数量1绝缘手套10kV双22绝缘靴双23高压验电器10kV只24接地线10kV套25接地线0。4kV套21.2 二期 10kV 配电室电气安全工器具柜配置单:序号名 称型号单位数量1绝缘手套10kV双22绝缘靴双23高压验电器10kV只24接地线10kV套25接地线0.4kV套21.3 二期 110kV 配电室电气安全工器具柜配置单:序号名 称型号单位数量1绝缘手套10kV双22绝缘靴双23高压验电器10kV只24高压验电器110kV只25接地线110kV套26接地线10kV套2二、电气安全工器具管理办法:2。1 所有电气安全工器具需经检验合格后方可进行使用。2。2 所有电气安全工器具需按电气安全规程要求周期进行检验,并按要求填写检验登记表。2。3 所有电气安全工器具需进行编号,并摆放在电气安全工器具柜内对应编号位置处。2.4 绝缘手套、绝缘靴应倒置存放,以保证内部干燥。2。5 每月 8 日对电气安全工器具进行清点,缺少部分向电气工程师汇报,并及时采购补齐.创冠环保(晋江)有限公司 2.6 所有电气安全工器具每次使用均应按要求进行登记。2.7 所有电气安全工器具每次使用后,均应清洁、干燥后放入电气安全工器具柜内。附:1、电气安全工器具周期检验表2、电气安全工器具使用登记表创冠环保(晋江)有限公司生产管理部二 0 一 0 年十二月二十日创冠环保(晋江)有限公司 电气安全工器具周期检验表序号工器具名称编号本次检验时间下次检验时间备注填写说明:1、按电气安全规程要求填写下次检验时间。 2、备注内填写本次检验结果。 创冠环保(晋江)有限公司电气安全工器具使用登记表序号工器具名称编号开始使用时间归还时间备注

1、当您付费下载文档后,您只拥有了使用权限,并不意味着购买了版权,文档只能用于自身使用,不得用于其他商业用途(如 [转卖]进行直接盈利或[编辑后售卖]进行间接盈利)。
2、本站所有内容均由合作方或网友上传,本站不对文档的完整性、权威性及其观点立场正确性做任何保证或承诺!文档内容仅供研究参考,付费前请自行鉴别。
3、如文档内容存在违规,或者侵犯商业秘密、侵犯著作权等,请点击“违规举报”。

碎片内容

电气安全工器具管理规定

您可能关注的文档

确认删除?
VIP
微信客服
  • 扫码咨询
会员Q群
  • 会员专属群点击这里加入QQ群
客服邮箱
回到顶部