电脑桌面
添加小米粒文库到电脑桌面
安装后可以在桌面快捷访问

电气工程师绩效考核表

电气工程师绩效考核表_第1页
1/3
电气工程师绩效考核表_第2页
2/3
电气工程师绩效考核表_第3页
3/3
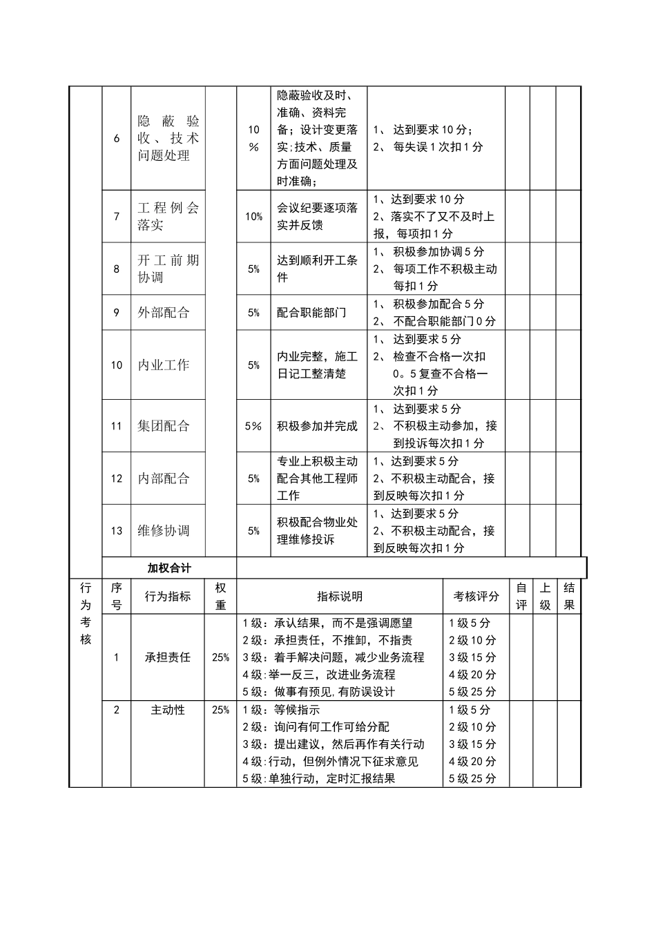
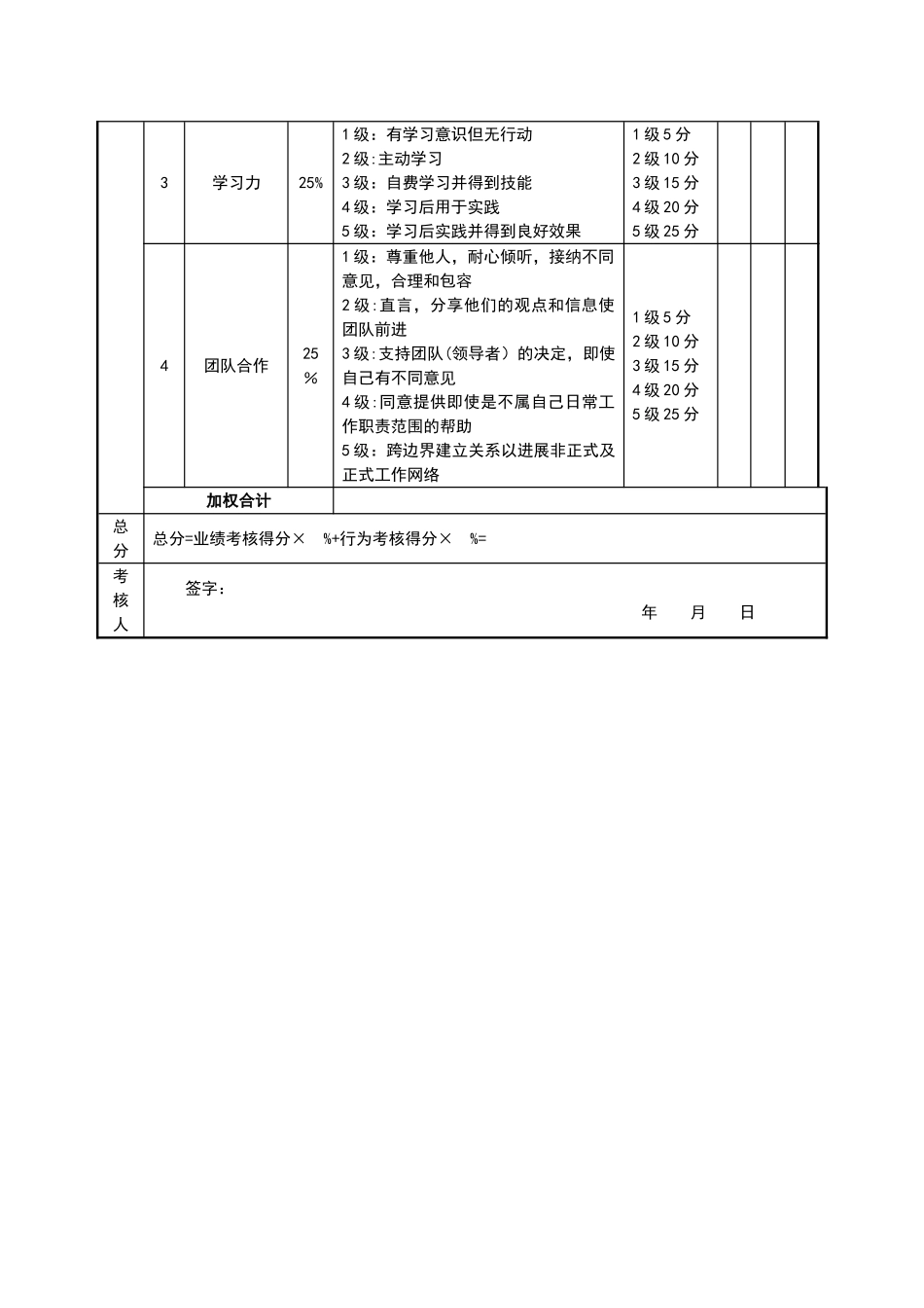
电气工程师考核评分表(月度)考核期间: 年 月姓名岗位任务绩效序号考核项目具体工作权重指标要求评分等级得分自评上级结果1进度控制详见工作分析表二的具体工作10%严格根据施工总进度计划中分部分项工程的重要节点(线管预留预埋、室内穿线安装、外网工程)完成情况考核1、节点提前完工或通过提前纠偏达到控制要求,10 分 2、主要节点考核每出现1 次延误,扣 1 分;3 次0 分3、延误后无可行的纠偏落实方案,1 次扣 1 分4、严重影响工程进度造成工程延误 0 分2质量控制10%电气工程施工质量达到省优标准;单项验收及综合验收合格通过1、按要求完成 10 分2、非一次性通过验收,每项每次扣 2 分3、达不到标准 0 分3安 全 文 明施工管理10%达到市文明施工要求标准,无重大安全事故1、按要求完成 10 分2、市安全文明施工检查不通过,5 分3、一般安全事故一次扣1 分,重大安全事故 0 分4材 料 、 设备检验10%材料进场检验合格率在 98%以上;设备检验合格 100%1、 达到要求 10 分2、 主要材料进场后抽验一次不合格扣 1 分;工作失误未检、漏检一次扣 1 分,不合格材料进场并使用 0 分3、检验不合格的设备进场并使用,0 分 5成本控制10%严控现场签证单、技术核定单,确保成本控制目标得到优化.1、 原成本控制目标实现10 分;2、 合理建议或技术优化降低成本 10 分;3、 每出现一次不合理的现场签证扣 1 分6隐蔽验收 、 技 术问题处理10%隐蔽验收及时、准确、资料完备;设计变更落实;技术、质量方面问题处理及时准确;1、 达到要求 10 分;2、 每失误 1 次扣 1 分7工 程 例 会落实10%会议纪要逐项落实并反馈1、达到要求 10 分2、落实不了又不及时上报,每项扣 1 分8开 工 前 期协调5%达到顺利开工条件1、 积极参加协调 5 分2、 每项工作不积极主动每扣 1 分9外部配合5%配合职能部门1、 积极参加配合 5 分2、 不配合职能部门 0 分10内业工作5%内业完整,施工日记工整清楚1、 达到要求 5 分2、 检查不合格一次扣0。5 复查不合格一次扣 1 分11集团配合5%积极参加并完成1、 达到要求 5 分2、 不积极主动参加,接到投诉每次扣 1 分12内部配合5%专业上积极主动配合其他工程师工作1、达到要求 5 分2、不积极主动配合,接到反映每次扣 1 分13维修协调5%积极配合物业处理维修投诉1、达到要求 5 分2、不积极主动配合,接到反映每次扣 1 分加权合计行...

1、当您付费下载文档后,您只拥有了使用权限,并不意味着购买了版权,文档只能用于自身使用,不得用于其他商业用途(如 [转卖]进行直接盈利或[编辑后售卖]进行间接盈利)。
2、本站所有内容均由合作方或网友上传,本站不对文档的完整性、权威性及其观点立场正确性做任何保证或承诺!文档内容仅供研究参考,付费前请自行鉴别。
3、如文档内容存在违规,或者侵犯商业秘密、侵犯著作权等,请点击“违规举报”。

碎片内容

电气工程师绩效考核表

确认删除?
VIP
微信客服
  • 扫码咨询
会员Q群
  • 会员专属群点击这里加入QQ群
客服邮箱
回到顶部