电脑桌面
添加小米粒文库到电脑桌面
安装后可以在桌面快捷访问

电气维修部岗位职责

电气维修部岗位职责_第1页
1/9
电气维修部岗位职责_第2页
2/9
电气维修部岗位职责_第3页
3/9
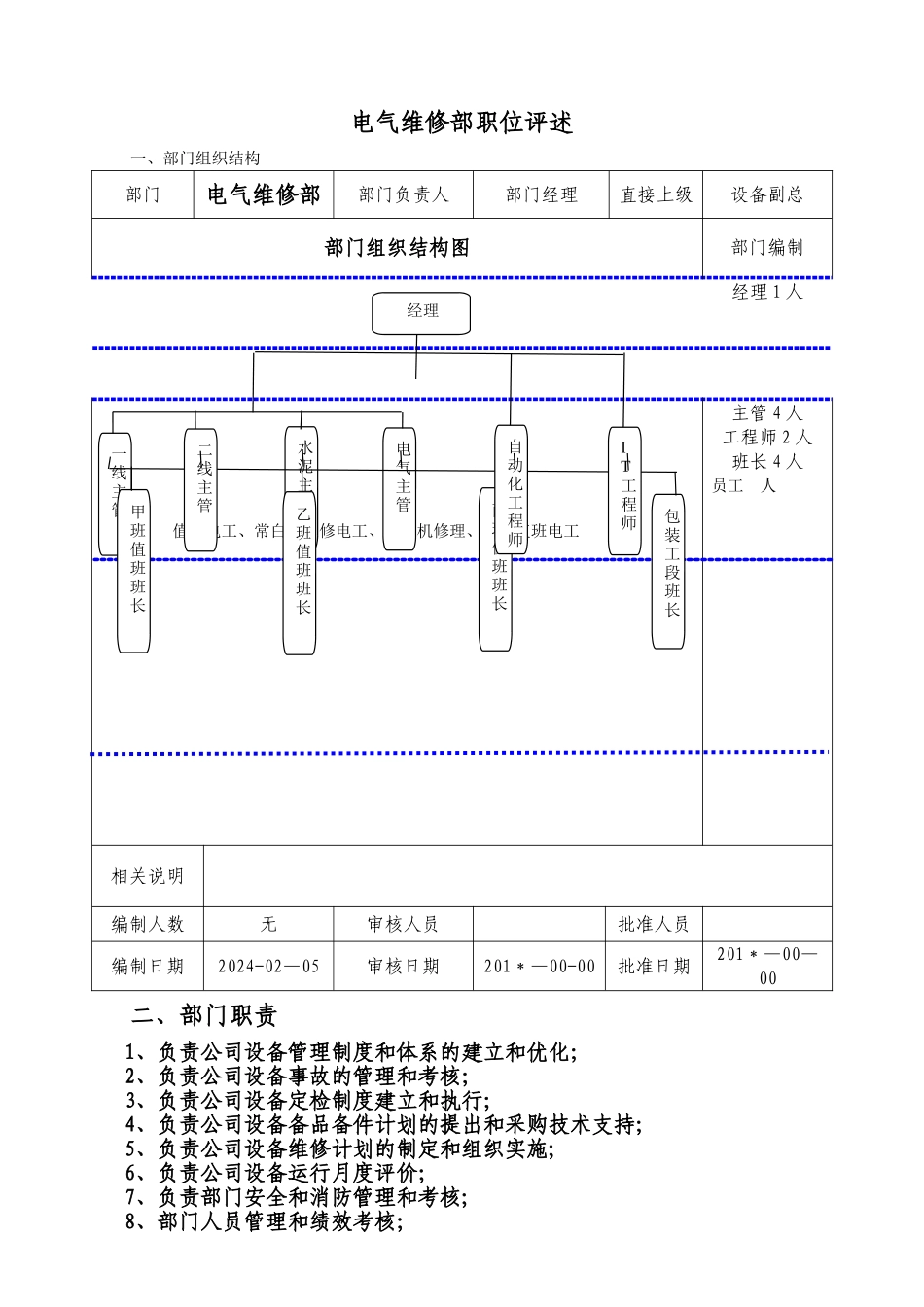
电气维修部职位评述一、部门组织结构部门电气维修部部门负责人部门经理直接上级设备副总部门组织结构图部门编制经理 1 人值班电工、常白班维修电工、电动机修理、总降值班电工主管 4 人工程师 2 人班长 4 人员工 人相关说明编制人数无审核人员批准人员编制日期2024-02—05审核日期201*—00-00批准日期201*—00—00二、部门职责1、负责公司设备管理制度和体系的建立和优化;2、负责公司设备事故的管理和考核;3、负责公司设备定检制度建立和执行;4、负责公司设备备品备件计划的提出和采购技术支持;5、负责公司设备维修计划的制定和组织实施;6、负责公司设备运行月度评价;7、负责部门安全和消防管理和考核;8、部门人员管理和绩效考核; 经理一线主管水泥主管电气主管甲班值班班长包装工段班长丙班值班班长乙班值班班长二线主管自动化工程师IT工程师9、负责对公司员工的设备知识和维修维护知识培训;10、负责部门所辖区域的设备和环境卫生清洁;11、负责公司维修成本的控制管理。三、职位描述(一)电气维修部经理职位描述(二)电气主管职位名称电气维修部经理所属部门电气维修部直接上级设备副总职务代码YF-编写时间2024-02-05工作目的建立健全生产设备管理制度,计划组织实施设备维修和技改,保证公司生产设备正常运行。岗位职责1、负责所管辖区域内的人身安全和环境保护的工作,确保无安全事故,满足公司环境保护政策和标准的要求。2、负责工厂的设备维修和维修计划工作,包括与生产相关的设备保养、维修计划、备件计划的制定与实施,确保生产设备的正常运转。3、负责维持性投资设备项目和大修设备项目的实施.4、通过合理安排维修计划,制定严格的维修程序,确保维修成本控制在预算水平以内。5、负责设备维修过程的资源调配,确定部门岗位定员和编制岗位作业指导书。6、负责本部门员工技能培训与提高,并进展下属.7、负责本部门人员的日常管理,确保公司规章制度在本部得以执行。8、负责对下属的业绩考核。9、负责技改项目的组织实施。10、负责设备技术部岗位优化工作。11、负责工具室的日常管理,确保维持工厂工具借用的正常运行。12、完成主管领导安排的其他工作。考核重点1、设备运转率;2、维修成本降低目标达成率;3、维修计划工作的完成率;4、电气设备管理制度体系的完善性;5、部门安全事故;6、部门设备事故;7、清洁生产;8、部门劳动纪律;9、下属培育目标完成率;10、绩效考核的及时、有效性;工作范围在元江永发公司范围内...

1、当您付费下载文档后,您只拥有了使用权限,并不意味着购买了版权,文档只能用于自身使用,不得用于其他商业用途(如 [转卖]进行直接盈利或[编辑后售卖]进行间接盈利)。
2、本站所有内容均由合作方或网友上传,本站不对文档的完整性、权威性及其观点立场正确性做任何保证或承诺!文档内容仅供研究参考,付费前请自行鉴别。
3、如文档内容存在违规,或者侵犯商业秘密、侵犯著作权等,请点击“违规举报”。

碎片内容

电气维修部岗位职责

确认删除?
VIP
微信客服
  • 扫码咨询
会员Q群
  • 会员专属群点击这里加入QQ群
客服邮箱
回到顶部