电脑桌面
添加小米粒文库到电脑桌面
安装后可以在桌面快捷访问

盘扣式脚手架模板及支撑架专项施工方案

盘扣式脚手架模板及支撑架专项施工方案_第1页
1/41
盘扣式脚手架模板及支撑架专项施工方案_第2页
2/41
盘扣式脚手架模板及支撑架专项施工方案_第3页
3/41
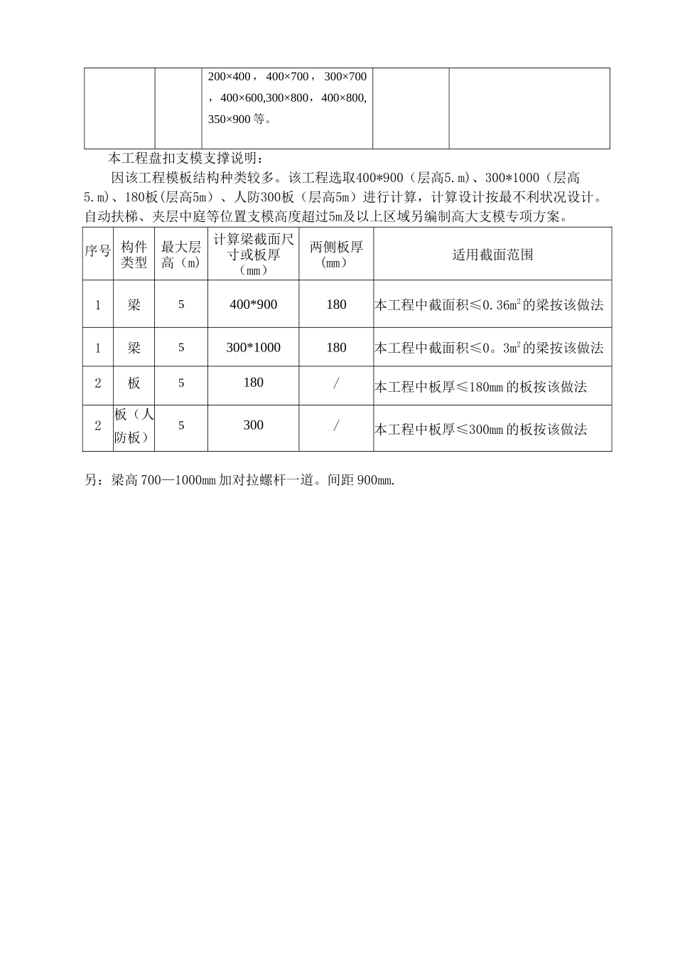
一、工程概况工程名称:***建设单位:***监理单位:***设计单位:***勘察单位:***施工单位:***建设地点:******工程位于***,合同总价约***万元,总建筑面积约8。9万平方米,地下3层约3.6万平方米,地上8层约5.3万平方米的商业楼。***工程建筑结构的安全等级为二级,属于钢筋混框架结构。所在地区抗震设防烈度为7度,地上部分抗震等级一级,地下负一层塔楼相关范围抗震等级一级,地下负一层非塔楼相关范围抗震等级三级,地下负二层抗震等级二级,地下负三层抗震等级三级。结构使用年限为50年。地下室防水等级为Ⅱ级,屋面防水等级一级。建筑物防火分类一类,耐火等级一级。建筑物人防等级6级,人防建筑面积7830平方米。本工程为1栋商业楼,地下3层,地上8层,其中地下负二、三层高均为4米,地下负一层高为5米,地上一层高为5米,地上2至7层高均为4。8米,地上8层高为4。65米。建筑总高度43。25米。本方案为采纳盘扣式脚手架的模板及支撑架专项施工方案。适用于5m及以下支模区域。本工程盘扣支模位置为: 位置层高梁截面板厚支承立杆/地基情况负二、三层4300×500、400×800、300×600、300×700、200×500、250×600、200×600、300×1000、400×900、400×600、400×800 等150mm盘扣式脚手架/C35 混凝土楼板负一层5300×500、400×800、300×600、300×700、200×500、250×600、200×600、300×1000、400×900、400×600、400×800 等150mm盘扣式脚手架/C35 混凝土板一层5200×800,200×600,200×500,200×400,250×600,200×300,200×400,400×700,300×700,400×600,300×800,400×800,350×900 等。180盘扣式脚手架/C35 混凝土楼板二到八层4。8200×800,200×600,200×500,200×400,250×600,200×300,120盘扣式脚手架/C35 混凝土楼板200×400 , 400×700 , 300×700,400×600,300×800,400×800,350×900 等。本工程盘扣支模支撑说明:因该工程模板结构种类较多。该工程选取400*900(层高5.m)、300*1000(层高5.m)、180板(层高5m)、人防300板(层高5m)进行计算,计算设计按最不利状况设计。自动扶梯、夹层中庭等位置支模高度超过5m及以上区域另编制高大支模专项方案。序号 构件类型最大层高(m)计算梁截面尺寸或板厚(mm)两侧板厚(mm)适用截面范围1梁5400*900180本工程中截面积≤0.36m2的梁按该做法1梁5300*1000180本工程中截面积≤0。3m2的梁按该做法2板5180/本工程中板厚≤180mm 的板按该做法...

1、当您付费下载文档后,您只拥有了使用权限,并不意味着购买了版权,文档只能用于自身使用,不得用于其他商业用途(如 [转卖]进行直接盈利或[编辑后售卖]进行间接盈利)。
2、本站所有内容均由合作方或网友上传,本站不对文档的完整性、权威性及其观点立场正确性做任何保证或承诺!文档内容仅供研究参考,付费前请自行鉴别。
3、如文档内容存在违规,或者侵犯商业秘密、侵犯著作权等,请点击“违规举报”。

碎片内容

盘扣式脚手架模板及支撑架专项施工方案

确认删除?
VIP
微信客服
  • 扫码咨询
会员Q群
  • 会员专属群点击这里加入QQ群
客服邮箱
回到顶部