电脑桌面
添加小米粒文库到电脑桌面
安装后可以在桌面快捷访问

石材幕墙的施工工艺

石材幕墙的施工工艺_第1页
1/5
石材幕墙的施工工艺_第2页
2/5
石材幕墙的施工工艺_第3页
3/5
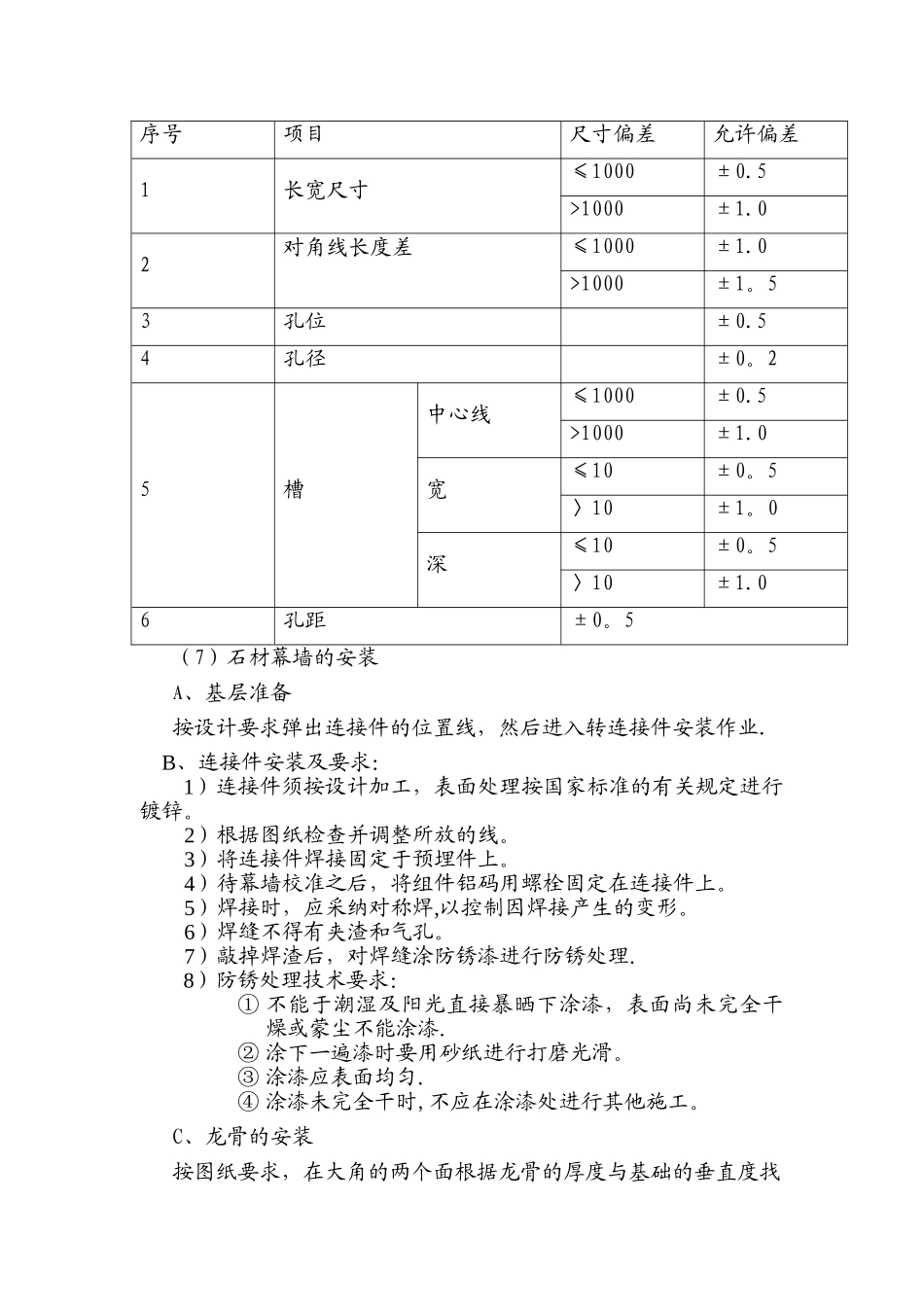
石材幕墙的施工工艺1。安装施工准备:施工人员熟悉图纸,熟悉施工工艺,对施工班组进行技术交底和操作培训。对花岗岩板材需开箱预检数量,规格及外观质量,逐块检查,不符合质量标准的立即按不合格产品处理。按图纸上的编号预摆排列检查无明显色差,石材的编号应同设计一致,不得因加工造成混乱。根据建筑设计图纸所提供的石材分块、布局、颜色品种及搭配、表面加工形式、线角处理方案,并结合施工现场结构的实际状况,绘制出石材加工大样图。2.作业条件的落实(1) 材料、机具、水源、电源齐备(2) 墙面弹出水平控制线,柱子应弹出立面中心线;(3) 石材进场后,花岗石在固定场所堆放(4) 石材的检验和修补(5) 石材进场后,应挑出破裂、变色和缺角少棱另行堆放.3.施工工艺流程要点(1) 基层准备:清理预做饰面石材的结构表面,弹出垂直线。也可根据需要弹出安装石材的位置线和分块线;(2) 石材准备:根据设计尺寸,将专用模具固定在以台钻上,进行石材打孔.石材背面刷胶粘剂,贴玻璃纤维网格布。(3) 挂线:按图纸要求,用经纬仪打出大角两个面的竖向控制线,在大角上下两端固定挂线的角钢,用钢丝挂竖向控制线,并在控制线的上下做出标记;(4) 支底层石材托架,放置底层石板,调节并临时固定;(5) 结构打孔,插固定螺栓,镶不锈钢固定件,(6) 用嵌缝膏嵌下层石材的上孔,插连接钢针,嵌上层石材下孔;(7) 临时固定上层石材,钻孔、插膨胀螺栓,镶不锈钢固定件。重复以上工序,直至完成全部石材安装,最后镶顶层石材.(8) 清理饰面石材,粘防污胶条、嵌缝,刷罩面保护剂。3、具体施工方法(1)、放线:放线就是根据土建给定的建筑基准线和标高,结合幕墙施工图纸,用测绘仪器在建筑结构上打出垂直及水平定位线。放线过程是先根据土建施工单位提供的结构尺寸及标高线进行实测,之后依照实测建筑物的轴线作为放线的基准进行放线,从而测定幕墙分格线与建筑物结构的轴线相对应关系。依照实测的分格线进行弹线,之后再用仪器进行抽验,直至符合要求方可进入正式安装阶段.1)安装前施工准备A、花岗石根据业主对本工程的要求,要求花岗石板材为优等品,技术指标按JGJ133—2001执行。B、石材的加工花岗石材的加工系指将花岗石板材进行安装部位槽、孔等加工,加工时对石材进行保护,防止产生缺棱、少角。这道工序在施工现场完成。 加工石板应符合以下规定:(1) 石板连接部位应无崩坏、暗裂等缺陷,其他部位,崩边不大于5MM×20MM或...

1、当您付费下载文档后,您只拥有了使用权限,并不意味着购买了版权,文档只能用于自身使用,不得用于其他商业用途(如 [转卖]进行直接盈利或[编辑后售卖]进行间接盈利)。
2、本站所有内容均由合作方或网友上传,本站不对文档的完整性、权威性及其观点立场正确性做任何保证或承诺!文档内容仅供研究参考,付费前请自行鉴别。
3、如文档内容存在违规,或者侵犯商业秘密、侵犯著作权等,请点击“违规举报”。

碎片内容

石材幕墙的施工工艺

您可能关注的文档

确认删除?
VIP
微信客服
  • 扫码咨询
会员Q群
  • 会员专属群点击这里加入QQ群
客服邮箱
回到顶部