电脑桌面
添加小米粒文库到电脑桌面
安装后可以在桌面快捷访问

砂石系统运行作业指导书

砂石系统运行作业指导书_第1页
1/7
砂石系统运行作业指导书_第2页
2/7
砂石系统运行作业指导书_第3页
3/7
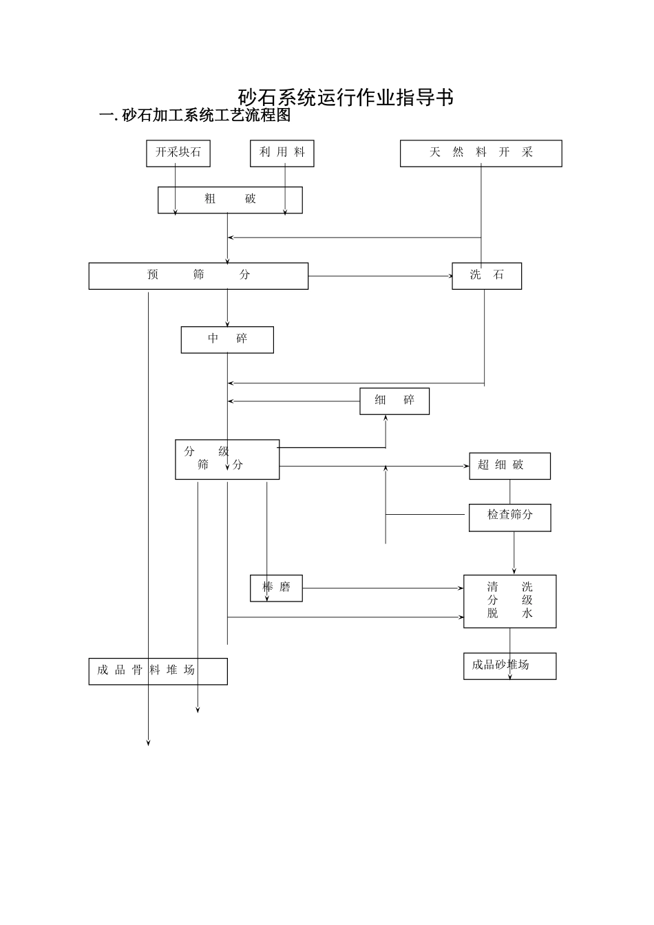
砂石系统运行作业指导书 一.砂石加工系统工艺流程图开采块石粗 破利 用 料预 筛 分中 碎洗 石分 级 筛 分细 碎清 洗分 级脱 水超 细 破成 品 骨 料 堆 场成品砂堆场天 然 料 开 采棒 磨检查筛分二。砂石系统运行方法及要求1 料场开采1。1 熟悉图纸、水文地质资料,制定技术方案及质量、安全控制措施。技术方案包括施工道路、最终边坡角度,开挖方案,爆破方案、参数,喷锚支护等方案.1。2 报现场监理工程师、业主及其它政府职能部门审批,批准后向现场施工技术人员及作业人员进行技术交底。1.3 做好开采现场的施工排水、施工道路和风水电供应。1。4 覆盖层剥离。覆盖层剥离根据现场的实际情况可采纳先全部剥离后开采或覆盖层剥离与毛料开采同步进行,但在同一开采平台范围内需采纳先剥离后开采的施工程序。全风化带主要采纳推挖配合直接装运凿裂法施工,强风化带以下采纳钻孔爆破法施工.1.5 毛料开采。根据梯段分层逐层向下开挖,梯段高度控制在 12 米左右。根据料场岩石的性质,分别用孔间微差爆破、多段顺序碰撞挤压爆破、宽孔距爆破“V"形起爆等施工方法以控制毛料的块径,减少大块率,施工顺序为:钻孔基础面清理—→钻孔测量放样—→钻孔-→验收—→装药-→验收-→起爆—→装运.采运设备可选用电铲、正铲、反铲、装载机和自卸汽车等.1。6 边坡支护.料场最终边坡采纳预裂爆破,控制坡比为:全强风化层以上按 1:1,弱风化层采纳 1:0。5,微新岩石采纳 1:0。3.每个梯段应设马道,马道宽根据实际情况布置,为保障施工期边坡稳定安全,如边坡处有断层或破裂带,应实行喷锚等临时支护措施并设置必要的排水孔。喷锚作业应紧跟开挖工作面,喷射混凝土终凝至下一循环放炮,间隔不应小于 3h。边坡顶部应设置截排水沟.1。7 夹层处理。如遇有比较集中的软弱或夹泥层时,应严格根据监理工程师的指示进行清除,并运往指定的弃碴场,确保可用料内不混杂废渣料。1.8 超径石处理。超径石是指大于破裂机允许给料尺寸的块石。毛料装车时应尽量避开将超径石装入运输车辆,以免影响粗破正常生产.超径石必须经手风钻钻孔、二次爆破或液压碎石器破裂后才能装运。2 天然料开采2。1 勘察、熟悉图纸、水文地质资料,制定技术方案及质量、安全控制措施。2。2 报业主及其它政府职能部门审批,批准后向现场施工技术人员及作业人员进行技术交底.2.3 对河滩料场开采分修建围堰排干料坑和陆基水下开采两种方法。围堰排水开采法,在...

1、当您付费下载文档后,您只拥有了使用权限,并不意味着购买了版权,文档只能用于自身使用,不得用于其他商业用途(如 [转卖]进行直接盈利或[编辑后售卖]进行间接盈利)。
2、本站所有内容均由合作方或网友上传,本站不对文档的完整性、权威性及其观点立场正确性做任何保证或承诺!文档内容仅供研究参考,付费前请自行鉴别。
3、如文档内容存在违规,或者侵犯商业秘密、侵犯著作权等,请点击“违规举报”。

碎片内容

砂石系统运行作业指导书

您可能关注的文档

确认删除?
VIP
微信客服
  • 扫码咨询
会员Q群
  • 会员专属群点击这里加入QQ群
客服邮箱
回到顶部