电脑桌面
添加小米粒文库到电脑桌面
安装后可以在桌面快捷访问

窗户修缮施工工艺

窗户修缮施工工艺_第1页
1/2
窗户修缮施工工艺_第2页
2/2
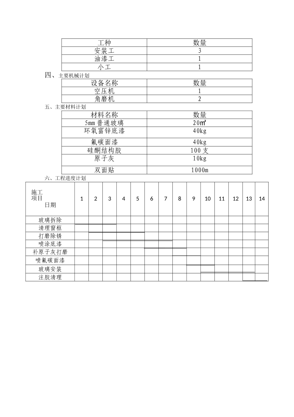
新建长株潭城际铁路站房及相关工程 CZTZF—3 标段外窗修缮施工方案一、工程概况本工程为原有室外铁框玻璃窗修缮工程,位于长沙火车站一层广厅及第四候车室连廊部位,共计窗户 5 樘约 100。该窗户已使用㎡40 余年部分玻璃已破损,铁框锈蚀非常严重,固定玻璃用粘接剂均已失去功效.该修缮工程为既有营业线火车站,相应施工难度增加且存在一定的用工降效。所有外框需重新除锈防锈处理,需将玻璃全部拆除再重新安装,因玻璃安装年限较久玻璃拆除过程中会存在较大的损耗。二、施工工艺流程1、破损玻璃尺寸测量及材料下单.考虑本工程处于营业状态玻璃拆除后需及时恢复,材料生产存在一定周期,故需提前对已破损玻璃测量订料。因该玻璃为普通玻璃,可以考虑订购同高度加长玻璃现场根据破损玻璃尺寸切割。2、铲除原固定玻璃粘接材料将所有玻璃全部拆除。原窗玻璃采纳铁线与粘接剂结合的方式固定,因粘接剂老化脱落严重需将其全部铲除后再拆除玻璃,玻璃拆除后需妥善保管避开破损。3、铲除窗框上原固定玻璃粘接材料,清理其他杂物。玻璃拆除后框内粘接剂、渣土等杂物铲除洁净。4、窗框打磨除锈.因原窗框锈蚀严重,需用角磨机除去表面油漆及锈渣,角磨机无法打磨部位需用粗砂纸进行二次打磨,避开死角除锈清渣不到位影响油漆喷涂造成表面不光滑、返锈等质量问题。5、喷涂防锈底漆。采纳重防锈环氧富锌底漆进行喷涂,喷涂需均匀无流坠现象。6、补原子灰。因原窗宽腐蚀严重,局部地方存在缺棱掉角情况需采纳原子灰补平,如缺口较大需多次一层层找平不能一次到位,避开原子灰太厚起壳开裂等现象。7、局部打磨。底漆喷涂不平整部位及原子灰修补位置需二次打磨平整。8、喷氟碳面漆。采纳同其它外窗颜色一致氟碳漆进行喷涂,喷涂需均匀无流坠现象。9、玻璃清洗.原窗户拆下玻璃表面因长时间为清理存在大量尘土及杂物,需采纳专用玻璃清洗剂进行清洗,以确保安装后焕然一新.10、窗框粘贴双面贴。玻璃安装位置四周需粘贴双面贴,主要作用为临时固定玻璃和避开玻璃与钢框硬接触。11、玻璃安装注胶。在原玻璃固定预留孔位置先用铁线将玻璃卡住然后在玻璃四周注硅酮结构胶,保证玻璃与窗框粘接固定牢固且达到密封美观效果.12、卫生清理.玻璃安装完成后需对整个窗户表面进行卫生清理.三、人员计划工种数量安装工3油漆工1小工1四、主要机械计划设备名称数量空压机1角磨机2五、主要材料计划材料名称数量5mm 普通玻璃20㎡环氧富锌底漆40kg氟碳面漆40kg硅酮结构胶100 支原子灰...

1、当您付费下载文档后,您只拥有了使用权限,并不意味着购买了版权,文档只能用于自身使用,不得用于其他商业用途(如 [转卖]进行直接盈利或[编辑后售卖]进行间接盈利)。
2、本站所有内容均由合作方或网友上传,本站不对文档的完整性、权威性及其观点立场正确性做任何保证或承诺!文档内容仅供研究参考,付费前请自行鉴别。
3、如文档内容存在违规,或者侵犯商业秘密、侵犯著作权等,请点击“违规举报”。

碎片内容

窗户修缮施工工艺

您可能关注的文档

确认删除?
VIP
微信客服
  • 扫码咨询
会员Q群
  • 会员专属群点击这里加入QQ群
客服邮箱
回到顶部