电脑桌面
添加小米粒文库到电脑桌面
安装后可以在桌面快捷访问

第二章---仪表常用安装材料VIP专享

第二章---仪表常用安装材料_第1页
1/18
第二章---仪表常用安装材料_第2页
2/18
第二章---仪表常用安装材料_第3页
3/18
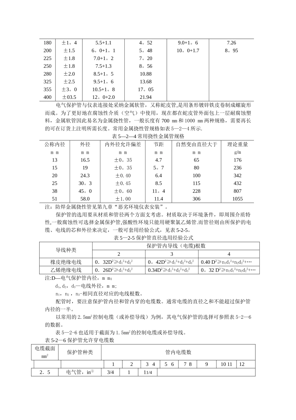
第二章 仪表常用安装材料仪表安装材料多达上千种,常用 的有近百种,可分为两大类.一类是成品或半成品。如仪表管材、仪表阀门、仪表使用的型钢等等,这是本章的内容。另一类是需经机械加工的如仪表管件(接头)、仪表安装使用的法兰、垫片、紧固件,统称为加工件,是第三章的内容.本章主要介绍仪表常用的管材、电缆、型钢、阀门和保温材料。目录第一节 仪表安装常用管材............................................................................................................1第二节 施工程序............................................................................................................................4第三节 常用仪表施工机具及标准表.............................................................................................7第四节 仪表电缆............................................................................................................................7第五节 仪表阀门..........................................................................................................................13第六节 常用仪表保温材料...........................................................................................................17第一节 仪表安装常用管材 仪表管道(又称管路、管线很多,可分为四类,即导压管、气动管、电气保护管和伴热管.一、导压管导压管又称脉冲管,是直接与工艺介质相接角的一中管道,是仪表安装使用最多、要求最高、最复杂的一种管道。由于导压管直接接触工艺介质,所以管子的选择与被测介质的物理性质、化学性质和操作条件有关.总的要求是导压管工作在有压或常压条件下。必须具有一定的强度和密封性。因此这类管道应该选用无缝钢管。在中低压介质中,常用的导压管为 ф14×2 无缝钢管,这是使用最多的一种管子。有时也用 ф18×3 或 ф18×2。分析用的取样管路通常也用ф14×2 无缝钢管,有时使用 ф10×1。5、ф10×1 或 ф12×1 无缝钢管。在超过 10Mpa 的高压操作条件下,多采纳 ф14×4 或 ф15×4 无缝合金钢管.导压管的选用 必须满足工艺要求和设计要求,代用必须取得设计同意.二、气动管路气动管路也称气源管或气动信号管路。它的通常介质是压缩空气.压缩空气经过处理,是干燥、无油、无机械杂物的洁净压缩空...

1、当您付费下载文档后,您只拥有了使用权限,并不意味着购买了版权,文档只能用于自身使用,不得用于其他商业用途(如 [转卖]进行直接盈利或[编辑后售卖]进行间接盈利)。
2、本站所有内容均由合作方或网友上传,本站不对文档的完整性、权威性及其观点立场正确性做任何保证或承诺!文档内容仅供研究参考,付费前请自行鉴别。
3、如文档内容存在违规,或者侵犯商业秘密、侵犯著作权等,请点击“违规举报”。

碎片内容

第二章---仪表常用安装材料

确认删除?
VIP
微信客服
  • 扫码咨询
会员Q群
  • 会员专属群点击这里加入QQ群
客服邮箱
回到顶部