电脑桌面
添加小米粒文库到电脑桌面
安装后可以在桌面快捷访问

管道焊接检验批质量验收记录

管道焊接检验批质量验收记录_第1页
1/1
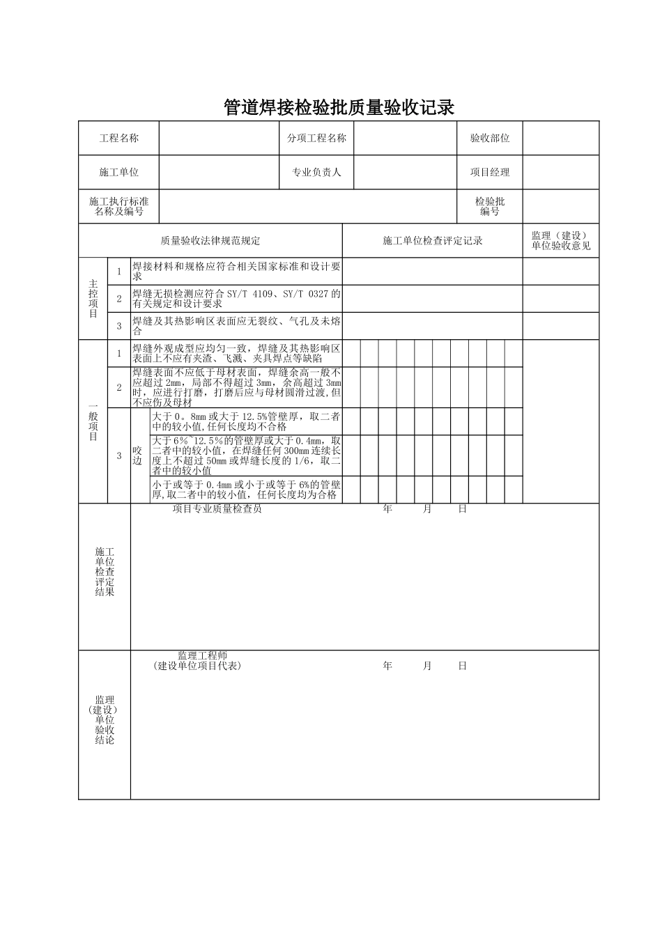
管道焊接检验批质量验收记录工程名称分项工程名称验收部位施工单位专业负责人项目经理施工执行标准名称及编号检验批编号质量验收法律规范规定施工单位检查评定记录监理(建设)单位验收意见主控项目1焊接材料和规格应符合相关国家标准和设计要求2焊缝无损检测应符合 SY/T 4109、SY/T 0327 的有关规定和设计要求3焊缝及其热影响区表面应无裂纹、气孔及未熔合一般项目1焊缝外观成型应均匀一致,焊缝及其热影响区表面上不应有夹渣、飞溅、夹具焊点等缺陷2焊缝表面不应低于母材表面,焊缝余高一般不应超过 2mm,局部不得超过 3mm,余高超过 3mm时,应进行打磨,打磨后应与母材圆滑过渡,但不应伤及母材3咬边大于 0。8mm 或大于 12.5%管壁厚,取二者中的较小值,任何长度均不合格大于 6%~12.5%的管壁厚或大于 0.4mm,取二者中的较小值,在焊缝任何 300mm 连续长度上不超过 50mm 或焊缝长度的 1/6,取二者中的较小值小于或等于 0.4mm 或小于或等于 6%的管壁厚,取二者中的较小值,任何长度均为合格施工单位检查评定结果 项目专业质量检查员 年 月 日监理(建设)单位验收结论监理工程师 (建设单位项目代表) 年 月 日

1、当您付费下载文档后,您只拥有了使用权限,并不意味着购买了版权,文档只能用于自身使用,不得用于其他商业用途(如 [转卖]进行直接盈利或[编辑后售卖]进行间接盈利)。
2、本站所有内容均由合作方或网友上传,本站不对文档的完整性、权威性及其观点立场正确性做任何保证或承诺!文档内容仅供研究参考,付费前请自行鉴别。
3、如文档内容存在违规,或者侵犯商业秘密、侵犯著作权等,请点击“违规举报”。

碎片内容

管道焊接检验批质量验收记录

不二商店+ 关注
实名认证
内容提供者

我是你的不二选择

相关文档

确认删除?
VIP
微信客服
  • 扫码咨询
会员Q群
  • 会员专属群点击这里加入QQ群
客服邮箱
回到顶部