电脑桌面
添加小米粒文库到电脑桌面
安装后可以在桌面快捷访问

箱涵水泥混凝土浇筑施工记录

箱涵水泥混凝土浇筑施工记录_第1页
1/22
箱涵水泥混凝土浇筑施工记录_第2页
2/22
箱涵水泥混凝土浇筑施工记录_第3页
3/22
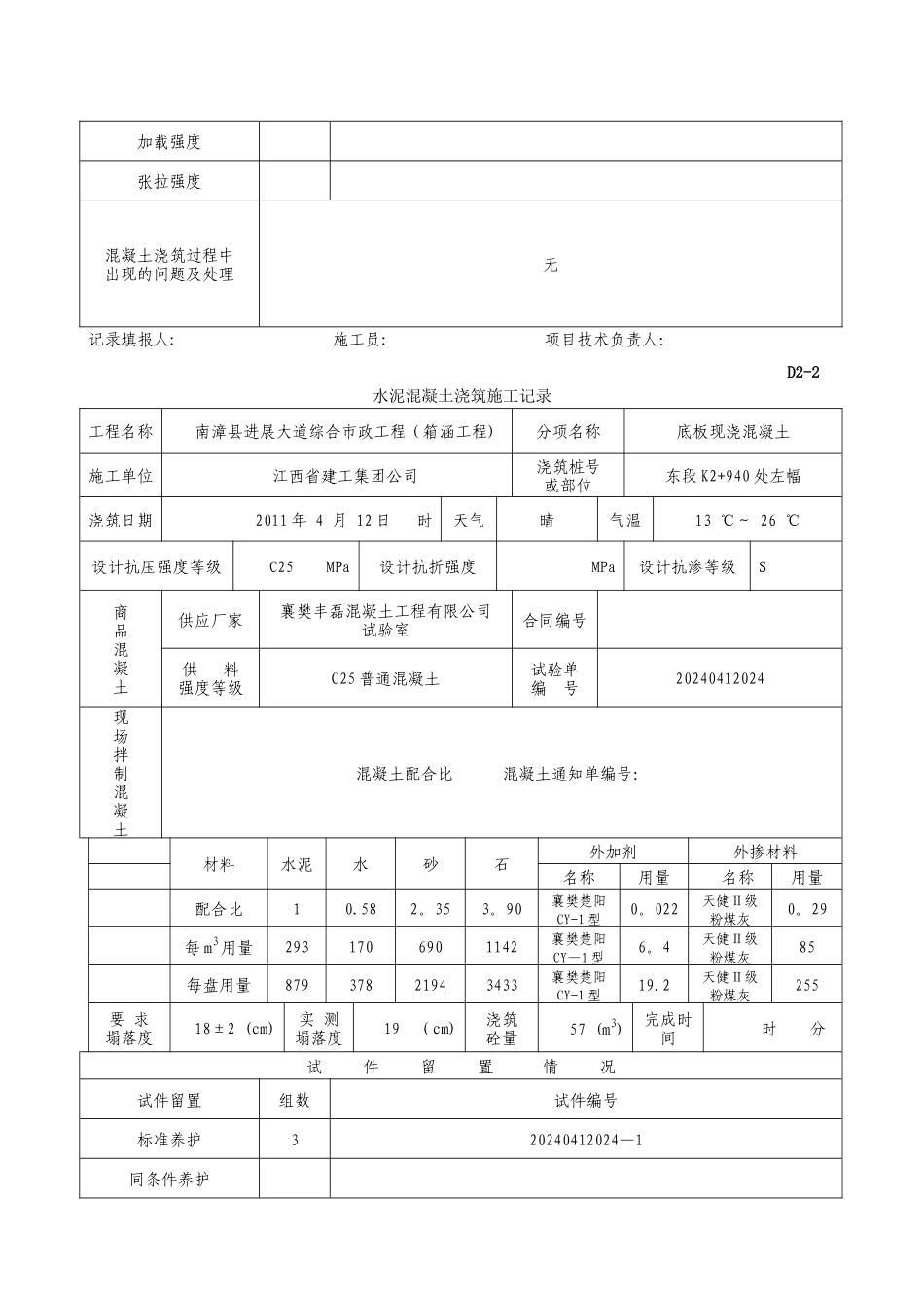
D2-2水泥混凝土浇筑施工记录工程名称 南漳县进展大道综合市政工程(箱涵工程)分项名称混凝土垫层 施工单位 江西省建工集团公司浇筑桩号或部位东段 K2+940 处 浇筑日期2011 年 3 月 30 日 时天气晴 气温 11 ℃~ 23 ℃设计抗压强度等级C15 MPa设计抗折强度 MPa 设计抗渗等级S商品 混凝土供应厂家南漳隆泰混凝土有限公司试验室 合同编号 供 料强度等级C15 普通混凝土 试验单编 号20240330001现场拌制混凝土混凝土配合比 混凝土通知单编号:材料水泥水砂石外加剂外掺材料名称 用量 名称用量 配合比1 0.69 3。33 5.17 襄樊楚阳CY—1 型0.02 天健Ⅱ级粉煤灰 0。38 每 m3 用量225 155 749 1164 襄樊楚阳CY-1 型 5.3 天健Ⅱ级粉煤灰 85 每盘用量225 111 790 1166 襄樊楚阳CY—1 型 5.3 天健Ⅱ级粉煤灰 85 要 求塌落度17±2 (cm)实 测塌落度18 (cm)浇筑 砼量24 (m3) 完成时间 时 分试 件 留 置 情 况试件留置组数试件编号标准养护3 20240330001-1 同条件养护 拆模强度 吊运强度 加载强度 张拉强度 混凝土浇筑过程中出现的问题及处理无 记录填报人: 施工员: 项目技术负责人:D2—2水泥混凝土浇筑施工记录工程名称 南漳县进展大道综合市政工程(箱涵工程)分项名称底板现浇混凝土 施工单位 江西省建工集团公司浇筑桩号或部位东段 K2+940 处右幅 浇筑日期2011 年 4 月 14 日 时天气晴 气温15 ℃~ 24 ℃设计抗压强度等级C25 MPa设计抗折强度 MPa 设计抗渗等级S商品 混凝土供应厂家襄樊丰磊混凝土工程有限公司 试验室 合同编号 供 料强度等级C25 普通混凝土 试验单编 号202404014013现场拌制混凝土混凝土配合比 混凝土通知单编号:材料水泥水砂石外加剂外掺材料名称 用量 名称用量 配合比1 0.58 2。35 3。90 襄樊楚阳CY—1 型0。022 天健Ⅱ级粉煤灰 0。29 每 m3 用量293 170 690 1142 襄樊楚阳CY-1 型 6.4 天健Ⅱ级粉煤灰 85 每盘用量879 378 2194 3433 襄樊楚阳CY—1 型 19。2 天健Ⅱ级粉煤灰 255 要 求塌落度18±2 (cm)实 测塌落度19 (cm) 浇筑 砼量55 (m3)完成时间 时 分试 件 留 置 情 况试件留置组数试件编号标准养护3 202404014013—1 同条件养护 拆模强度 吊运强度 加载强度 张拉强度 混凝土浇筑过程中出现的问题及处理无 记录填报人: 施工员: 项目技术负责人:D2-2水泥...

1、当您付费下载文档后,您只拥有了使用权限,并不意味着购买了版权,文档只能用于自身使用,不得用于其他商业用途(如 [转卖]进行直接盈利或[编辑后售卖]进行间接盈利)。
2、本站所有内容均由合作方或网友上传,本站不对文档的完整性、权威性及其观点立场正确性做任何保证或承诺!文档内容仅供研究参考,付费前请自行鉴别。
3、如文档内容存在违规,或者侵犯商业秘密、侵犯著作权等,请点击“违规举报”。

碎片内容

箱涵水泥混凝土浇筑施工记录

您可能关注的文档

确认删除?
VIP
微信客服
  • 扫码咨询
会员Q群
  • 会员专属群点击这里加入QQ群
客服邮箱
回到顶部