电脑桌面
添加小米粒文库到电脑桌面
安装后可以在桌面快捷访问

系统集成弱电项目经理部实施表格

系统集成弱电项目经理部实施表格_第1页
1/26
系统集成弱电项目经理部实施表格_第2页
2/26
系统集成弱电项目经理部实施表格_第3页
3/26
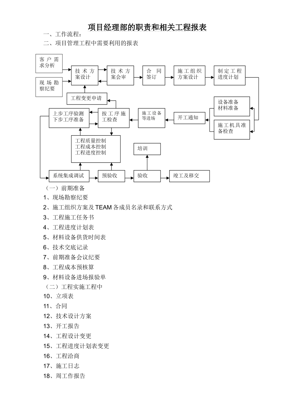
项目经理部的职责和相关工程报表一、工作流程:二、项目管理工程中需要利用的报表(一)前期准备1、现场勘察纪要2、施工组织方案及 TEAM 各成员名录和联系方式3、工程施工任务书4、工程进度计划表5、材料设备供货时间表6、技术交底记录7、前期准备会议纪要8、工程成本预核算9、材料设备进场报验单(二)工程实施工程中10、立项表11、合同12、技术设计方案13、开工报告14、工程设计变更15、工程进度计划表变更16、工程洽商17、施工日志18、周工作报告客 户 需求分析现 场 勘察纪要技 术 方案设计技 术 方案会审合同签订施 工 组 织方案设计制 定 工 程进度计划设备准备材料准备施工机具准备检查开工通知施工设备等进场按 工 序 施工检查工程变更申请上步工序验测下步工序准备工程质量控制工程成本控制工程进度控制系统集成调试预验收验收竣工及移交培训19、工程会议纪要20、质量工作实施情况检查记录21、隐蔽工程验收记录22、分部/项工程预验收记录(三)工程验收期间23、请验报告24、验收报告25、相关技术文档列表26、相关技术文档模板27、系统试运行记录28、工程移交纪要29、记录整理归档及移交30、结算31、工程总结报告32、发文登记表33、收文登记表(四)售后维护期间34、用户现场维护记录35、用户回访信息记录36、用户培训计划37、用户投诉处理记录工程项目详细表格项目名称: 项目编号: 业主名称:合同地址:项目合同部门:电话:传真:项目管理部门:电话:其它:补充说明:实施现场名称:地址:具体位置:监理单位:负责人:电话:设计单位:负责人:电话:土建单位:负责人:电话:装修单位:负责人:电话:客户现场组织:联系人:联系人:电话:电话:设备进场方式:管理部门:电话:估量开工时间:相关施工单位:其他相关分包方:电话:联系人:工程相关情况:备注:1、本记录适用于项目部对现场情况的了解和熟悉,同时是项目问题分析的依据之一;2、相关选项可根据实际情况进行调整;3、由项目经理填写,分发给 TEAM 各成员并交项目管理部存档。工程项目实施管理项目名称: 项目编号: 子系统名称子系统情况说明其他事项描述内容分 解 整 个 项目(例)例如:点位、数量、敷设方式、大宗材料部分.其它未完事宜。监控部分报警部分门禁部分巡更部分电源部分主干线部分工程涉及的其它系统内容:设备间(主机房)情况描述:(包括长、宽、高、现有设备状况、房间使用情况)接线间(配线间)情况描述:(包括现有设备使用状况,是...

1、当您付费下载文档后,您只拥有了使用权限,并不意味着购买了版权,文档只能用于自身使用,不得用于其他商业用途(如 [转卖]进行直接盈利或[编辑后售卖]进行间接盈利)。
2、本站所有内容均由合作方或网友上传,本站不对文档的完整性、权威性及其观点立场正确性做任何保证或承诺!文档内容仅供研究参考,付费前请自行鉴别。
3、如文档内容存在违规,或者侵犯商业秘密、侵犯著作权等,请点击“违规举报”。

碎片内容

系统集成弱电项目经理部实施表格

办公文档专营+ 关注
实名认证
内容提供者

大量办公文档,欢迎选择

确认删除?
VIP
微信客服
  • 扫码咨询
会员Q群
  • 会员专属群点击这里加入QQ群
客服邮箱
回到顶部