电脑桌面
添加小米粒文库到电脑桌面
安装后可以在桌面快捷访问

绿化工程质量评定表

绿化工程质量评定表_第1页
1/7
绿化工程质量评定表_第2页
2/7
绿化工程质量评定表_第3页
3/7
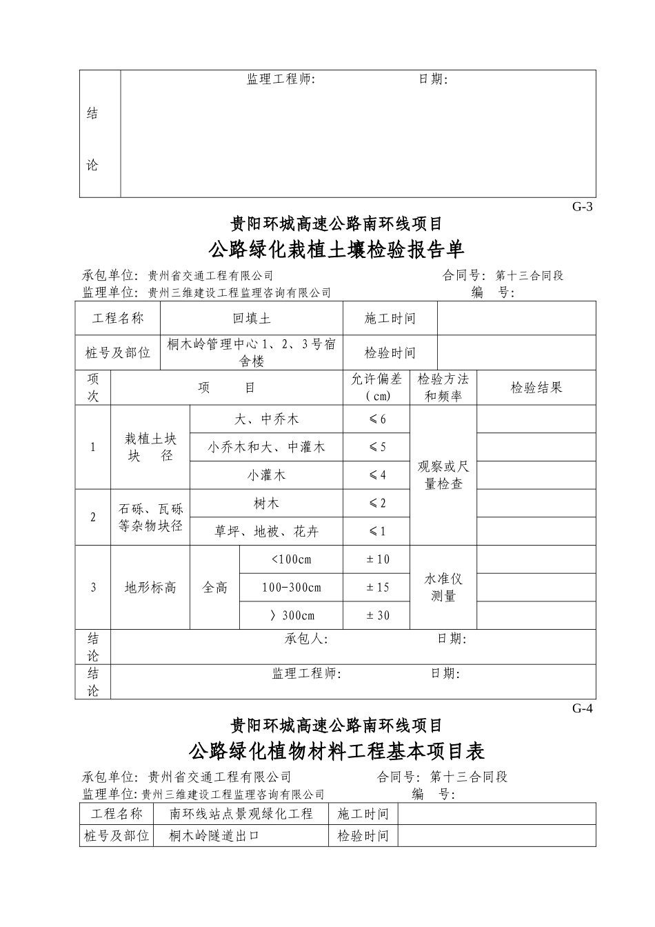
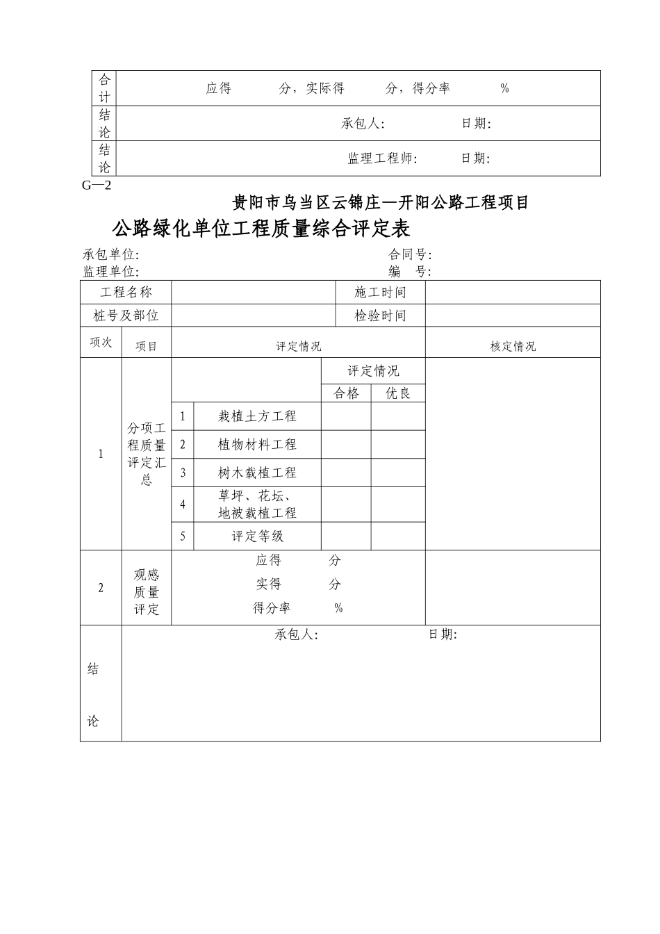
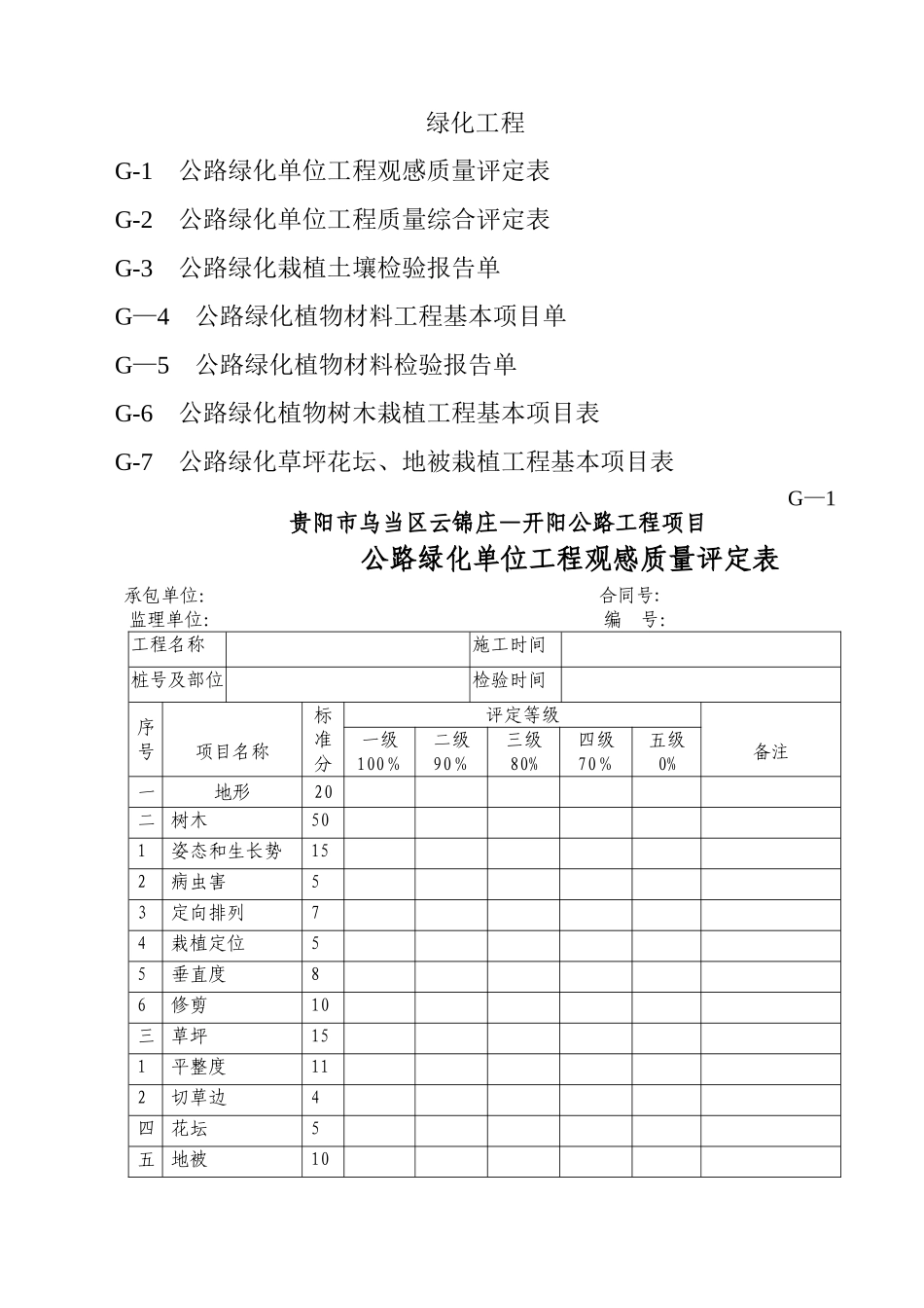
绿化工程G-1 公路绿化单位工程观感质量评定表G-2 公路绿化单位工程质量综合评定表G-3 公路绿化栽植土壤检验报告单G—4 公路绿化植物材料工程基本项目单G—5 公路绿化植物材料检验报告单G-6 公路绿化植物树木栽植工程基本项目表G-7 公路绿化草坪花坛、地被栽植工程基本项目表G—1贵阳市乌当区云锦庄—开阳公路工程项目公路绿化单位工程观感质量评定表承包单位: 合同号:监理单位: 编 号:工程名称施工时间桩号及部位检验时间序号项目名称标准分评定等级备注一级100%二级90%三级80%四级70%五级0%一地形20二树木501姿态和生长势152病虫害53定向排列74栽植定位55垂直度86修剪10三草坪151平整度112切草边4四花坛5五地被10合计应得 分,实际得 分,得分率 %结论承包人: 日期:结论监理工程师: 日期:G—2贵阳市乌当区云锦庄—开阳公路工程项目公路绿化单位工程质量综合评定表承包单位: 合同号: 监理单位: 编 号: 工程名称施工时间桩号及部位检验时间项次项目评定情况核定情况1分项工程质量评定汇总评定情况合格优良1栽植土方工程2植物材料工程3树木载植工程4草坪、花坛、地被载植工程5评定等级2观感质量评定应得 分实得 分得分率 %结论承包人: 日期:结论监理工程师: 日期:G-3贵阳环城高速公路南环线项目公路绿化栽植土壤检验报告单承包单位:贵州省交通工程有限公司 合同号:第十三合同段监理单位:贵州三维建设工程监理咨询有限公司 编 号:工程名称回填土施工时间桩号及部位桐木岭管理中心 1、2、3 号宿舍楼检验时间项次项 目允许偏差(cm)检验方法和频率检验结果1栽植土块块 径大、中乔木≤6观察或尺量检查小乔木和大、中灌木≤5小灌木≤42石砾、瓦砾等杂物块径树木≤2草坪、地被、花卉≤13地形标高全高<100cm±10水准仪测量100-300cm±15〉300cm±30结论承包人: 日期: 结论监理工程师: 日期:G-4贵阳环城高速公路南环线项目公路绿化植物材料工程基本项目表承包单位:贵州省交通工程有限公司 合同号:第十三合同段监理单位:贵州三维建设工程监理咨询有限公司 编 号:工程名称南环线站点景观绿化工程施工时间桩号及部位桐木岭隧道出口检验时间项次项目等级质量要求1树木姿态和生长势合格树木基本挺直,树冠基本完整,生长基本健康,根系发育良好。优良树干挺直,树冠完整,生长健壮,根系茂盛。病虫害合格乔木,大灌木应无病虫害;其他树木有病虫害的植株不得超过1%,且不得影响树木生长与外观...

1、当您付费下载文档后,您只拥有了使用权限,并不意味着购买了版权,文档只能用于自身使用,不得用于其他商业用途(如 [转卖]进行直接盈利或[编辑后售卖]进行间接盈利)。
2、本站所有内容均由合作方或网友上传,本站不对文档的完整性、权威性及其观点立场正确性做任何保证或承诺!文档内容仅供研究参考,付费前请自行鉴别。
3、如文档内容存在违规,或者侵犯商业秘密、侵犯著作权等,请点击“违规举报”。

碎片内容

绿化工程质量评定表

您可能关注的文档

雏圣文化+ 关注
实名认证
内容提供者

欢迎光临,大量办公文档供您挑选。

确认删除?
VIP
微信客服
  • 扫码咨询
会员Q群
  • 会员专属群点击这里加入QQ群
客服邮箱
回到顶部