电脑桌面
添加小米粒文库到电脑桌面
安装后可以在桌面快捷访问

肉鸡屠宰co2制冷技术方案

肉鸡屠宰co2制冷技术方案_第1页
1/13
肉鸡屠宰co2制冷技术方案_第2页
2/13
肉鸡屠宰co2制冷技术方案_第3页
3/13
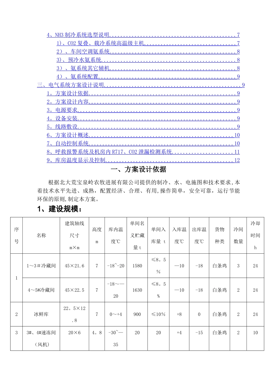
北大荒宝泉岭农牧进展有限公司白羽鸡屠宰项目技术方案书编制单位:烟台冰轮股份有限公司编制日期:2024 年 9 月一、方案设计依据.......................................................31 、建设规模: ....................................................... 1 2 、室外设计参数(参考黑龙江鹤岗市) ................................. 2 3 、设计依据 ......................................................... 2 二、制冷系统方案设计说明 ................................................. 2 1 、制冷负荷 ......................................................... 2 2 、系统划分: ....................................................... 3 3 、 CO2 制冷系统选型说明 ............................................. 4 1 )、 CO2 系统介绍 ................................................ 4 2 ) 、 1 ~ 5# 冷藏库 二氧化碳载冷系统(含冰鲜间) ..................... 5 3 ) 3 ~ 6 # 速冻间二氧化碳复叠系统 ................................. 5 4 ) 隧道式单冻机 二氧化碳复叠系统 ................................. 6 5 )智能冷却设备二氧化碳复叠系统 ................................. 6 6 ) 、二氧化碳复叠、载冷系统末端蒸发器 ............................ 6 7 )、二氧化碳系统的安全 ......................................... 7 8 )、二氧化碳系统配置 ........................................... 7 4 、 NH3 制冷系统选型说明 ............................................. 7 1 ) 、 CO2 复叠、载冷系统高温级主机 ................................. 7 2 )、车间空调氨系统 ............................................. 8 3 ) 、预冷水氨系统 ................................................ 8 3 )、氨系统其它辅机 ............................................. 8 4 )、氨系统配置 ................................................. 9 三、电气系统方案设计说明 ................................................. 9 1 。 方案设计依据 ..................................................... 9 2 。 方案设计内容 ............................

1、当您付费下载文档后,您只拥有了使用权限,并不意味着购买了版权,文档只能用于自身使用,不得用于其他商业用途(如 [转卖]进行直接盈利或[编辑后售卖]进行间接盈利)。
2、本站所有内容均由合作方或网友上传,本站不对文档的完整性、权威性及其观点立场正确性做任何保证或承诺!文档内容仅供研究参考,付费前请自行鉴别。
3、如文档内容存在违规,或者侵犯商业秘密、侵犯著作权等,请点击“违规举报”。

碎片内容

肉鸡屠宰co2制冷技术方案

确认删除?
VIP
微信客服
  • 扫码咨询
会员Q群
  • 会员专属群点击这里加入QQ群
客服邮箱
回到顶部