电脑桌面
添加小米粒文库到电脑桌面
安装后可以在桌面快捷访问

船舶建造质量标准

船舶建造质量标准_第1页
1/71
船舶建造质量标准_第2页
2/71
船舶建造质量标准_第3页
3/71
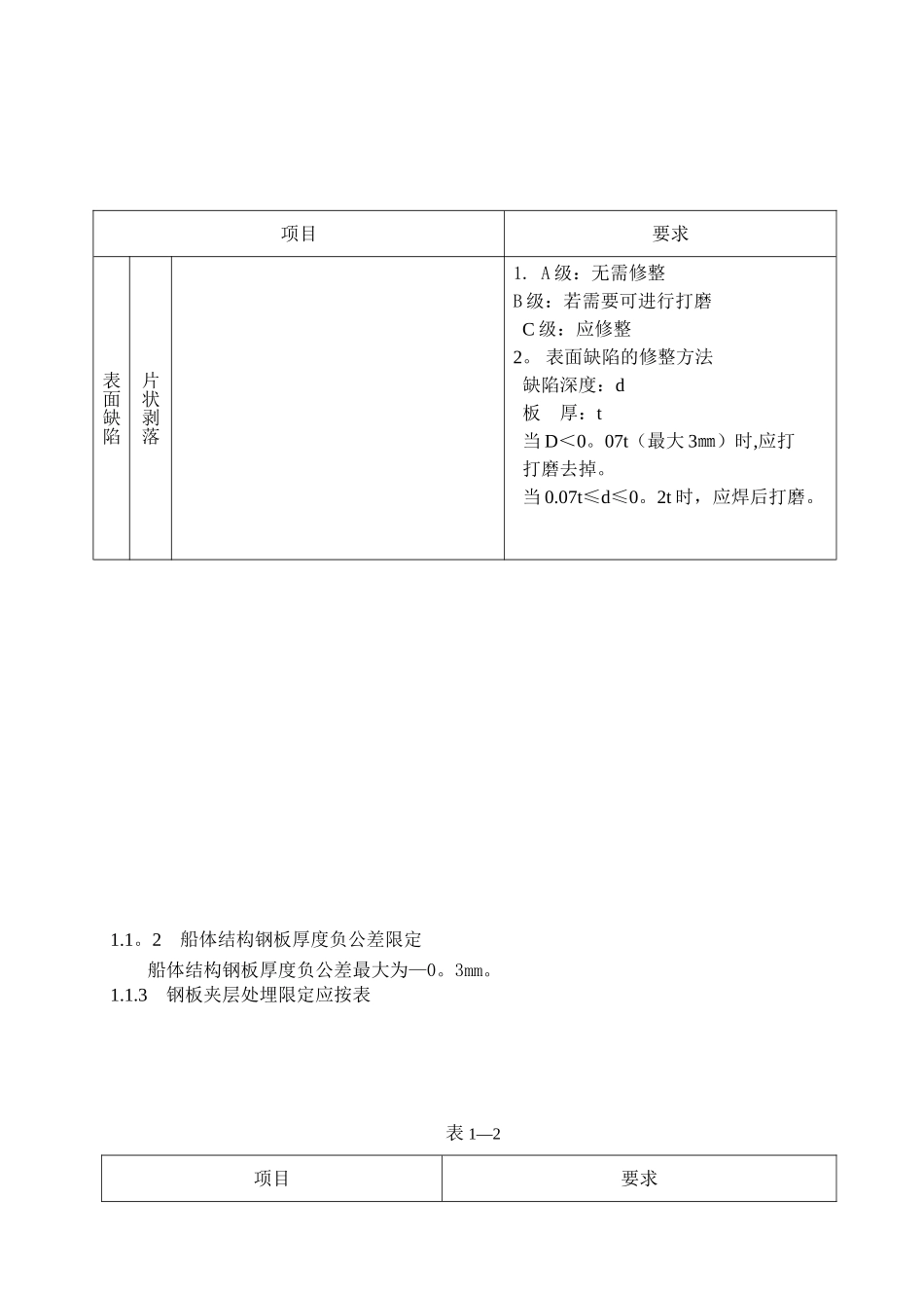
船舶建造质量标准建造精度范围本标准规定了船体建造、涂装和舾装的建造精度.本标准适用于 50000 吨以上以柴油机为动力的常规钢质海船的建造,对于 50000 吨以下或特别用途的船舶也可参照执行。1 船体建造1.1 钢材1.1。1 钢板表面缺陷的限定按表 1—1.表 1-1 项目要求表面缺陷麻点 1) A 级:无需修整2) B 级:(1) 外板外表面:打麻修整(若需要)(当不能用环氧树脂涂刷时,应进行打磨。 (2) 其它无需修整。3) C 级: 外板外表面:打麻修整4) D 级:与船东和船检协商后,再确定修整方法* 建议修整方法:焊接后打磨。5) 应减少在厚度允许限度之外打磨 区域大致不超过:(1) 单独打磨区域:0。25m2 (2)总打磨区域:总表面的 2%6) 焊接修整后的区域不超过:(1) 单独打磨区域:0。125m2(2) 总打磨区域:包括旁边的总表面区域的 2﹪. 1—2。 表 1—1(续) 1.1。2 船体结构钢板厚度负公差限定船体结构钢板厚度负公差最大为—0。3mm。1.1.3 钢板夹层处埋限定应按表 表 1—2项目要求项目要求表面缺陷片状剥落1. A 级:无需修整 B 级:若需要可进行打磨 C 级:应修整2。 表面缺陷的修整方法 缺陷深度:d 板 厚:t 当 D<0。07t(最大 3㎜)时,应打 打磨去掉。 当 0.07t≤d≤0。2t 时,应焊后打磨。 局部夹层(1) 夹层的范围比较小,可批除后再补焊,如(a)所示。夹层的范围比较小,且接近钢材表面,则批除后进行焊补,如(b)所示。(2) 在夹层情况比较严重的情况下,必须认真检验,实行相应方法修正。(3) 假如夹层焊补长度超过钢板边缘长度20%则需无损探伤检查焊补质量.严重夹层 (1) (1) 假如夹层范围相当广泛,则可更换一张钢板的一部份。(2) (2) 标准规格的钢板需更换的最小宽度或长度:外板和强力甲板:在舯 0.6L 区域内为 1600mm;在舯 0。6L 区域外为 800mm;其他结构件为 300mm 或板厚的 10 倍,取其大者。在个别情况下,可减到 50mm+4t;t 为钢板厚度,mm.(3) 假如夹层程度非常严重,且范围相当广泛,则整张钢板应更换。 1.1.4 铸钢表面缺陷处理限定按表 1-3。表 1-3项目要求缺 陷 深 度 为 厚 度 的 20 % 或 深 度 为25mm 以上及长度为 150mm 以上者。若发现空泡,裂纹或其它损伤缺陷,在除去缺陷后,应进行磁性探伤或超声波检验,并实行相应的修整方法。气孔、裂纹及其他有害缺陷。 1.2 划线1.2.1 零部件线条的位置偏差限定按表...

1、当您付费下载文档后,您只拥有了使用权限,并不意味着购买了版权,文档只能用于自身使用,不得用于其他商业用途(如 [转卖]进行直接盈利或[编辑后售卖]进行间接盈利)。
2、本站所有内容均由合作方或网友上传,本站不对文档的完整性、权威性及其观点立场正确性做任何保证或承诺!文档内容仅供研究参考,付费前请自行鉴别。
3、如文档内容存在违规,或者侵犯商业秘密、侵犯著作权等,请点击“违规举报”。

碎片内容

船舶建造质量标准

您可能关注的文档

确认删除?
VIP
微信客服
  • 扫码咨询
会员Q群
  • 会员专属群点击这里加入QQ群
客服邮箱
回到顶部