电脑桌面
添加小米粒文库到电脑桌面
安装后可以在桌面快捷访问

表:地槽验收记录

表:地槽验收记录_第1页
1/5
表:地槽验收记录_第2页
2/5
表:地槽验收记录_第3页
3/5
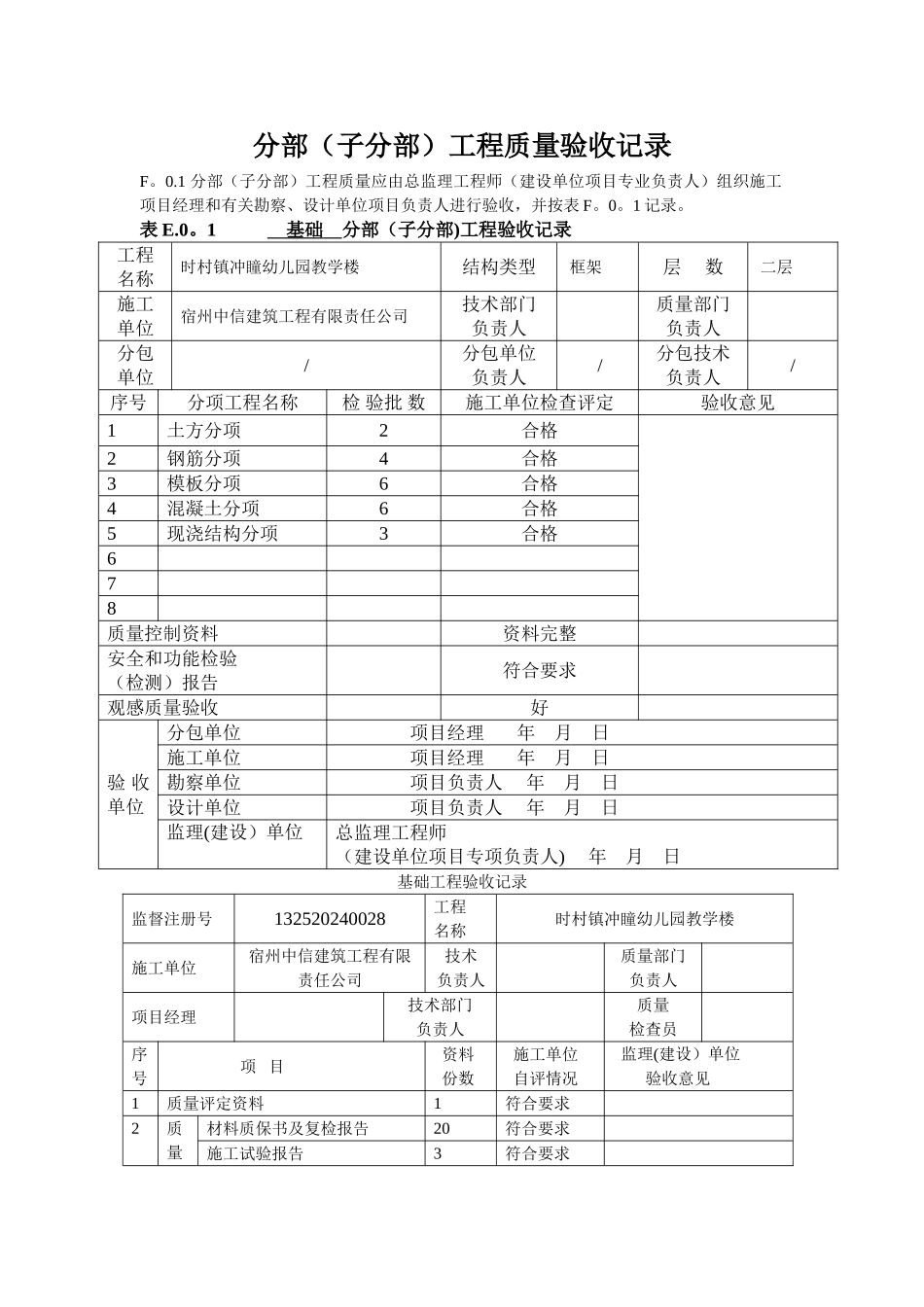
地槽(坑)验收记录监督注册号132520240028工程名称时村镇冲瞳幼儿园教学楼施工单位宿州中信建筑工程有限责任公司技术负责人质量部门负责人项目经理技术部门负责人质量检查员序号项目资料份数施工单位自评情况监理(建设)单位验收意见1质量验收结果合格2工程定位测量放线记录1工程定位符合规划要求3土质1土质符合勘察及设计要求 4轴线1轴线位移在允许范围内5标高±0 。 000 标高标高偏差在允许偏差范围内6绝对标高 7几何尺寸几何尺寸符合图纸要求验收结论:在建设、监理、质检、施工等有关单位共同验收,一致认为,土质与地质勘察报告相符,资料齐全,同意验收合格.参加验收单位施工单位项目经理或技术负责人:(签字) 年 月 日勘察单位项目负责人:(签字) 年 月 日设计单位项目负责人:(签字) 年 月 日监理单位总监:(签字) 年 月 日建设单位项目负责人:(签字) 年 月 日分部(子分部)工程质量验收记录F。0.1 分部(子分部)工程质量应由总监理工程师(建设单位项目专业负责人)组织施工项目经理和有关勘察、设计单位项目负责人进行验收,并按表 F。0。1 记录。表 E.0。1 基础 分部(子分部)工程验收记录工程名称时村镇冲瞳幼儿园教学楼结构类型 框架层 数 二层施工单位宿州中信建筑工程有限责任公司技术部门负责人质量部门负责人分包单位/分包单位负责人 /分包技术负责人/序号分项工程名称检 验批 数施工单位检查评定验收意见1土方分项2合格2钢筋分项4合格3模板分项6合格4混凝土分项6合格5现浇结构分项3合格678质量控制资料资料完整安全和功能检验(检测)报告符合要求观感质量验收好验 收单位分包单位 项目经理 年 月 日施工单位 项目经理 年 月 日勘察单位 项目负责人 年 月 日设计单位 项目负责人 年 月 日监理(建设)单位总监理工程师(建设单位项目专项负责人) 年 月 日基础工程验收记录监督注册号132520240028工程名称时村镇冲瞳幼儿园教学楼施工单位宿州中信建筑工程有限责任公司技术负责人质量部门负责人项目经理技术部门负责人 质量检查员序号项 目资料份数施工单位自评情况监理(建设)单位验收意见1质量评定资料1符合要求2质量材料质保书及复检报告20符合要求施工试验报告3符合要求控制资施工记录1符合要求隐蔽工程验收记录4符合要求预制构件、预拌砼合格证//地基基础检测报告符合要求3有见证检验测试结果23符合要求4地下室防水效果检查结果//5轴线、标高、几何尺寸2符合...

1、当您付费下载文档后,您只拥有了使用权限,并不意味着购买了版权,文档只能用于自身使用,不得用于其他商业用途(如 [转卖]进行直接盈利或[编辑后售卖]进行间接盈利)。
2、本站所有内容均由合作方或网友上传,本站不对文档的完整性、权威性及其观点立场正确性做任何保证或承诺!文档内容仅供研究参考,付费前请自行鉴别。
3、如文档内容存在违规,或者侵犯商业秘密、侵犯著作权等,请点击“违规举报”。

碎片内容

表:地槽验收记录

您可能关注的文档

确认删除?
VIP
微信客服
  • 扫码咨询
会员Q群
  • 会员专属群点击这里加入QQ群
客服邮箱
回到顶部