电脑桌面
添加小米粒文库到电脑桌面
安装后可以在桌面快捷访问

设备基础检查记录表

设备基础检查记录表_第1页
1/15
设备基础检查记录表_第2页
2/15
设备基础检查记录表_第3页
3/15
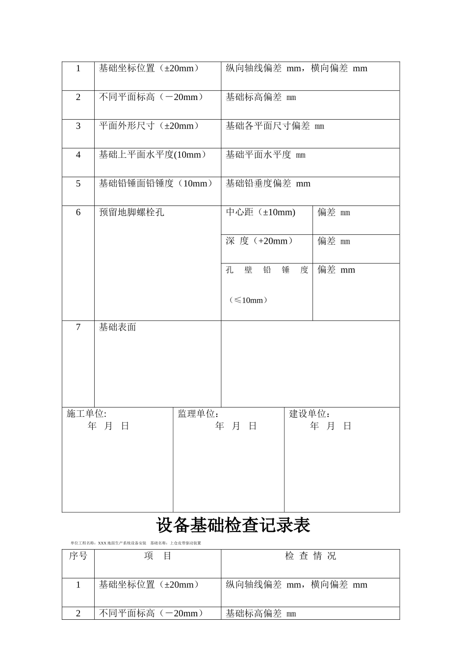
设备基础检查记录表单位工程名称:XXX 地面生产系统设备安装 基础名称:低压变频柜安装 序号项 目检 查 情 况1纵向轴线偏差 mm,横向偏差 mm2不同平面标高(-20mm)基础标高偏差 mm3平面外形尺寸(±20mm)基础各平面尺寸偏差 mm4基础上平面水平度(10mm)基础平面水平度 mm5基础铅锤面铅锤度(10mm)基础铅垂度偏差 mm6预留地脚螺栓孔中心距(±10mm)偏差 mm深 度(+20mm)偏差 mm孔壁铅锤度(≤10mm)偏差 mm7基础表面施工单位: 年 月 日监理单位:年 月 日建设单位: 年 月 日设备基础检查记录表单位工程名称:XXX 地面生产系统设备安装 基础名称:上仓皮带机尾序号项 目检 查 情 况1基础坐标位置(±20mm)纵向轴线偏差 mm,横向偏差 mm2不同平面标高(-20mm)基础标高偏差 mm3平面外形尺寸(±20mm)基础各平面尺寸偏差 mm4基础上平面水平度(10mm)基础平面水平度 mm5基础铅锤面铅锤度(10mm)基础铅垂度偏差 mm6预留地脚螺栓孔中心距(±10mm)偏差 mm深 度(+20mm)偏差 mm孔壁铅锤度(≤10mm)偏差 mm7基础表面施工单位: 年 月 日监理单位:年 月 日建设单位: 年 月 日设备基础检查记录表单位工程名称:XXX 地面生产系统设备安装 基础名称:上仓皮带驱动装置序号项 目检 查 情 况1基础坐标位置(±20mm)纵向轴线偏差 mm,横向偏差 mm2不同平面标高(-20mm)基础标高偏差 mm3平面外形尺寸(±20mm)基础各平面尺寸偏差 mm4基础上平面水平度(10mm)基础平面水平度 mm5基础铅锤面铅锤度(10mm)基础铅垂度偏差 mm6预留地脚螺栓孔中心距(±10mm)偏差 mm深 度(+20mm)偏差 mm孔壁铅锤度(≤10mm)偏差 mm7基础表面施工单位: 年 月 日监理单位:年 月 日建设单位: 年 月 日设备基础检查记录表单位工程名称:XXX 地面生产系统设备安装 基础名称:上仓皮带拉紧装置序号项 目检 查 情 况1基础坐标位置(±20mm)纵向轴线偏差 mm,横向偏差 mm2不同平面标高(-20mm)基础标高偏差 mm3平面外形尺寸(±20mm)基础各平面尺寸偏差 mm4基础上平面水平度(10mm)基础平面水平度 mm5基础铅锤面铅锤度(10mm)基础铅垂度偏差 mm6预留地脚螺栓孔中心距(±10mm)偏差 mm深 度(+20mm)偏差 mm孔壁铅锤度(≤10mm)偏差 mm7基础表面施工单位: 年 月 日监理单位:年 月 日建设单位: 年 月 日设备基础检查记录表单位工程名称:XXX 地面生产系统设备安装 ...

1、当您付费下载文档后,您只拥有了使用权限,并不意味着购买了版权,文档只能用于自身使用,不得用于其他商业用途(如 [转卖]进行直接盈利或[编辑后售卖]进行间接盈利)。
2、本站所有内容均由合作方或网友上传,本站不对文档的完整性、权威性及其观点立场正确性做任何保证或承诺!文档内容仅供研究参考,付费前请自行鉴别。
3、如文档内容存在违规,或者侵犯商业秘密、侵犯著作权等,请点击“违规举报”。

碎片内容

设备基础检查记录表

MY shop+ 关注
实名认证
内容提供者

欢迎挑选适合自己的材料。

确认删除?
VIP
微信客服
  • 扫码咨询
会员Q群
  • 会员专属群点击这里加入QQ群
客服邮箱
回到顶部