电脑桌面
添加小米粒文库到电脑桌面
安装后可以在桌面快捷访问

设备工程部热控维护班班长岗位说明书

设备工程部热控维护班班长岗位说明书_第1页
1/5
设备工程部热控维护班班长岗位说明书_第2页
2/5
设备工程部热控维护班班长岗位说明书_第3页
3/5
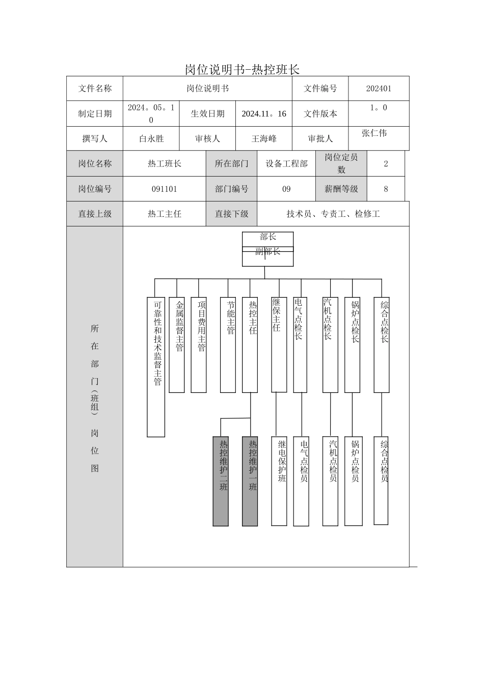
岗位说明书-热控班长文件名称岗位说明书文件编号202401制定日期2024。05。10生效日期2024.11。16文件版本1。0撰写人白永胜审核人王海峰审批人张仁伟岗位名称热工班长所在部门设备工程部岗位定员数2岗位编号091101部门编号09薪酬等级8直接上级热工主任直接下级技术员、专责工、检修工所 在 部 门(班组) 岗 位 图部长锅炉点检长节能主管热控主任综合点检长电气点检员继保主任电气点检长汽机点检长汽机点检员锅炉点检员热控维护一班继电保护班金属监督主管项目费用主管副部长综合点检员可靠性和技术监督主管热控维护二班工作概述依据张家口热电的各项规章制度,设备工程部、安监部的有关规定,协助部长、主任或专工完成热工维护班所管辖设备、人身安全、文明生产工作,指导监督班组安全、技术监督管理工作,搞好班组建设,协助完成设备工程部的各项工作目标。岗位职责序号工作项目具体职责工作绩效标准1班组管理制度建设建立健全班组各项生产管理制度,法律规范支撑班组各项生产管理活动。建立完善、法律规范的班组管理体系2安全管理做好班组的安全管理工作,做好热控维护班组员工的安全思想教育工作,完成设备工程部的安全生产的各项管理目标。安全生产责任制层层落实,到位。3台帐管理按规定仔细做好设备到厂、安装、调试和施工现场的安全情况,投产后做好班长日志,设备缺陷记录,设备检修记录和设备巡回检查记录以及其它台帐和记录。健全和完善标准化工作、技术台帐管理4计划管理编制、审核班组年度工作计划、安全、技术培训计划、机组检修工作计划、专业层面的各种计划、总结。并实行有效措施,确保各项经营指标的完成.计划制定合理、及时、准确5工程管理做好基建期间的设备、图纸催交催运,对施工现场的安全负责,对设备的安装质量负责,对设备的调试运行进行监督管理。组织签定本专业备品配件技术协议、校对本专业备品配件图纸,完成检修计划及项目的申报、检修文件准备、检修计划的总结及经验反馈工作,组织或负责本专业技改项目和非标项目的可研、设计、施工、验收、总结等工作。参加重大技改项目的方案论证工作。保证工程实施过程中的安全、质量、进度法律规范6基建安装参加对新设备到场验收,根据图纸计划及时将图纸催到场,根据网络图及节点工期将设备催运到场,把好设备安装质量关,控制安装进度。不发生图纸及设备拖延到场耽误工期。7分步调试组织安装公司,设备厂家,调试队伍,集控运行根据调试运行大纲要求做好分步调试运行工作。严...

1、当您付费下载文档后,您只拥有了使用权限,并不意味着购买了版权,文档只能用于自身使用,不得用于其他商业用途(如 [转卖]进行直接盈利或[编辑后售卖]进行间接盈利)。
2、本站所有内容均由合作方或网友上传,本站不对文档的完整性、权威性及其观点立场正确性做任何保证或承诺!文档内容仅供研究参考,付费前请自行鉴别。
3、如文档内容存在违规,或者侵犯商业秘密、侵犯著作权等,请点击“违规举报”。

碎片内容

设备工程部热控维护班班长岗位说明书

办公文档专营+ 关注
实名认证
内容提供者

大量办公文档,欢迎选择

确认删除?
VIP
微信客服
  • 扫码咨询
会员Q群
  • 会员专属群点击这里加入QQ群
客服邮箱
回到顶部