电脑桌面
添加小米粒文库到电脑桌面
安装后可以在桌面快捷访问

35kV动态无功补偿成套装置

35kV动态无功补偿成套装置_第1页
1/27
35kV动态无功补偿成套装置_第2页
2/27
35kV动态无功补偿成套装置_第3页
3/27
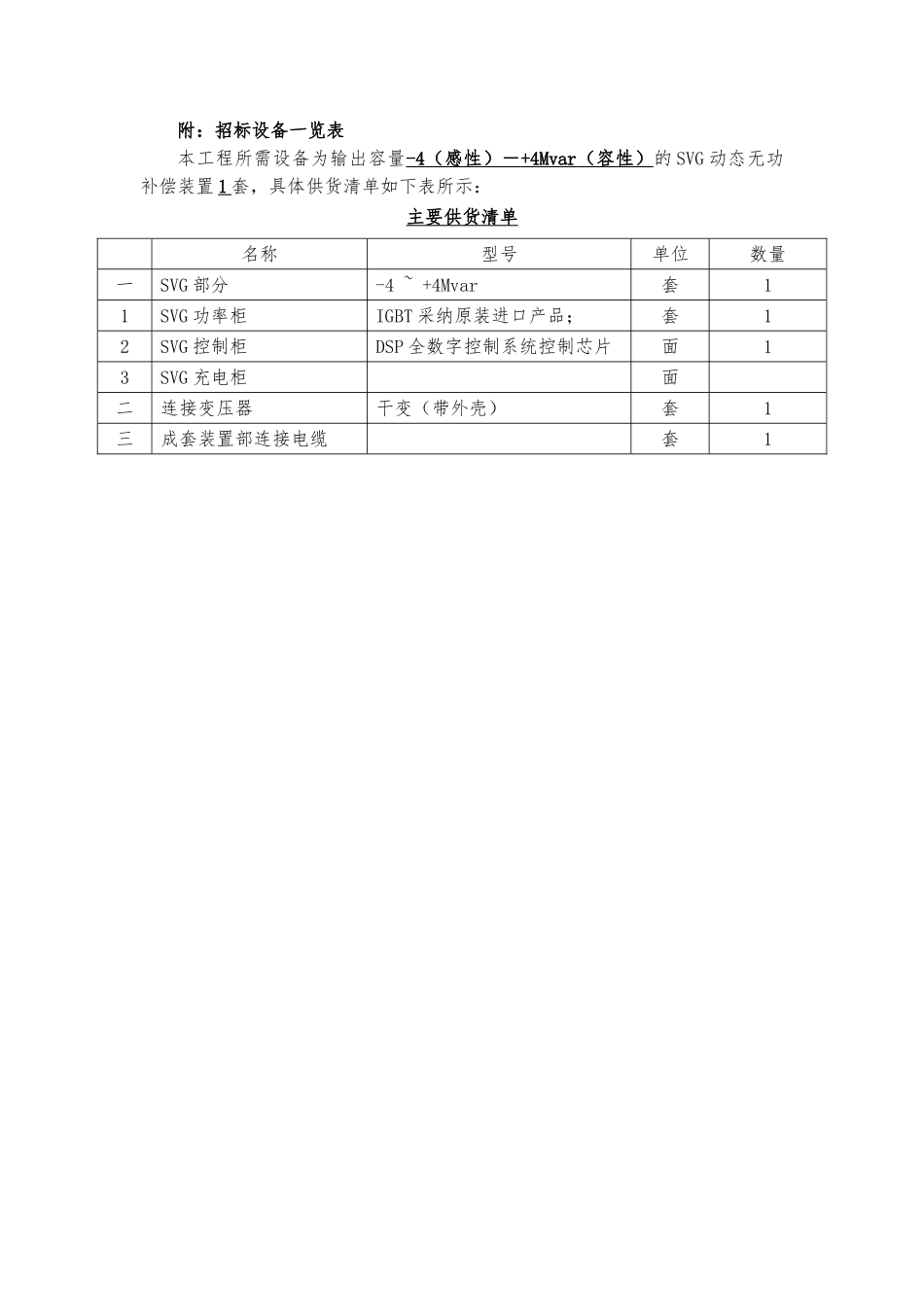
34-F5161CBB-D1-06中国能建太和县大寨 20MW 农光互补项目35kV 动态无功补偿成套装置(SVG 装置)技术规书中国能源建设集团省电力甲级工程咨询书编号:工咨甲甲级工程设计证书编号:A134002612甲级工程勘察综合类证书编号:B1340026122024 年 1 月附:招标设备一览表本工程所需设备为输出容量-4 (感性)- +4Mvar (容性) 的 SVG 动态无功补偿装置 1 套,具体供货清单如下表所示: 主要供货清单名称型号单位数量一SVG 部分-4 ~ +4Mvar套11SVG 功率柜IGBT 采纳原装进口产品;套12SVG 控制柜DSP 全数字控制系统控制芯片面13SVG 充电柜面二连接变压器干变(带外壳)套1三成套装置部连接电缆套1目 录一 总则二 标准和规三 工程概况四 技术规五 设计分界点六 需要买方配合的工作七 供货围八 设备监造(检验)和性能验收试验九 技术服务与培训十 包装、运输和贮存十一 设备、技术资料交付进度一 总则1)投标人应具备招标公告所要求的资质,具体资质要求详见招标文件的商务部分。2)投标人须认真阅读包括本技术规阐述的全部条款。投标人提供的设备应符合技术规所规定的要求。3)投标人保证提供的产品符合安全、健康、环保标准的要求。投标人对成套设备(含辅助系统与设备)负有全部技术与质量责任,包括分包(或采购)的设备和零部件。 招标人有权参加分包、外购设备的采购技术谈判,投标人和招标人协商,最终招标人确定分包厂家,但技术上由投标人负责归口协调。4)本技术规提出了对 SVG 的技术参数、性能、结构、试验等方面的技术要求。5)本技术规提出的是最低限度的技术要求,并未对一切技术细节做出规定,也未充分引述有关标准和规的条文,投标人应提供符合本技术规引用标准的最新版本标准和本招标文件技术要求的全新产品,假如所引用的标准之间不一致或本招标文件所使用的标准如与投标人所执行的标准不一致时,按要求较高的标准执行。6)假如投标人没有以书面形式对本招标文件技术规的条文提出差异,则意味着投标人提供的设备完全符合本招标文件的要求。如有与本招标文件要求不一致的地方,必须逐项在“技术差异表”中列出。7)本技术规将作为订货合同的附件,与合同具有同等的法律效力。本技术规未尽事宜,由合同签约双方在合同谈判时协商确定。8)若投标人所提供的技术资料协议前后有不一致的地方,以有利于设备安装运行、工程质量为原则,由招标人确定。9) 本招标书中涉与有关商务方面的容,如与招标文件的商务部...

1、当您付费下载文档后,您只拥有了使用权限,并不意味着购买了版权,文档只能用于自身使用,不得用于其他商业用途(如 [转卖]进行直接盈利或[编辑后售卖]进行间接盈利)。
2、本站所有内容均由合作方或网友上传,本站不对文档的完整性、权威性及其观点立场正确性做任何保证或承诺!文档内容仅供研究参考,付费前请自行鉴别。
3、如文档内容存在违规,或者侵犯商业秘密、侵犯著作权等,请点击“违规举报”。

碎片内容

35kV动态无功补偿成套装置

您可能关注的文档

确认删除?
VIP
微信客服
  • 扫码咨询
会员Q群
  • 会员专属群点击这里加入QQ群
客服邮箱
回到顶部