电脑桌面
添加小米粒文库到电脑桌面
安装后可以在桌面快捷访问

企业成本费用精细化管理标准流程教材

企业成本费用精细化管理标准流程教材_第1页
1/41
企业成本费用精细化管理标准流程教材_第2页
2/41
企业成本费用精细化管理标准流程教材_第3页
3/41
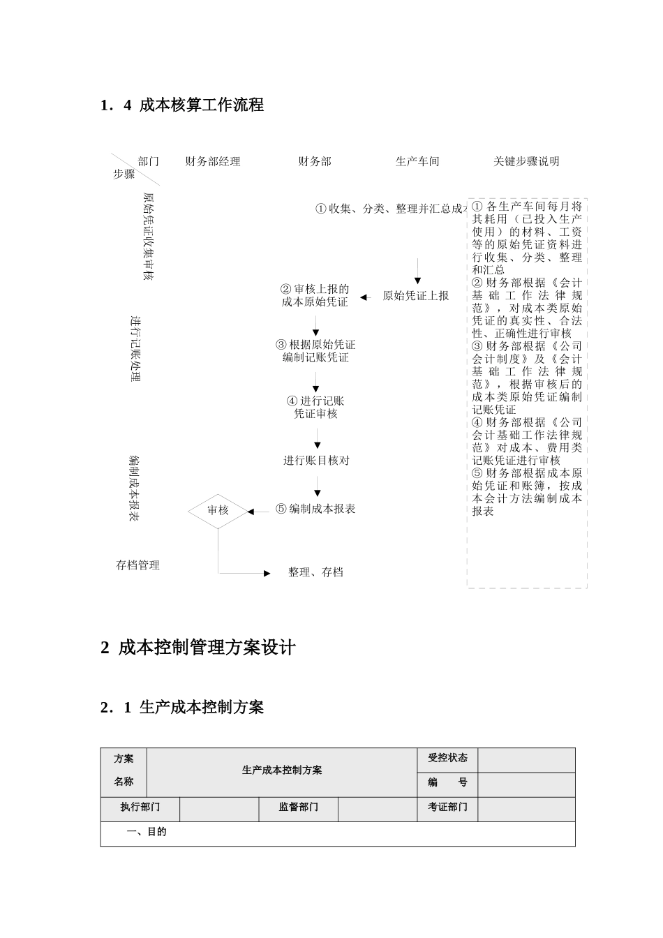
企业在生产过程中产生各类实际的生产成本产品成本分析专员对产品的标准成本进行计算和分析成本分析专员针对可能产生的各类成本差异编写成本控制报告成本分析专员对可能产生的成本差异进行调查、分析成本分析专员汇总各类产品的实际成本数据,同标准成本进行比较,提出下一步的产品成本改进建议汇总产品实际成本数据发生实际成本进行标准成本计算进行成本差异调查、分析提出成本差异控制报告对控制报告进行审核、审批进行成本差异处理成本分析专员和生产管理人员根据成本分析报告对实际生产活动中产生的各类成本差异进行处理,确保将成本控制在合理的范围内2 .1 .生产经理对成本差异分析报告进行审核,提出修改完善意见2 .生产总监对成本差异分析报告进行审批企业成本费用精细化管理标准流程1 成本控制管理业务流程1.1 标准成本管理流程 部门步骤财务部经理存档管理原始凭证收集审核进行记账处理编制成本报表关键步骤说明财务部生产车间① 收集、分类、整理并汇总成本原始凭证① 各生产车间每月将其耗用(已投入生产使用)的材料、工资等的原始凭证资料进行收集、分类、整理和汇总② 财务部根据《会计基 础 工 作 法 律 规范》,对成本类原始凭证的真实性、合法性、正确性进行审核③ 财务部根据《公司会计制度》及《会计基 础 工 作 法 律 规范》,根据审核后的成本类原始凭证编制记账凭证④ 财务部根据《公司会计基础工作法律规范》对成本、费用类记账凭证进行审核⑤ 财务部根据成本原始凭证和账簿,按成本会计方法编制成本报表② 审核上报的成本原始凭证③ 根据原始凭证编制记账凭证④ 进行记账凭证审核进行账目核对整理、存档⑤ 编制成本报表原始凭证上报审核1.4 成本核算工作流程2 成本控制管理方案设计2.1 生产成本控制方案方案名称生产成本控制方案受控状态编 号执行部门监督部门考证部门一、目的为了实施对生产成本的法律规范化管理,将企业成本控制在合理的范围内,特制定本方案。二、生产成本预算编制(一)生产成本预算编制程序各有关部门根据预算编制的要求,在每年 11 月份,向财务部提供下一年度及每月的成本预算资料,财务部于每年 12 月份编制下一年度成本预算,经总经理审查后,于 12 月底上报董事长,经批准后贯彻执行。(二)生产成本的预算编制分工财务部负责组织整个企业成本预算的编制。与生产成本有关的各专业管理部门根据职责分工,分别负责生产技术经济指标的制定、分管专业和...

1、当您付费下载文档后,您只拥有了使用权限,并不意味着购买了版权,文档只能用于自身使用,不得用于其他商业用途(如 [转卖]进行直接盈利或[编辑后售卖]进行间接盈利)。
2、本站所有内容均由合作方或网友上传,本站不对文档的完整性、权威性及其观点立场正确性做任何保证或承诺!文档内容仅供研究参考,付费前请自行鉴别。
3、如文档内容存在违规,或者侵犯商业秘密、侵犯著作权等,请点击“违规举报”。

碎片内容

企业成本费用精细化管理标准流程教材

一二三四传媒+ 关注
实名认证
内容提供者

大量资料供您选择,没有合适的可以联系小二。

确认删除?
VIP
微信客服
  • 扫码咨询
会员Q群
  • 会员专属群点击这里加入QQ群
客服邮箱
回到顶部