电脑桌面
添加小米粒文库到电脑桌面
安装后可以在桌面快捷访问

分户验收2号实施指南相关表格VIP专享

分户验收2号实施指南相关表格_第1页
1/29
分户验收2号实施指南相关表格_第2页
2/29
分户验收2号实施指南相关表格_第3页
3/29
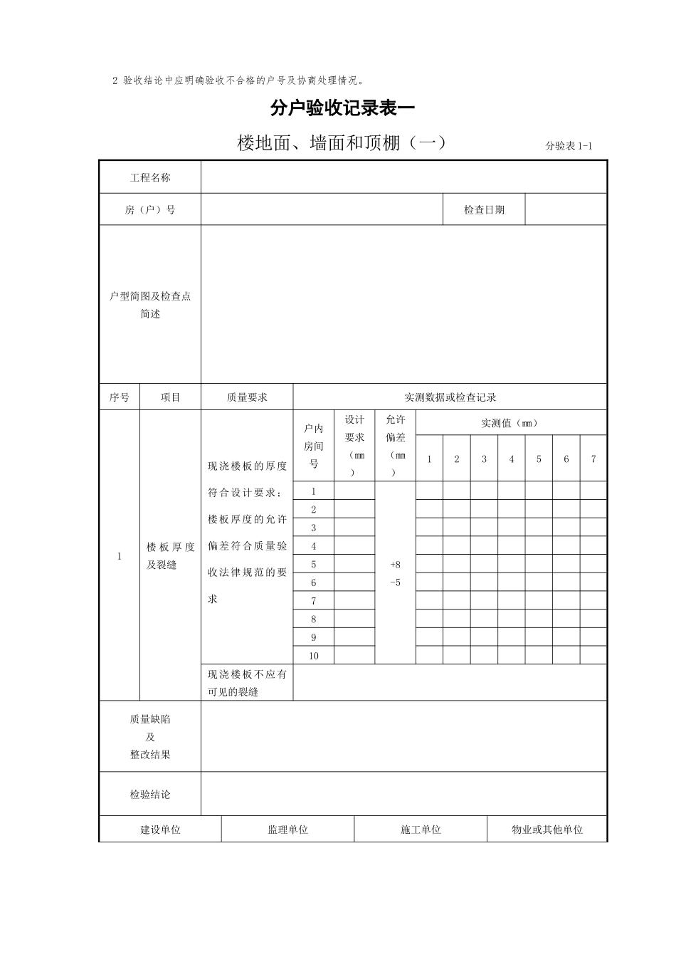
住宅工程质量分户验收表分验户表工程名称 房(户)号 建设单位 验收日期施工单位 监理单位序号验收项目主 要 验 收 内 容验 收 记 录1楼地面、墙面和顶棚地面裂缝、空鼓,墙面和顶棚爆灰、空鼓、裂缝,装饰图案、缝格、色泽、表面干净2门 窗窗台高度、渗水、门窗启闭、玻璃安装3栏 杆栏杆高度、间距、安装牢固、防攀爬措施4防水工程屋面渗水、厨卫间渗水、阳台地面渗水、外墙渗水5室内主要空间尺寸开间净尺寸、室内净高6给排水工程管道渗水、管道坡向、安装固定、地漏水封、给水口位置7电气工程接地、相位、控制箱配置,开关、插座位置8建筑节能保温层厚度、固定措施9其 它烟道、通风道、邮政信报箱等分户验收结论 建设单位施工单位监理单位物业或其他单位项目负责人:验收人员: 年 月 日项目经理:验收人员: 年 月 日总监理工程师:验收人员: 年 月 日项目负责人:验收人员: 年 月 日重庆市建设工程质量监督总站监制住宅工程质量分户验收汇总表分验汇总表工程名称 建筑面积 建设单位 结构及层数施工单位 验收户数监理单位最终验收日期内容验收情况检验项目情况本工程已根据《重庆市住宅工程质量分户验收管理办法》要求,进行了分户验收。对屋面进行了 24 小时蓄水(2 小时淋水)试验,发现屋面渗漏 处;外窗及外墙进行了 试验,发现外窗渗水 个,外墙渗水 处;室内有防水要求的房间进行了 24 小时蓄水试验 间,发现渗漏 间;室内有排水要求的房间和阳台进行了排水试验 间,发现积水和渗水 间。以上检查过程中发现的问题经整改后均已重新检查验收合格。室内共有 户,验收合格 户,验收不合格 户;公共部分 层,验收合格 层,验收不合格 层。 验收结论 建设单位施工单位监理单位物业或其他单位项目负责人: (公章) 年 月 日项目经理: 年 月 日总监理工程师: 年 月 日项目负责人: 年 月 日注:1 本表完善后由工程建设各方留存并送质量监督机构备案。2 验收结论中应明确验收不合格的户号及协商处理情况。分户验收记录表一楼地面、墙面和顶棚(一) 分验表 1-1工程名称房(户)号检查日期户型简图及检查点简述序号项目质量要求实测数据或检查记录1楼 板 厚 度及裂缝现浇楼板的厚度符合设计要求;楼板厚度的允许偏差符合质量验收法律规范的要求户内房间号设计要求(㎜)允许偏差(㎜)实测值(㎜)12345671+8-52345678910现浇楼板不应有可见的裂缝质量缺陷及整改结果...

1、当您付费下载文档后,您只拥有了使用权限,并不意味着购买了版权,文档只能用于自身使用,不得用于其他商业用途(如 [转卖]进行直接盈利或[编辑后售卖]进行间接盈利)。
2、本站所有内容均由合作方或网友上传,本站不对文档的完整性、权威性及其观点立场正确性做任何保证或承诺!文档内容仅供研究参考,付费前请自行鉴别。
3、如文档内容存在违规,或者侵犯商业秘密、侵犯著作权等,请点击“违规举报”。

碎片内容

分户验收2号实施指南相关表格

确认删除?
VIP
微信客服
  • 扫码咨询
会员Q群
  • 会员专属群点击这里加入QQ群
客服邮箱
回到顶部