电脑桌面
添加小米粒文库到电脑桌面
安装后可以在桌面快捷访问

危险废物管理计划[企业最新]

危险废物管理计划[企业最新]_第1页
1/15
危险废物管理计划[企业最新]_第2页
2/15
危险废物管理计划[企业最新]_第3页
3/15
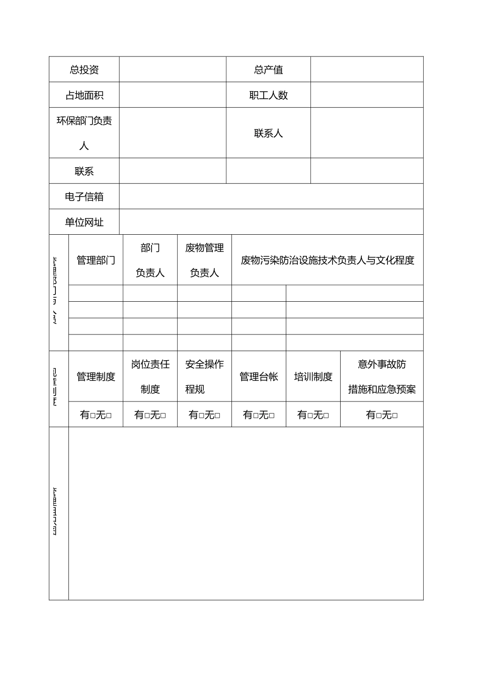
企业危险废物管理计划单位名称(盖章):制 定 日 期: 年 月 日计 划 期 限: 年 月 日 至 年 月 日表 1 基本信息单位名称单位注册地址生产设施地址法定代表人行业类别与代码总投资总产值占地面积职工人数环保部门负责人联系人联系电子信箱单位网址管理部门与人员管理部门部门负责人废物管理负责人废物污染防治设施技术负责人与文化程度规章制度管理制度岗位责任制度安全操作规程管理台帐培训制度意外事故防措施和应急预案有□无□有□无□有□无□有□无□有□无□有□无□管理组织图表 2 产品生产概况原辅材料与消耗量序号原辅材料名称上年度消耗量(吨/年)序号原辅材料名称本年度计划消耗量(吨/年)生产设备与数量序号设备名称上年度数量(台)序号设备名称本年度数量(台)产品与产量序号产品名称上年度产量(吨/年)序号产品名称本年度计划产量(吨/年)生产工艺流程图与工艺说明表 3 危险废物产生概况序号废物名称废物代码废物类别有害物质名称物理性状危险特性本年度计划产生量(吨)上年度实际产生量(吨)来源与产生工序12345678910合计—表 4 危险废物减量化计划和措施减少危险废物产生量的计划序号危险废物名称本年度计划产生量(吨)备注12345678910合计减少危险废物危害性的计划减少危险废物产生量和危害性的措施可以包括以下几个方面:改进设计、采纳先进的工艺技术和设备、使用清洁的能源和原料、改善管理、危险废物综合利用、提高污染防治水平等。表 5 危险废物转移情况1、贮存场所是否符合《危险废物贮存污染控制标准》有关要求:是□ 否□2、是否按危险废物特性分类收集、贮存:是□ 否□3、是否混合贮存未经安全性处置且性质不相容的危险废物:是□ 否□4、是否将危险废物混入非危险废物中贮存:是□ 否□5、是否通过建设项目环境影响评价审批与竣工环境保护验收:是□ 否□危险废物贮存设施现状设施名称数量类型面积贮存能力贮存危险废物情况名称类别拟贮存量(吨)上年度贮存量(吨)截至上年度年底累计贮存量(吨)贮存原因贮存过程中实行的污染防治和事故预防措施运输措施1、运输过程中是否遵守危险货物运输管理的规定:是□ 否□2、是否按危险废物特性分类运输:是□ 否□3、是否委托运输:是□ 否□4、单位名称: 运输资质:运输过程中实行的污染防治措施(如自行运输危险废物的,还应包括工具种类、载重量、使用年限等)转移计划包括拟转移危险废物种类、数量,拟接收危险废物的单位等表 6 危险...

1、当您付费下载文档后,您只拥有了使用权限,并不意味着购买了版权,文档只能用于自身使用,不得用于其他商业用途(如 [转卖]进行直接盈利或[编辑后售卖]进行间接盈利)。
2、本站所有内容均由合作方或网友上传,本站不对文档的完整性、权威性及其观点立场正确性做任何保证或承诺!文档内容仅供研究参考,付费前请自行鉴别。
3、如文档内容存在违规,或者侵犯商业秘密、侵犯著作权等,请点击“违规举报”。

碎片内容

危险废物管理计划[企业最新]

人从众+ 关注
实名认证
内容提供者

欢迎光临小店,本店以公文和教育为主,希望符合您的需求。

确认删除?
VIP
微信客服
  • 扫码咨询
会员Q群
  • 会员专属群点击这里加入QQ群
客服邮箱
回到顶部