电脑桌面
添加小米粒文库到电脑桌面
安装后可以在桌面快捷访问

危险废物管理计划[范本]

危险废物管理计划[范本]_第1页
1/17
危险废物管理计划[范本]_第2页
2/17
危险废物管理计划[范本]_第3页
3/17
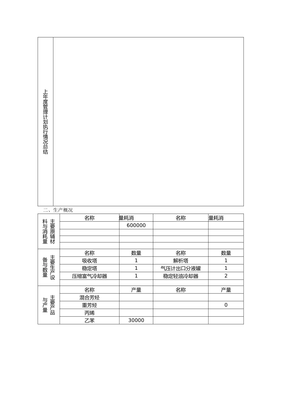
(本)危险废物管理计划制定单位(盖章):制定日期: 2024 年 1 月 1 日 计划期限: 2024 年 1 月 1 日至 2024 年 12 月 31 日 一、单位概况单位名称单位注册地址生产设施地址法定代表人或负责人注册资金总投资产品销售额占地面积职工人数环保部门负责人联系人联系0电子信箱邮政编码2单位网址上年度管理计划执行情况总结二、生产概况主要原辅材料与消耗量名称消耗量名称消耗量600000主要生产设备与数量名称数量名称数量吸收塔1解析塔1稳定塔1气压计出口分液罐1压缩富气冷却器1稳定轻油冷却器2主要产品与产量名称产量名称产量混合芳烃重芳烃0丙烯乙苯30000生产工艺流程图与工艺说明三、危险废物产生预测废物名称废物代码废物类别有害物质名称与含量物理形态危险特性数量单位来源与产生工序HW08有机物、微生物固态其他T污水处理2HW46固态其他T反应器产生工序主要生产工艺流程图与工艺说明四、危险废物污染治理设施概况危险废物贮存设施(经营企业应进一步区分为:新产生的危险废物贮存设施与接收的危险废物贮存设施)贮存设施名称贮存设施位置最大贮存能力 40 (面积或容积)贮存容器数量与规格贮存计划临时储存废催化剂贮存设施位置图与现状照片危险废物标识设置情况悬挂固废警示牌贮存设施存在问无分馏系统气体分馏题与整改计划注:以上表格可复制,有多个贮存设施应分别填写。危险废物利用处置设施利用处置设施名称利用处置设施位置(附图与照片)总投资设计运行能力设计使用年限投入运行时间上年度处置(利用)量主要设备与数量处置(利用)危险废物的名称处置(利用)效果污染治理达标情况利用处置计划利用处置工艺存在问题与改进措施注:以上表格可复制,有多个利用处置设施应分别填写。五、危险废物管理体系管理部门与人员管理部门部门负责人废物管理负责人贮存、运输、处置设施技术负责人与文化程度工作职责固废管理工作规章制度管理制度岗位责任制度安全操作规程管理台帐培训制度意外事故的防措施和应急预案有√无□有√无□有√无□有√无□有√无□有√无□管理组织图六、减少危险废物产生量和危害性减少废物产生量废物名称上年度产生量(吨)本年度目标量(吨)污泥0.23废催化剂00总量03成员:成员:成员:成员:成员:成员:成员:成员:成员:成员:成员:成员:成员:减少废物危害性1.对员工做好危险废物知识培训,增加危险废物安全管理与处置意识;2.对产生的危险废物与时送往有资质的单位处置;3.尽量采纳无...

1、当您付费下载文档后,您只拥有了使用权限,并不意味着购买了版权,文档只能用于自身使用,不得用于其他商业用途(如 [转卖]进行直接盈利或[编辑后售卖]进行间接盈利)。
2、本站所有内容均由合作方或网友上传,本站不对文档的完整性、权威性及其观点立场正确性做任何保证或承诺!文档内容仅供研究参考,付费前请自行鉴别。
3、如文档内容存在违规,或者侵犯商业秘密、侵犯著作权等,请点击“违规举报”。

碎片内容

危险废物管理计划[范本]

文森传品+ 关注
实名认证
内容提供者

一家传播文化教育的小店,资料丰富,随意挑选。

确认删除?
VIP
微信客服
  • 扫码咨询
会员Q群
  • 会员专属群点击这里加入QQ群
客服邮箱
回到顶部