电脑桌面
添加小米粒文库到电脑桌面
安装后可以在桌面快捷访问

日产5万立方米造纸废水处理工艺的课程设计报告

日产5万立方米造纸废水处理工艺的课程设计报告_第1页
1/25
日产5万立方米造纸废水处理工艺的课程设计报告_第2页
2/25
日产5万立方米造纸废水处理工艺的课程设计报告_第3页
3/25
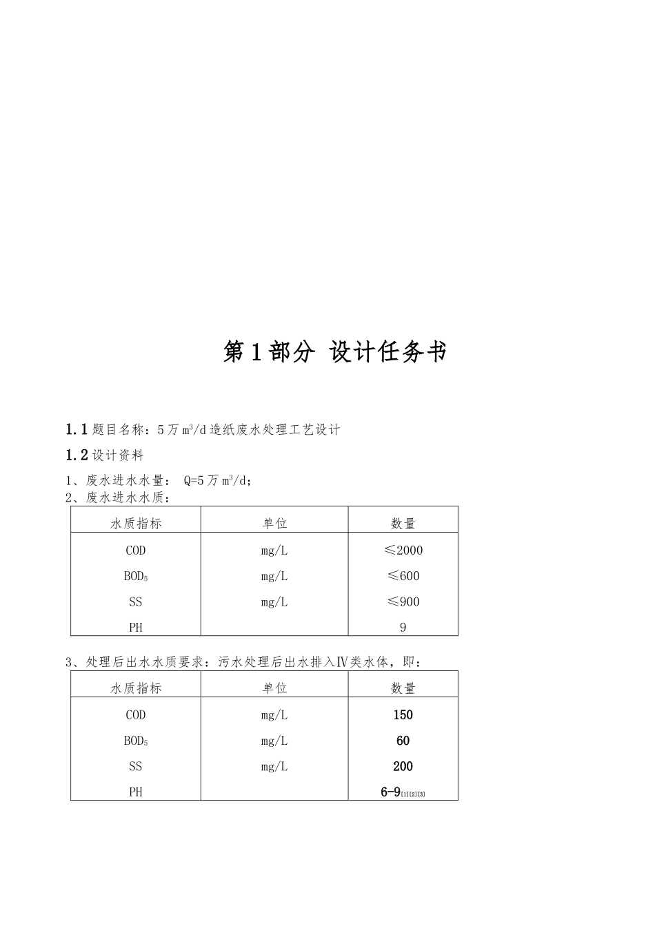
课程设计题 目 5 万 m 3 /d 造纸废水处理工艺设计 课 程 名 称: 环境与生物工程学院 院(系、部):环境工程系 专 业: 环境工程班 级: 0902 学 号: 09310226 姓 名: 梦 起 止 日 期:2024- 8 - 21 ~ 2024- 9 - 10 指 导 教 师: 廉今兰成 绩目录第 1 部分 设计任务书 ……………………………………………………………41.1 题目名称 ……………………………………………………………………41.2 设计资料 ……………………………………………………………………41.3 设计容 ……………………………………………………………………4第 2 部分 污水处理流程说明 ……………………………………………………52.1 关于造纸废水处理 ……………………………………………………………5 2.2 造纸废水处理的讨论方案 ……………………………………………………5 2.3 工艺确定 ……………………………………………………………………82.4 处理工艺流程图 ………………………………………………………………8 2.5 污泥处理方案的确定 …………………………………………………………9第 3 部分 处理主要构筑物设计 …………………………………………………11 3.1 格 栅 ……………………………………………………………………11 3.2 集 水 井 ……………………………………………………………………11 3.3 沉 砂 池 ……………………………………………………………………11 3.4 升流式厌氧污泥反应床 (UASB)………………………………………………113.5 曝 气 池 ……………………………………………………………………11 3.6 二 沉 池 ………………………………………………………………………11 3.7 污泥浓缩池 ……………………………………………………………………12 3.8 带式压滤机 ……………………………………………………………………12第 4 部分 工艺计算 ……………………………………………………………13 4.1 格 栅 ………………………………………………………………………13 4.2 集水池 ………………………………………………………………………15 4.3 沉 砂 池 ……………………………………………………………………15 4.4 UASB ……………………………………………………………………174.5 曝 气 池...

1、当您付费下载文档后,您只拥有了使用权限,并不意味着购买了版权,文档只能用于自身使用,不得用于其他商业用途(如 [转卖]进行直接盈利或[编辑后售卖]进行间接盈利)。
2、本站所有内容均由合作方或网友上传,本站不对文档的完整性、权威性及其观点立场正确性做任何保证或承诺!文档内容仅供研究参考,付费前请自行鉴别。
3、如文档内容存在违规,或者侵犯商业秘密、侵犯著作权等,请点击“违规举报”。

碎片内容

日产5万立方米造纸废水处理工艺的课程设计报告

确认删除?
VIP
微信客服
  • 扫码咨询
会员Q群
  • 会员专属群点击这里加入QQ群
客服邮箱
回到顶部