电脑桌面
添加小米粒文库到电脑桌面
安装后可以在桌面快捷访问

某有限责任公司质量手册培训资料全

某有限责任公司质量手册培训资料全_第1页
1/37
某有限责任公司质量手册培训资料全_第2页
2/37
某有限责任公司质量手册培训资料全_第3页
3/37
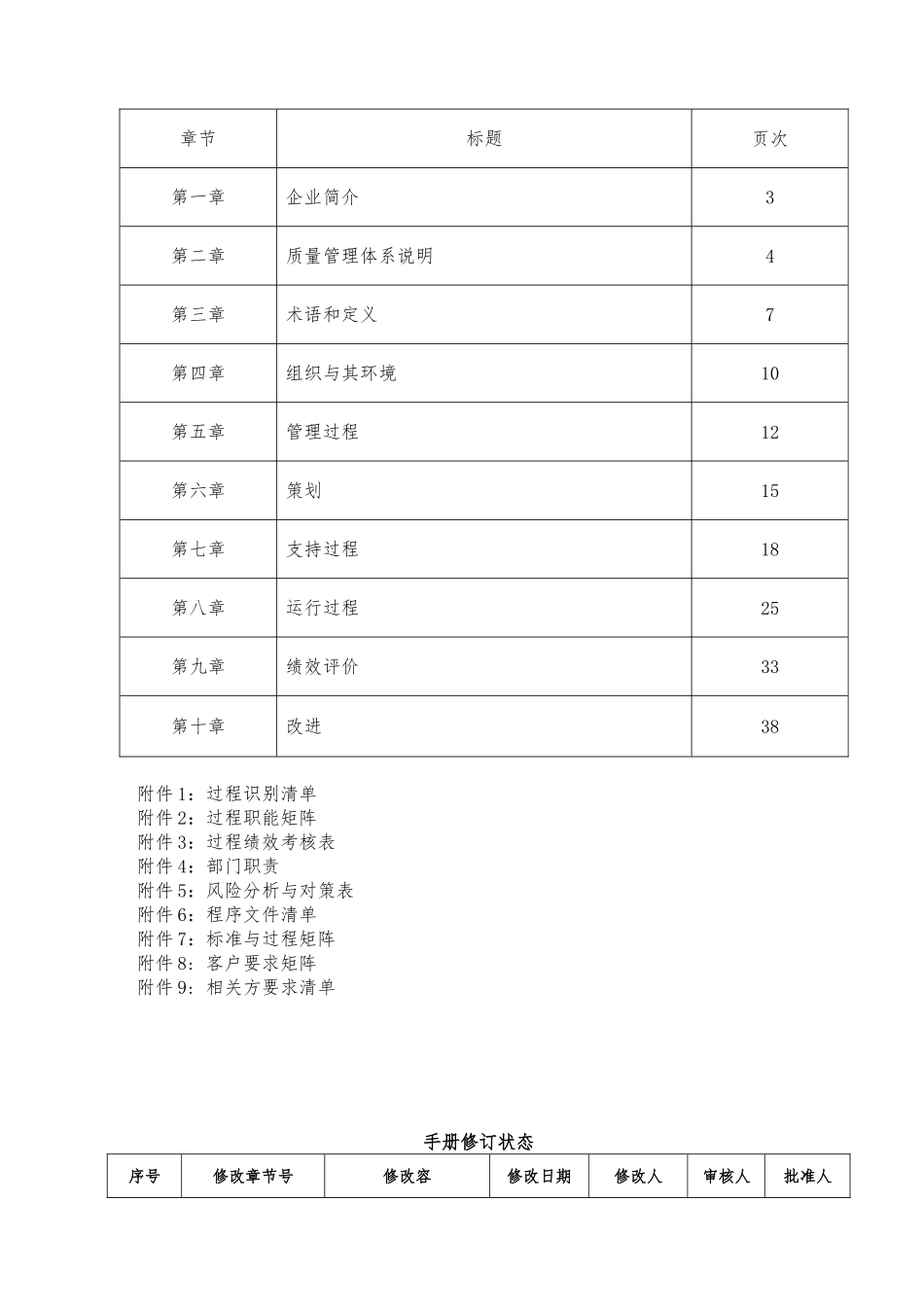
市 XXXXXX 公司质 量 手 册QUALITY MANUAL依据 IATF16949:2024 标准编制 编 号:版 本: 批 准: 编 制: 受控状态:2024-03-10 发布 2024-03-10 实施 市 XXXXXX 公司发布目 录 章节标题页次第一章企业简介3第二章质量管理体系说明4第三章术语和定义7第四章组织与其环境10第五章管理过程12第六章策划15第七章支持过程18第八章运行过程25第九章绩效评价33第十章改进38附件 1:过程识别清单 附件 2:过程职能矩阵附件 3:过程绩效考核表附件 4:部门职责附件 5:风险分析与对策表附件 6:程序文件清单附件 7:标准与过程矩阵附件 8: 客户要求矩阵附件 9: 相关方要求清单手册修订状态序号修改章节号修改容修改日期修改人审核人批准人第一章 公 司 概 况地址: : : :第二章 质量管理体系说明一、公司质量体系的围公司结合部和外部因素、相关方的要求、 组织的产品和服务策划并确定的质量管理体系围是“汽车后桥零部件的设计开发和生产制造”。公司目前具备产品设计的职责和活动。删减容:不适用的容:认证场所:XXXX地址:XXXXX二、本公司是根据 IATF16949:2024 汽车行业标准要求建立的,贯彻了质量管理体系的七大原则包括:——以顾客为关注焦点;——领导作用;——全员积极参加;——过程方法;——改进;——循证决策;——关系管理。三、过程方法的应用公司按 IATF16949:2024 标准应用过程方法,单一过程各要素的相互作用如下图所示。四、PDCA 管理方法的应用公司对过程进行管理采纳 PDCA 策划-实施-检查-处置循环方法公司质量管理体系的过程关系图:客户导向过程策划绩效评价改进领导作用客 户的 要求 和期望组 织的 环境相关方的需求和期望组 织绩效客 户满意相 关方 满意支持过程五、质量方针:以人品制造精品,顾客满意以创新谋求进展,持续改进 质量方针涵义为:六、质量目标:6.1 管理目标:2024 年建立 TS16949:2024 质量管理体系,2024 年获得第三方机构的认证。 6.2 产品质量目标:1. 产品准时交付率:100%。2. 顾客满意度:≥90(顾客评分)。3. 成品一次交检合格率:≥98%。4. 质量损失率:≤5%5. 新产品开发成功率:≥90%七、公司组织结构第三章 术语与引用文件本手册引用下列标准与规性文件:1) IATF16949:2024《质量管理体系 汽车生产件与相关维修零件组织应用 ISO9001—2024 的特别要求》2)APQP 产品质量先期策划和控制计划 2024年7月第二版3)P...

1、当您付费下载文档后,您只拥有了使用权限,并不意味着购买了版权,文档只能用于自身使用,不得用于其他商业用途(如 [转卖]进行直接盈利或[编辑后售卖]进行间接盈利)。
2、本站所有内容均由合作方或网友上传,本站不对文档的完整性、权威性及其观点立场正确性做任何保证或承诺!文档内容仅供研究参考,付费前请自行鉴别。
3、如文档内容存在违规,或者侵犯商业秘密、侵犯著作权等,请点击“违规举报”。

碎片内容

某有限责任公司质量手册培训资料全

您可能关注的文档

确认删除?
VIP
微信客服
  • 扫码咨询
会员Q群
  • 会员专属群点击这里加入QQ群
客服邮箱
回到顶部