电脑桌面
添加小米粒文库到电脑桌面
安装后可以在桌面快捷访问

某高速公路湾沟特大桥施工组织设计

某高速公路湾沟特大桥施工组织设计_第1页
1/36
某高速公路湾沟特大桥施工组织设计_第2页
2/36
某高速公路湾沟特大桥施工组织设计_第3页
3/36
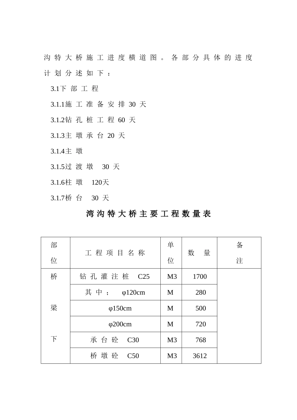
二 、 湾 沟 特 大 桥 施 工 方 案 1、 工 程 概 况 及 特 点 1.1工 程 概 况 : 湾 沟 特 大 桥 位 于 西 果 园 以 南 约 2 公 里 的 湾 沟 ,中 心 里 程 为 K12+112.5, 为 跨 深 沟 而 设 。湾 沟 大 桥 采 纳 64+115+64m 的 连 续 刚 构 桥 , 下部 为 双 薄 壁 墩 , 钻 孔 桩 基 础 ; 兰 州 岸 引 桥 上 部为 5 孔 30m 连 续 箱 梁 , 临 洮 岸 为 3 孔 30m 连 续 箱 梁 ,下 部 为 柱 式 墩 台 , 钻 孔 桩 基 础 。 主 引 桥 之 间 设空 心 薄 壁 过 渡 墩 。 1.2工 程 特 点 : 湾 沟 特 大 桥 两 岸 为 山 坡 , 桥 下 山 沟 狭 窄 , 桥面 距 沟 心 最 低 处 约 78m 。 湾 沟 特 大 桥 主 跨 为 连 续 刚 构 桥 , 而 且 位 于 曲线 上 。 桥 上 纵 坡 为 2.8% , 是 本 段 最 复 杂 的 桥 梁工 程 之 一 。 2、 主 要 工 程 数 量 该 桥 主 要 工 程 数 量 见 表 ( 见 下 页 ) 3、 工 程 进 度 计 划 安 排 湾 沟 特 大 桥 施 工 计 划 安 排 22 个 月 , 自 2001 年 9月 开 工 , 2024 年 6 月 完 工 , 详 细 的 进 度 安 排 见 湾沟 特 大 桥 施 工 进 度 横 道 图 。 各 部 分 具 体 的 进 度计 划 分 述 如 下 : 3.1下 部 工 程 3.1.1施 工 准 备 安 排 30 天 3.1.2钻 孔 桩 工 程 60 天 3.1.3主 墩 承 台 20 天 3.1.4主 墩 3.1.5过 渡 墩 30 天 3.1.6柱 墩 120天 3.1.7桥 台 30 天湾 沟 特 大 桥 主 要 工 程 数 量 表部 位工 程 项 目 名 称单位数 量备 注桥梁下钻 孔 灌 注 桩 C25M31700其 中 ; φ120cmM280 φ150cmM500 φ200cmM720承 台 砼 C30M3768桥 墩 砼 C50M33612部C30M32194桥 台 砼 C30M3281引桥上部30m 箱 型 梁片64箱 梁 砼 C50M32280湿 接 缝 砼 C50M31136沥 青 砼M3477FYT—I 防 水 层M25781伸 缩 缝 MD—160M94护 栏 C25M3260主桥上部箱 梁 C50M34969桥 面 铺 装 砼 C40M3314沥 青 砼M3471FYT—I 防 水 层M25711护 栏 C25M255 3.2主 桥 上 部 工 程 ( ...

1、当您付费下载文档后,您只拥有了使用权限,并不意味着购买了版权,文档只能用于自身使用,不得用于其他商业用途(如 [转卖]进行直接盈利或[编辑后售卖]进行间接盈利)。
2、本站所有内容均由合作方或网友上传,本站不对文档的完整性、权威性及其观点立场正确性做任何保证或承诺!文档内容仅供研究参考,付费前请自行鉴别。
3、如文档内容存在违规,或者侵犯商业秘密、侵犯著作权等,请点击“违规举报”。

碎片内容

某高速公路湾沟特大桥施工组织设计

确认删除?
VIP
微信客服
  • 扫码咨询
会员Q群
  • 会员专属群点击这里加入QQ群
客服邮箱
回到顶部