电脑桌面
添加小米粒文库到电脑桌面
安装后可以在桌面快捷访问

毕业论文自动化一部分2

毕业论文自动化一部分2_第1页
1/23
毕业论文自动化一部分2_第2页
2/23
毕业论文自动化一部分2_第3页
3/23
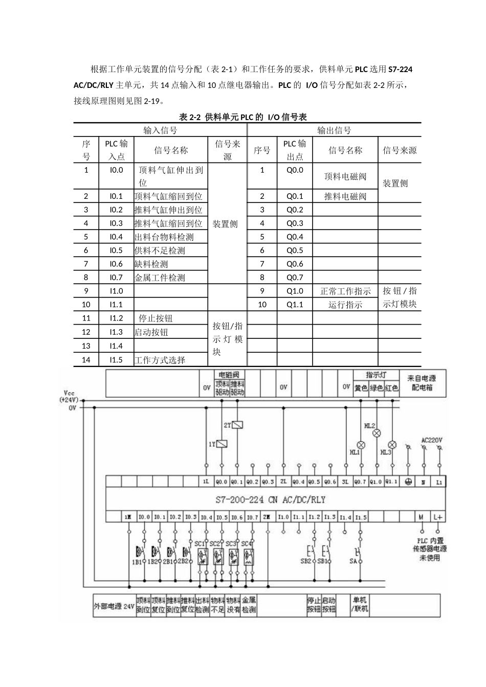
四、软件设计 174.1.1 供料站的要求本项目只考虑供料单元作为独立设备运行时的情况,单元工作的主令信号和工作状态显示信号来自 PLC 旁边的按钮/指示灯模块。并且,按钮/指示灯模块上的工作方式选择开关 SA 应置于“单站方式”位置。具体的控制要求为:① 设备上电和气源接通后,若工作单元的两个气缸均处于缩回位置,且料仓内有足够的待加工工件,则“正常工作”指示灯 HL1 常亮,表示设备准备好。否则,该指示灯以 1Hz 频率闪耀。② 若设备准备好,按下启动按钮,工作单元启动,“设备运行”指示灯 HL2 常亮。启动后,若出料台上没有工件,则应把工件推到出料台上。出料台上的工件被人工取出后,若没有停止信号,则进行下一次推出工件操作。③ 若在运行中按下停止按钮,则在完成本工作周期任务后,各工作单元停止工作,HL2 指示灯熄灭。④ 若在运行中料仓内工件不足,则工作单元继续工作,但“正常工作”指示灯 HL1 以1Hz 的频率闪耀,“设备运行”指示灯 HL2 保持常亮。若料仓内没有工件,则 HL1 指示灯和 HL2 指示灯均以 2Hz 频率闪耀。工作站在完成本周期任务后停止。除非向料仓补充足够的工件,工作站不能再启动。要求完成如下任务。1、规划 PLC 的 I/O 分配及接线端子分配。2、进行系统安装接线。3、按控制要求编制 PLC 程序。4、进行调试与运行。 4.1.2 PLC 的 I/O 接线及其气路图图 2-8 供料单元气动控制回路工作原理图根据工作单元装置的信号分配(表 2-1)和工作任务的要求,供料单元 PLC 选用 S7-224 AC/DC/RLY 主单元,共 14 点输入和 10 点继电器输出。PLC 的 I/O 信号分配如表 2-2 所示,接线原理图则见图 2-19。表 2-2 供料单元 PLC 的 I/O 信号表输入信号输出信号序号PLC 输入点信号名称信号来源序号PLC 输出点信号名称信号来源1I0.0顶料气缸伸出到位装置侧1Q0.0顶料电磁阀装置侧2I0.1顶料气缸缩回到位2Q0.1推料电磁阀3I0.2推料气缸伸出到位3Q0.2 4I0.3推料气缸缩回到位4Q0.3 5I0.4出料台物料检测5Q0.4 6I0.5供料不足检测6Q0.5 7I0.6缺料检测7Q0.6 8I0.7金属工件检测8Q0.7 9I1.0 9Q1.0正常工作指示按 钮 / 指示灯模块10I1.1 10Q1.1运行指示11I1.2停止按钮按钮/指示 灯 模块 12I1.3启动按钮 13I1.4 14I1.5工作方式选择 图 2-19 供料单元 PLC 的 I/O 接线原理图4.1.3 供料单元单站控制的编程思路1、程序结构:有两个子程序,一个是系统状...

1、当您付费下载文档后,您只拥有了使用权限,并不意味着购买了版权,文档只能用于自身使用,不得用于其他商业用途(如 [转卖]进行直接盈利或[编辑后售卖]进行间接盈利)。
2、本站所有内容均由合作方或网友上传,本站不对文档的完整性、权威性及其观点立场正确性做任何保证或承诺!文档内容仅供研究参考,付费前请自行鉴别。
3、如文档内容存在违规,或者侵犯商业秘密、侵犯著作权等,请点击“违规举报”。

碎片内容

毕业论文自动化一部分2

阳光书坊+ 关注
实名认证
内容提供者

阳光书坊,传播未来

确认删除?
VIP
微信客服
  • 扫码咨询
会员Q群
  • 会员专属群点击这里加入QQ群
客服邮箱
回到顶部