电脑桌面
添加小米粒文库到电脑桌面
安装后可以在桌面快捷访问

沉井模板安装检验批记录表VIP专享

沉井模板安装检验批记录表_第1页
1/8
沉井模板安装检验批记录表_第2页
2/8
沉井模板安装检验批记录表_第3页
3/8
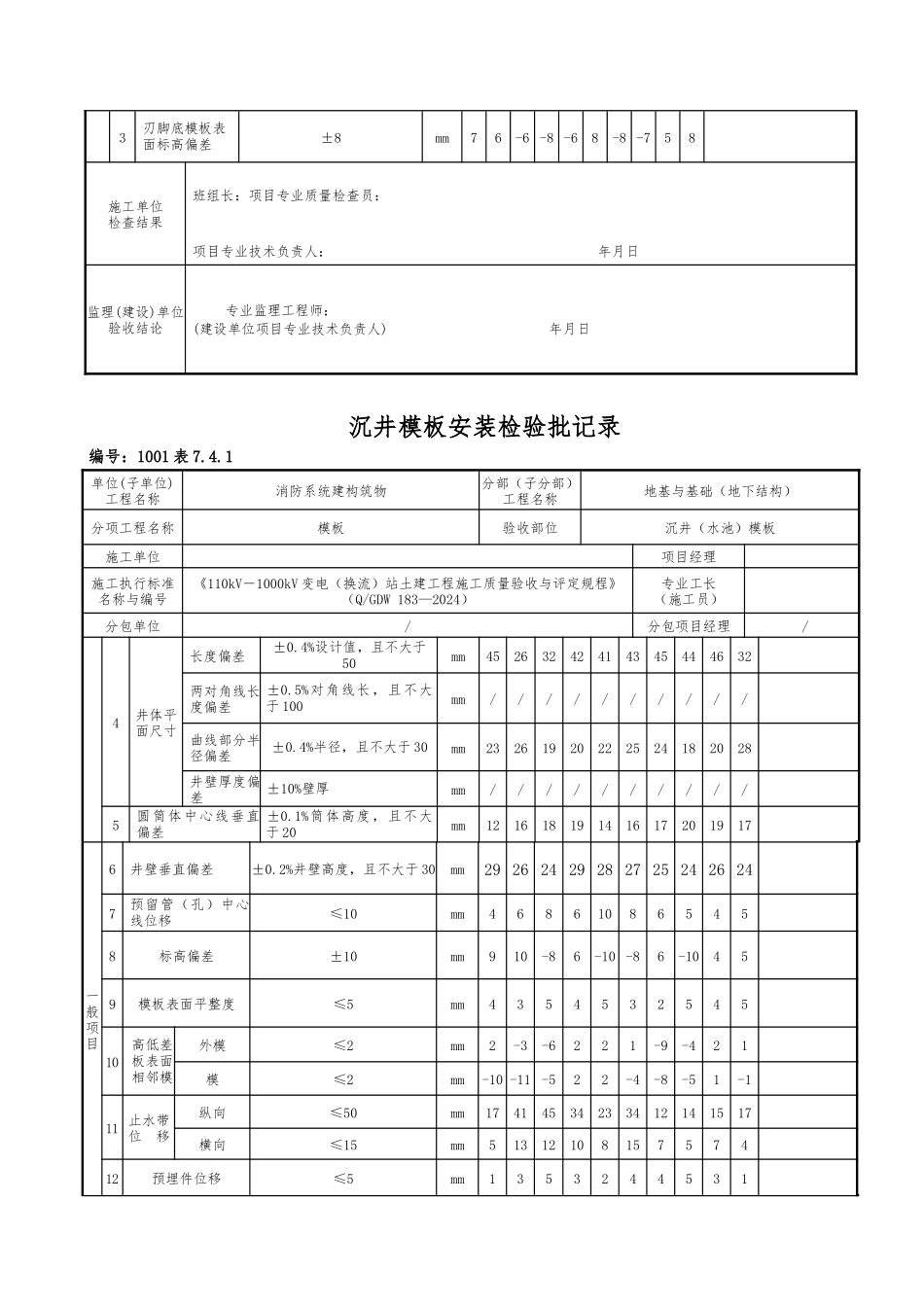
沉井模板安装检验批记录编号:1001 表 7.4.1单位(子单位)工程名称消防系统建构筑物分部(子分部)工程名称地基与基础(地下结构)分项工程名称模板验收部位沉井(水池)模板施工单位项目经理施工执行标准名称与编号《110kV-1000kV 变电(换流)站土建工程施工质量验收与评定规程》(Q/GDW 183—2024)专业工长(施工员)分包单位/分包项目经理 /类别序号检查项目质量标准单位施工单位自检记录监理(建设)单位验收记录主控项目1模板与其支架☆应根据工程结构形式、荷载大小、地基土类别、施工设备和材料供应等条件进行设计。模板与其支架应具有足够的承载能力、刚度和稳定性,能可靠地承受浇筑混凝土的重量、侧压力以与施工荷载模板与其支架有足够的承载能力、刚度和稳定性,能可靠地承受浇筑混凝土的重量、侧压力以与施工荷载2隔离剂不得沾污钢筋和混凝土接搓处,涂刷均匀隔离剂没有沾污钢筋和混凝土接搓处涂刷均匀。3刃脚几何尺寸应符合设计要求和现行有关标准规定/4预 埋 件 、 止 水带固定齐全、牢固预埋件齐全牢固一般项目1模板安装模板的接缝不应漏浆,木模板应浇水湿润,但模板不应有积水;模板与混凝土的接触面应清理洁净并涂刷隔离剂;模板的杂物应清理洁净模板的接缝没漏浆,木模板浇水湿润,模板没有积水;模板与混凝土的接触面清理洁净并涂刷隔离剂;模板的杂物清理洁净2井体轴线位移≤5mm12543325453刃脚底模板表面标高偏差±8 mm76-6 -8 -68-8 -758施工单位检查结果班组长:项目专业质量检查员:项目专业技术负责人: 年月日监理(建设)单位验收结论专业监理工程师:(建设单位项目专业技术负责人) 年月日沉井模板安装检验批记录编号:1001 表 7.4.1单位(子单位)工程名称消防系统建构筑物分部(子分部)工程名称地基与基础(地下结构)分项工程名称模板验收部位沉井(水池)模板施工单位项目经理施工执行标准名称与编号《110kV-1000kV 变电(换流)站土建工程施工质量验收与评定规程》(Q/GDW 183—2024)专业工长(施工员)分包单位/分包项目经理 /4井体平面尺寸长度偏差±0.4%设计值,且不大于50mm45263242414345444632两对角线长度偏差±0.5%对角线长,且不大于 100mm//////////曲线部分半径偏差±0.4%半径,且不大于 30mm23261920222524182028井壁厚度偏差±10%壁厚mm//////////5圆筒体中心线垂直偏差±0.1%筒体高度,且不大于 20mm12161819141617201917一般项目6井壁垂直偏差±0.2%井壁高度,且不大于 30m...

1、当您付费下载文档后,您只拥有了使用权限,并不意味着购买了版权,文档只能用于自身使用,不得用于其他商业用途(如 [转卖]进行直接盈利或[编辑后售卖]进行间接盈利)。
2、本站所有内容均由合作方或网友上传,本站不对文档的完整性、权威性及其观点立场正确性做任何保证或承诺!文档内容仅供研究参考,付费前请自行鉴别。
3、如文档内容存在违规,或者侵犯商业秘密、侵犯著作权等,请点击“违规举报”。

碎片内容

沉井模板安装检验批记录表

确认删除?
VIP
微信客服
  • 扫码咨询
会员Q群
  • 会员专属群点击这里加入QQ群
客服邮箱
回到顶部