电脑桌面
添加小米粒文库到电脑桌面
安装后可以在桌面快捷访问

消防栓箱供货合同

消防栓箱供货合同_第1页
1/7
消防栓箱供货合同_第2页
2/7
消防栓箱供货合同_第3页
3/7
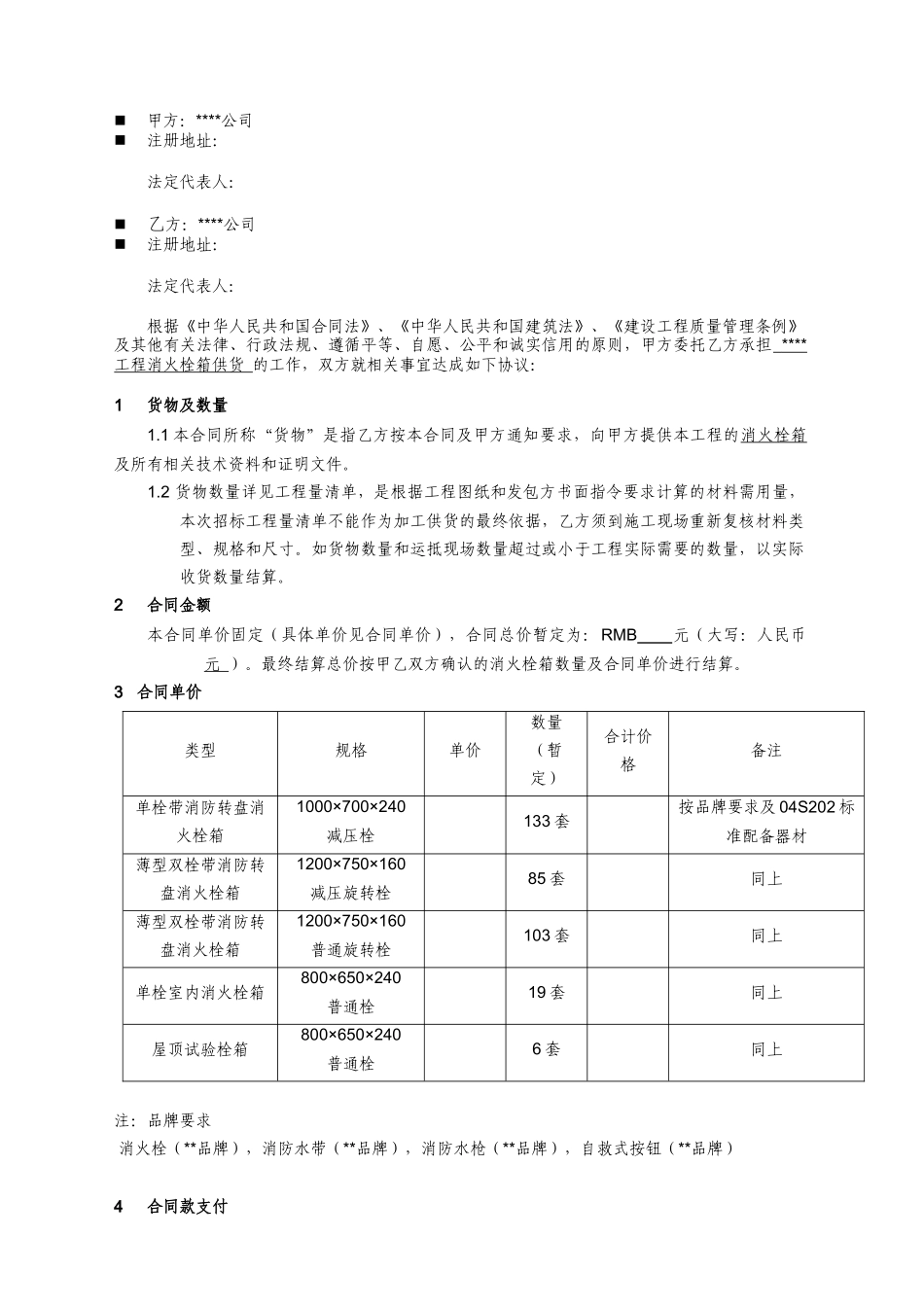
消火栓箱供货合同工 程 名 称:工 程 地 点: 合 同 编 号:甲 方: 乙 方:签 订 日 期:2024 年 3 月 20 日甲方:****公司注册地址: 法定代表人:乙方:****公司注册地址: 法定代表人: 根据《中华人民共和国合同法》、《中华人民共和国建筑法》、《建设工程质量管理条例》及其他有关法律、行政法规、遵循平等、自愿、公平和诚实信用的原则,甲方委托乙方承担 **** 工程消火栓箱供货 的工作,双方就相关事宜达成如下协议:1 货物及数量1.1 本合同所称“货物”是指乙方按本合同及甲方通知要求,向甲方提供本工程的消火栓箱及所有相关技术资料和证明文件。1.2 货物数量详见工程量清单,是根据工程图纸和发包方书面指令要求计算的材料需用量,本次招标工程量清单不能作为加工供货的最终依据,乙方须到施工现场重新复核材料类型、规格和尺寸。如货物数量和运抵现场数量超过或小于工程实际需要的数量,以实际收货数量结算。2合同金额本合同单价固定(具体单价见合同单价),合同总价暂定为:RMB 元(大写:人民币 元 )。最终结算总价按甲乙双方确认的消火栓箱数量及合同单价进行结算。3 合同单价类型规格单价数量(暂定)合计价格备注单栓带消防转盘消火栓箱1000×700×240减压栓133 套按品牌要求及 04S202 标准配备器材薄型双栓带消防转盘消火栓箱1200×750×160减压旋转栓85 套同上薄型双栓带消防转盘消火栓箱1200×750×160普通旋转栓103 套同上单栓室内消火栓箱800×650×240普通栓19 套同上屋顶试验栓箱800×650×240普通栓6 套同上注:品牌要求 消火栓(**品牌),消防水带(**品牌),消防水枪(**品牌),自救式按钮(**品牌)4合同款支付4.1 本合同无预付款。 4.2 货物运卸至施工场地现场达到总数的 50%并全部交验合格后 14 个工作日内,甲方向乙方支付至运达货物价款的 65%。4.3 货物全部运卸至施工场地现场,全部交验合格,如遇消防支队抽检,则需提供合格的抽检报告后 14 个工作日内,甲方向乙方支付至运达货物价款的 65%。如抽检不合格乙方需重新提供合格的产品并承担因此造成甲方的一切损失。4.4 整体工程竣工验收合格后 14 个工作日内,甲方向乙方支付至合同总价的 95%。4.5 合同总价之 5%作为质保金,保修期满无维修、整改后 14 个工作日内支付。4.6 甲方付款前乙方提供相应金额的正规发票以及甲方接受货物的签收单原件。4.7 付款方式:转帐支票5供货时间...

1、当您付费下载文档后,您只拥有了使用权限,并不意味着购买了版权,文档只能用于自身使用,不得用于其他商业用途(如 [转卖]进行直接盈利或[编辑后售卖]进行间接盈利)。
2、本站所有内容均由合作方或网友上传,本站不对文档的完整性、权威性及其观点立场正确性做任何保证或承诺!文档内容仅供研究参考,付费前请自行鉴别。
3、如文档内容存在违规,或者侵犯商业秘密、侵犯著作权等,请点击“违规举报”。

碎片内容

消防栓箱供货合同

确认删除?
VIP
微信客服
  • 扫码咨询
会员Q群
  • 会员专属群点击这里加入QQ群
客服邮箱
回到顶部