电脑桌面
添加小米粒文库到电脑桌面
安装后可以在桌面快捷访问

混凝土施工检验批质量验收记录表汇编

混凝土施工检验批质量验收记录表汇编_第1页
1/27
混凝土施工检验批质量验收记录表汇编_第2页
2/27
混凝土施工检验批质量验收记录表汇编_第3页
3/27
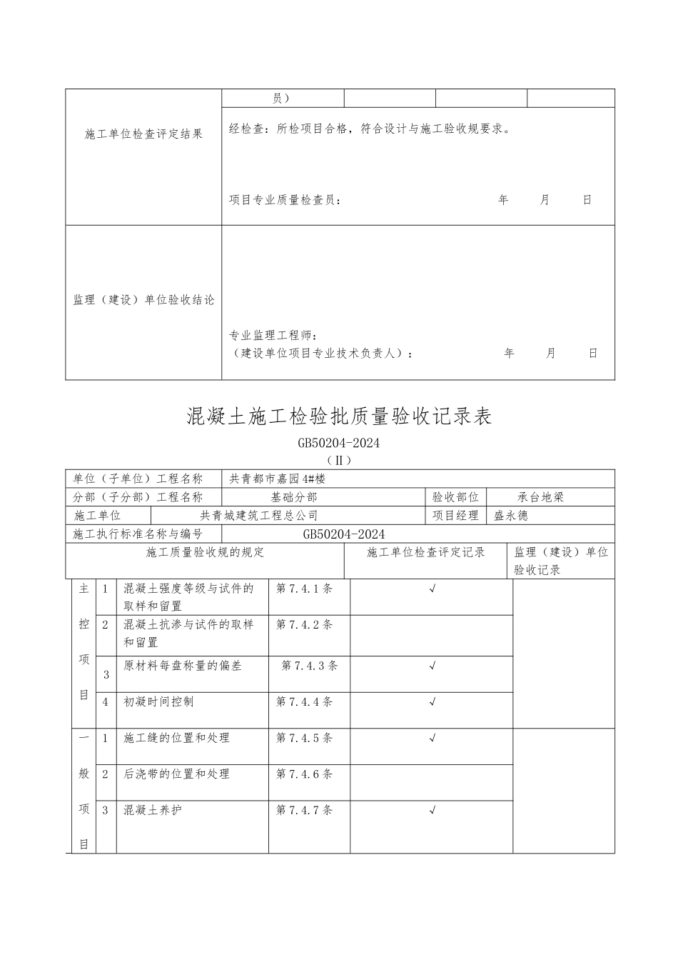
混凝土施工检验批质量验收记录表GB50204-2024(Ⅱ)单位(子单位)工程名称共青都市嘉园 4#楼分部(子分部)工程名称基础分部验收部位桩基础施工单位共青城建筑工程总公司项目经理盛永德施工执行标准名称与编号GB50204-2024施工质量验收规的规定施工单位检查评定记录监理(建设)单位验收记录主控项目1混凝土强度等级与试件的取样和留置第 7.4.1 条√2混凝土抗渗与试件的取样和留置第 7.4.2 条3原材料每盘称量的偏差第 7.4.3 条√4初凝时间控制第 7.4.4 条√一般项目1施工缝的位置和处理第 7.4.5 条√2后浇带的位置和处理第 7.4.6 条3混凝土养护第 7.4.7 条√专业工长(施工施工班组长施工单位检查评定结果员)经检查:所检项目合格,符合设计与施工验收规要求。项目专业质量检查员: 年 月 日监理(建设)单位验收结论专业监理工程师:(建设单位项目专业技术负责人): 年 月 日混凝土施工检验批质量验收记录表GB50204-2024(Ⅱ)单位(子单位)工程名称共青都市嘉园 4#楼分部(子分部)工程名称基础分部验收部位承台地梁施工单位共青城建筑工程总公司项目经理盛永德施工执行标准名称与编号GB50204-2024施工质量验收规的规定施工单位检查评定记录监理(建设)单位验收记录主控项目1混凝土强度等级与试件的取样和留置第 7.4.1 条√2混凝土抗渗与试件的取样和留置第 7.4.2 条3原材料每盘称量的偏差第 7.4.3 条√4初凝时间控制第 7.4.4 条√一般项目1施工缝的位置和处理第 7.4.5 条√2后浇带的位置和处理第 7.4.6 条3混凝土养护第 7.4.7 条√施工单位检查评定结果专业工长(施工员)施工班组长经检查:所检项目合格,符合设计与施工验收规要求。项目专业质量检查员: 年 月 日监理(建设)单位验收结论专业监理工程师:(建设单位项目专业技术负责人): 年 月 日混凝土施工检验批质量验收记录表GB50204-2024(Ⅱ)单位(子单位)工程名称共青都市嘉园 4#楼分部(子分部)工程名称主体分部验收部位架空层柱、墙板施工单位共青城建筑工程总公司项目经理盛永德施工执行标准名称与编号GB50204-2024施工质量验收规的规定施工单位检查评定记录监理(建设)单位验收记录主控项目1混凝土强度等级与试件的取样和留置第 7.4.1 条√2混凝土抗渗与试件的取样和留置第 7.4.2 条3原材料每盘称量的偏差第 7.4.3 条√4初凝时间控制第 7.4.4 条√一般项1施工缝的位置和处理第 7.4.5 条√2后浇带的位置和处理第...

1、当您付费下载文档后,您只拥有了使用权限,并不意味着购买了版权,文档只能用于自身使用,不得用于其他商业用途(如 [转卖]进行直接盈利或[编辑后售卖]进行间接盈利)。
2、本站所有内容均由合作方或网友上传,本站不对文档的完整性、权威性及其观点立场正确性做任何保证或承诺!文档内容仅供研究参考,付费前请自行鉴别。
3、如文档内容存在违规,或者侵犯商业秘密、侵犯著作权等,请点击“违规举报”。

碎片内容

混凝土施工检验批质量验收记录表汇编

您可能关注的文档

确认删除?
VIP
微信客服
  • 扫码咨询
会员Q群
  • 会员专属群点击这里加入QQ群
客服邮箱
回到顶部