电脑桌面
添加小米粒文库到电脑桌面
安装后可以在桌面快捷访问

公路边沟自检表

公路边沟自检表_第1页
1/11
公路边沟自检表_第2页
2/11
公路边沟自检表_第3页
3/11
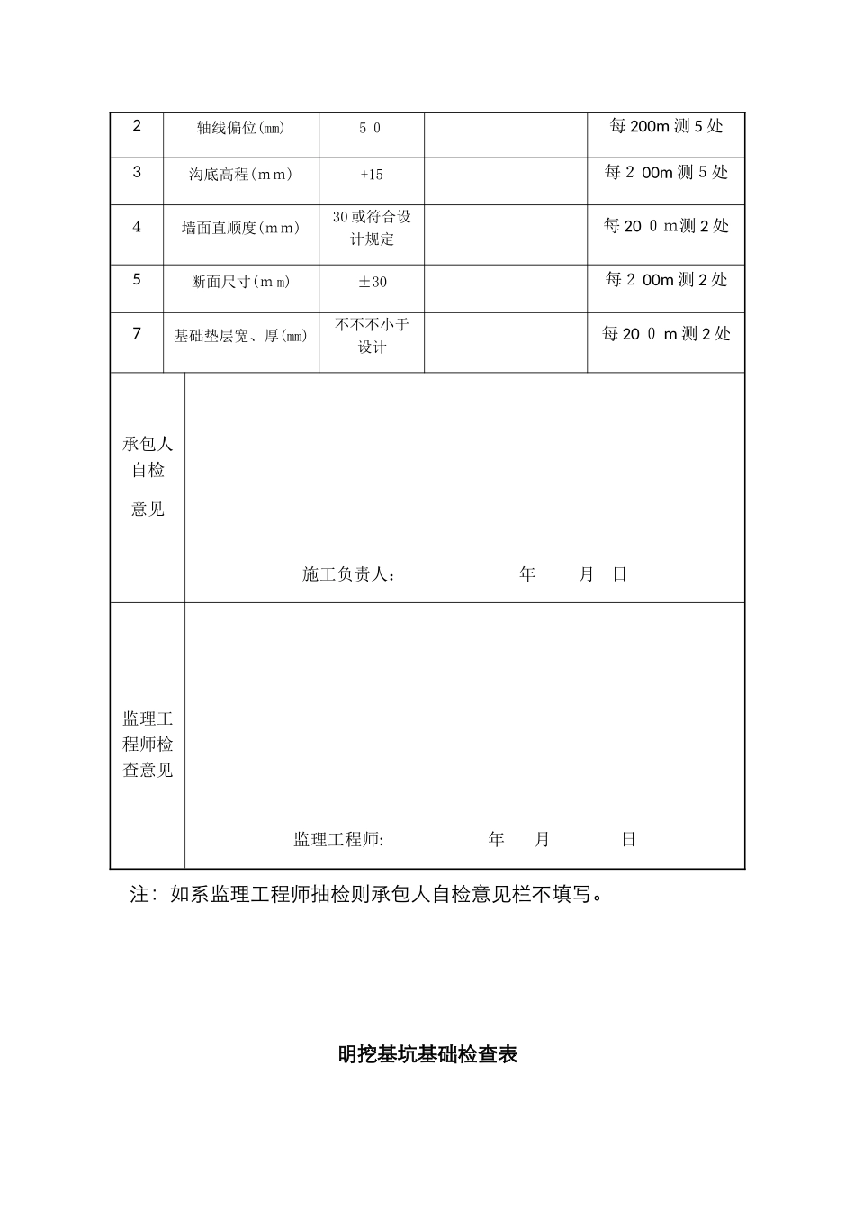
检 验 申 请 批 复 单 监-0 8合同号: 承包人:安徽昌达道路设施工程有限责任公司 编号:工程项目名称广德县公路安全生命防护工程(独柏路)工程地点及桩号 具体部位 检查内容墙面直顺度;断面尺寸;基础垫层宽、厚。规定到现场检查时间:承包人递交日期、时间和签字:监理员收件日期、时间和签字:监理员评论和签字:ﻩ ______年___月___日时间: 本项目是口否口可以继续进行: 理由:质量证明附件: 监理工程师签字: ______年___月___日承包人收到日期、时间签字: ______年___月___日时间: 边沟总体现场质量检查表 检-62合同号: 承包人:安徽昌达道路设施工程有限责任公司 共 页第 页工程名称广德县公路安全生命防护工程(独柏路)施工时间桩号及部位检查时间项次检查项目规定值或 容许偏差检查成果检查频率和措施1△混凝土强度(M P a)在合格原则内按附录 F 检查2轴线偏位(mm)5 0每 200m 测 5 处3沟底高程(mm)+15每2 00m 测5处4墙面直顺度(mm)30 或符合设计规定每 20 0m测 2 处5断面尺寸(m m)±30每2 00m 测 2 处7基础垫层宽、厚(mm)不不不小于设计每 20 0 m 测 2 处承包人自检意见施工负责人: 年 月 日监理工程师检查意见监理工程师: 年 月 日注:如系监理工程师抽检则承包人自检意见栏不填写。 明挖基坑基础检查表检-37合同号: 承包人: 安徽昌达道路设施工程有限责任公司 共 页第 页桩号及部位基底水文地质状况及承载力检测项目设计值容许偏差实 测 值合格率基底标高基础平面尺寸长宽基础轴线偏位横轴纵轴防 水 设 施排 水 设 备基坑、基础相对平面位置示意图检 测施工场地主管承包人自检意见及签名 年 月 日监理工程师检查意见及签名 年 月 日注:如系监理工程师抽检则承包人自检意见栏不填写。模板现场制作质量检查表 检-4 0合同号: 承包人:安徽昌达道路设施工程有限责任公司 共 页 第 页工程名称广德县公路安全生命防护工程(独柏路)施工时间桩号及部位检查时间项次项 目容许偏差(mm)检查成果合格率12345木模制作1、模板旳长度和宽度±52、不刨光模板相邻两板表面高下差33、刨光模板相邻两板表面高下差14、平板模板表面最大旳局部不平(2 米直尺)刨光模板3不刨光模板55、拼合板中木板间旳缝隙宽度26、支架、拱架尺寸±57、榫槽嵌接紧密度2钢模板制作1、外形尺寸长和宽0,-1肋 高±52、面板端偏斜≤0.53、连接配件(...

1、当您付费下载文档后,您只拥有了使用权限,并不意味着购买了版权,文档只能用于自身使用,不得用于其他商业用途(如 [转卖]进行直接盈利或[编辑后售卖]进行间接盈利)。
2、本站所有内容均由合作方或网友上传,本站不对文档的完整性、权威性及其观点立场正确性做任何保证或承诺!文档内容仅供研究参考,付费前请自行鉴别。
3、如文档内容存在违规,或者侵犯商业秘密、侵犯著作权等,请点击“违规举报”。

碎片内容

公路边沟自检表

确认删除?
VIP
微信客服
  • 扫码咨询
会员Q群
  • 会员专属群点击这里加入QQ群
客服邮箱
回到顶部