电脑桌面
添加小米粒文库到电脑桌面
安装后可以在桌面快捷访问

YT环保节能型墙体保温粉料外墙保温施工方案VIP免费

YT环保节能型墙体保温粉料外墙保温施工方案_第1页
1/5
YT环保节能型墙体保温粉料外墙保温施工方案_第2页
2/5
YT环保节能型墙体保温粉料外墙保温施工方案_第3页
3/5
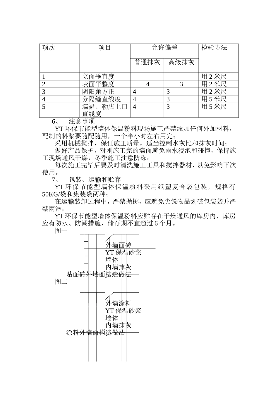
YT环保节能型墙体保温粉料外墙保温施工方案一、产品介绍:1.1YT环保节能型墙体保温粉料,是一种具有优越保温隔热性能的特种干物质粉料,它是以天然轻质材料为骨料,天然植物蛋白纤维以及诸多无机改性材料和无机固化材料通过各种分级加工、工厂化配置而成的轻质隔热保温材料。生产的产品在施工现场只需加水搅拌后,便可直接使用于外墙抹灰或粘贴面砖。它不仅完全代替普通砂浆抹平墙体的功能,而且还具有优良的保温和隔热性能,抗冻、抗水、抗老化、耐候性能佳,尤其在墙体施工中的挂流性、抗裂性和粘接性十分显著。在热熔性、施工性、安全性、环保性、消防性和成本造价等方面的优势都十分突出。1.2产品技术性能指标项目单位指标值PH值-----------7浆体密度Kg/m3611干密度Kg/m3396线性收缩率%≤0.1抗压强度Kpa355粘结强度Kpa629导热系数W/m.k0.054蓄热系数W/m2.k3.01.3产品的外观及包装白色粉料,无杂质、纸塑符合袋装。1.4适用范围严寒、寒冷地区、夏热冬冷地区和夏热冬暖地区公共建筑及民用建筑外墙外保温,抗冻、抗水、抗老化、耐候性能佳,尤其在墙体施工中的抗流性、抗裂性和粘接力十分显著。在热熔性、施工性、安全性、环保性、消防性和成本造价等方面的优势都十分突出。二、施工工艺:1、施工条件1.1外墙保温施工应在基层墙体工程质量验收合格后进行。基层墙体质量符合《混凝土结构工程施工及验收规范》(GB50204---2002)及《砌体工程施工质量验收规范》(GB50203—2002)的要求。1.2清除基层墙面灰尘、油污,对疏松、开裂处进行修补。1.3门窗框已安装完毕,外墙的落水管、各种进户管线、预埋件已安装到位。1.4施工环境温度应不低于5℃,雨季施工应具有防雨措施。2、施工准备2.1材料进场后应组织有关人员按规定进行报验,材料存放在干燥通风处,并应有防雨防潮措施。2.2施工机具:350卧式砂浆搅拌机或手提电动搅拌器,手推车,抹灰桶,水桶及墙面抹灰常用工具。3、操作工艺3.1料浆配制(1)按照料浆所需水灰重量比,一般按水:粉料=1:1.5,可根据不同墙体材料的吸水率大小、季节的不同以及施工要求适当调整,达到易于操作。搅拌时,先将水放入搅拌机内,开动搅拌机,再将YT保温粉料慢慢倒入加水后的搅拌机中。(2)开动搅拌机3-5分钟,使料浆成均匀膏状物,即可使用。(3)料浆必须即配即用,一个半小时左右用完。(4)配制料浆必须用干净的饮用水。3.2墙面清理干净用配好的料浆批抹一层,厚度在1cm左右,使料浆均匀密实地将墙体覆盖;二遍应满批保温浆料,使其达到设计厚度,表面收平压实;分两遍或多遍批抹时,应待前遍料浆水分回落至60%左右时再进行下遍抹批,方法类同普通水泥砂浆抹灰。4、操作要点1)基层检验与处理:检查墙面基层,要求基层牢固,无油污、浮灰等。2)批抹第一遍料浆,使用普通型或锯齿型批刀,满批一层料浆,厚度1cm为宜,要求批抹均匀密实。3)批抹第二遍料浆,根据设计要求的厚度,满批保温料浆,达到设计厚度,要求表面平整密实。4)分两遍或多遍施工时,必须注意待前遍料浆水分回落60%左右时再进行下遍料浆的施工,最终达到设计厚度要求。5)面层抹灰压光,待保温料浆达到设计厚度后,再用稍微稀点的YT料浆薄薄满批本品,然后用直尺刮平,铁泥抹压实收光。要求平整度、垂直度及表面质量达到可直接涂刷涂料。粘贴面砖只需压实抹平,不需收光,便可在材料上直接粘贴面砖。5、质量标准1)保证项目保温层抹灰厚度符合设计标准。各抹灰层之间及抹灰层与基体之间,必须粘接牢固、无脱层、空鼓、面层无裂缝。2)一般项目抹灰层表面应光滑、洁净、接槎平整分隔缝应清晰;护角、孔洞、槽盒周围的抹灰表面应整齐、光滑,管道后面的抹灰应表面平整;分隔缝的设置应符合设计要求,宽度和深度应均匀,表面应光滑,棱角应整齐;有排水要求的部位应做滴水线(槽),滴水线(槽)应整齐顺直,滴水线应里高外低,滴槽的宽度和深度均不应小于10mm;保温料浆抹灰的允许偏差和检验方法(见下表)项次项目允许偏差检验方法普通抹灰高级抹灰1立面垂直度用2米尺2表面平整度43用2米尺3阴阳角方正43用2米尺4分隔缝直线度43用5米尺5墙裙、勒脚上口直线度43用5米尺6、注意事...

1、当您付费下载文档后,您只拥有了使用权限,并不意味着购买了版权,文档只能用于自身使用,不得用于其他商业用途(如 [转卖]进行直接盈利或[编辑后售卖]进行间接盈利)。
2、本站所有内容均由合作方或网友上传,本站不对文档的完整性、权威性及其观点立场正确性做任何保证或承诺!文档内容仅供研究参考,付费前请自行鉴别。
3、如文档内容存在违规,或者侵犯商业秘密、侵犯著作权等,请点击“违规举报”。

碎片内容

YT环保节能型墙体保温粉料外墙保温施工方案

确认删除?
VIP
微信客服
  • 扫码咨询
会员Q群
  • 会员专属群点击这里加入QQ群
客服邮箱
回到顶部