电脑桌面
添加小米粒文库到电脑桌面
安装后可以在桌面快捷访问

国际标准-ISO 2768-1公差(国标)VIP免费

国际标准-ISO 2768-1公差(国标)_第1页
1/7
国际标准-ISO 2768-1公差(国标)_第2页
2/7
国际标准-ISO 2768-1公差(国标)_第3页
3/7
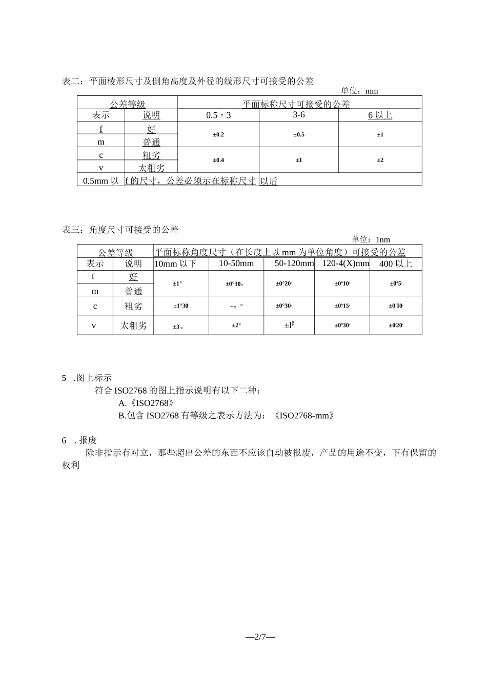
—1/7—国际标准-ISO2768-1一般公差第一部分.线形尺寸及角度公差,不影响个别公差1.适用范围现行ISO2768适用在以下公差未指示到的尺寸:A.线形尺寸:例如外径、内径、凹处尺寸、直径、半径、距离、平面的棱边的外部半径及倒角高度。B.角度:众所皆知的角度不再提,例如90度角,除非在2768-2中提到或规则多边形。C.组合加工所产生的线形尺寸及角度。现行ISO2768不适用在以下尺寸:A.在其它标准里已提到的线条及角度公差B.圆弧括号内的备用尺寸C.矩形范围上所明指出的理论尺寸2.概论3.参考标准ISO2768-2:1989一般公差第二部份:成份内几何上的公差,不影响个别公公差ISO8015:1985,技术图-基本公差要点4.一般公差4.1线形尺寸:见表一及表二5.2角度尺寸:见表三表一:线形尺寸可接受的偏差(除了平面棱形尺寸及倒角高度及外半径)单位:mm公差等级_______________________平面标;除尺寸可接受的公差_______________________表示说明0.5-33-66-3030-120120-400400-10001000-20002000-4(X)0f好±0.05±0.05±0.1±0.15±0.2±0.3±0.5m普通±0.1±0.1±0.2±0.3±0.5±0.8±1.2±2c粗劣_土02±0.3±0.5±0.8±1.2±2±3±4v太粗劣±0.5±1±1.5±2.5+4+6±80.5mm以下的尺寸,公差必须标示在标称尺寸以后__________________________________________—2/7—表二:平面棱形尺寸及倒角高度及外径的线形尺寸可接受的公差单位:mm公差等级_______________平面标称尺寸可接受的公差________________表示说明0.5・33-66以上f好±0.2±0.5±1m普通c粗劣±0.4±1±2v太粗劣0.5mm以f的尺寸,公差必须示在标称尺寸以后________________________________表三:角度尺寸可接受的公差单位:1nm公差等级平面标称角度尺寸(在长度上以mm为单位角度)可接受的公差表示说明10mm以下10-50mm50-120mm120-4(X)mm400以上f好±1°±0°30,±0°20,±0o10,±0o5,m普通c粗劣±1°30,+:°±0°30,±0o15,±0'I0,v太粗劣±3。±2°±lβ±0o30,±0,20,5.图上标示符合ISO2768的图上指示说明有以下二种:A.《ISO2768》B.包含ISO2768有等级之表示方法为:《ISO2768-mm》6.报废除非指示有对立,那些超出公差的东西不应该自动被报废,产品的用途不变,下有保留的权利—3/7—国际标准-ISO2768-2第二部分:组合成份的几何公差,不影响个别公差。1.适用范围:现行ISO2768用来简化图上的标示及在不影响个别公差的图上成份上规定几何公差,主要是用于原料加工的成份上。2.一般性:公差等级的选择应考虑到工厂的习性,若需要更紧密的公差或对某一成份需更大的公差或更经济的考量,应直接参考IS011O13.其它参考标准:ISOH01:1983,技术图•几何公差•外形、方向、位置及平面一般性符号,图上标ISO2768-1ISO5459:1981技术图-几何公差-几何公差的特性参考ISO8051:1985技术图-基线公差要点4.定义5.一般性公差:见文章B15.1独成份的公差5.1.1直度及平面度:见表一表一:直度及平面度公差:单位为mm,以长度为范围指标,分H、K、L三等级单位:mm公差等级___________________直度及平面度公差(以长度为范围指标)____________________10mm以下10-30mm30-100mm100-300mm300-1000mm1000-3000mmH0.020.060.10.20.30.4K0.050.10.20.40.60.8L0.10.20.40.81.21.66.1.2圆周:圆周的公差是相同的,以数字为单位,以直径为范围指标,见B26.1.3圆柱形:圆柱形公差没有规定,若需改变,会用E点指示5.2元素公差5.2∙1一般性6.2.2平行性:平行性公差也是相同。单位以数字,尺寸公差或直度平面的公⅛⅛√s∙l-p⅛⅛-P[1|-⅛∙5.2.3蠹性:见表二:以mm为单位,长度为范围指标。—4/7—单位:mm公差等级_____________直度及平面度公差(以长度为范围指标)_______________10mm以内100-300mm3∞-1000mm10()0-3000mmH0.2—0.3—0.4—Q5-K0.4—0.6—0.8-]L0.6—1.5—25.2.4对称性单位:mm公差等级_____________直度及平面度公差(以长度为范围指标)_______________10mm以内100-300mm300-1000mm10(M)-3000mmH______________________________0.5______________________________K0.81L0.611.525.2.5同轴性5.2.6跳动的圆周:公差见表四单位:1nm公差等级...

1、当您付费下载文档后,您只拥有了使用权限,并不意味着购买了版权,文档只能用于自身使用,不得用于其他商业用途(如 [转卖]进行直接盈利或[编辑后售卖]进行间接盈利)。
2、本站所有内容均由合作方或网友上传,本站不对文档的完整性、权威性及其观点立场正确性做任何保证或承诺!文档内容仅供研究参考,付费前请自行鉴别。
3、如文档内容存在违规,或者侵犯商业秘密、侵犯著作权等,请点击“违规举报”。

碎片内容

国际标准-ISO 2768-1公差(国标)

您可能关注的文档

确认删除?
VIP
微信客服
  • 扫码咨询
会员Q群
  • 会员专属群点击这里加入QQ群
客服邮箱
回到顶部