电脑桌面
添加小米粒文库到电脑桌面
安装后可以在桌面快捷访问

UPS 验收报告VIP免费

UPS 验收报告_第1页
1/4
UPS 验收报告_第2页
2/4
UPS 验收报告_第3页
3/4
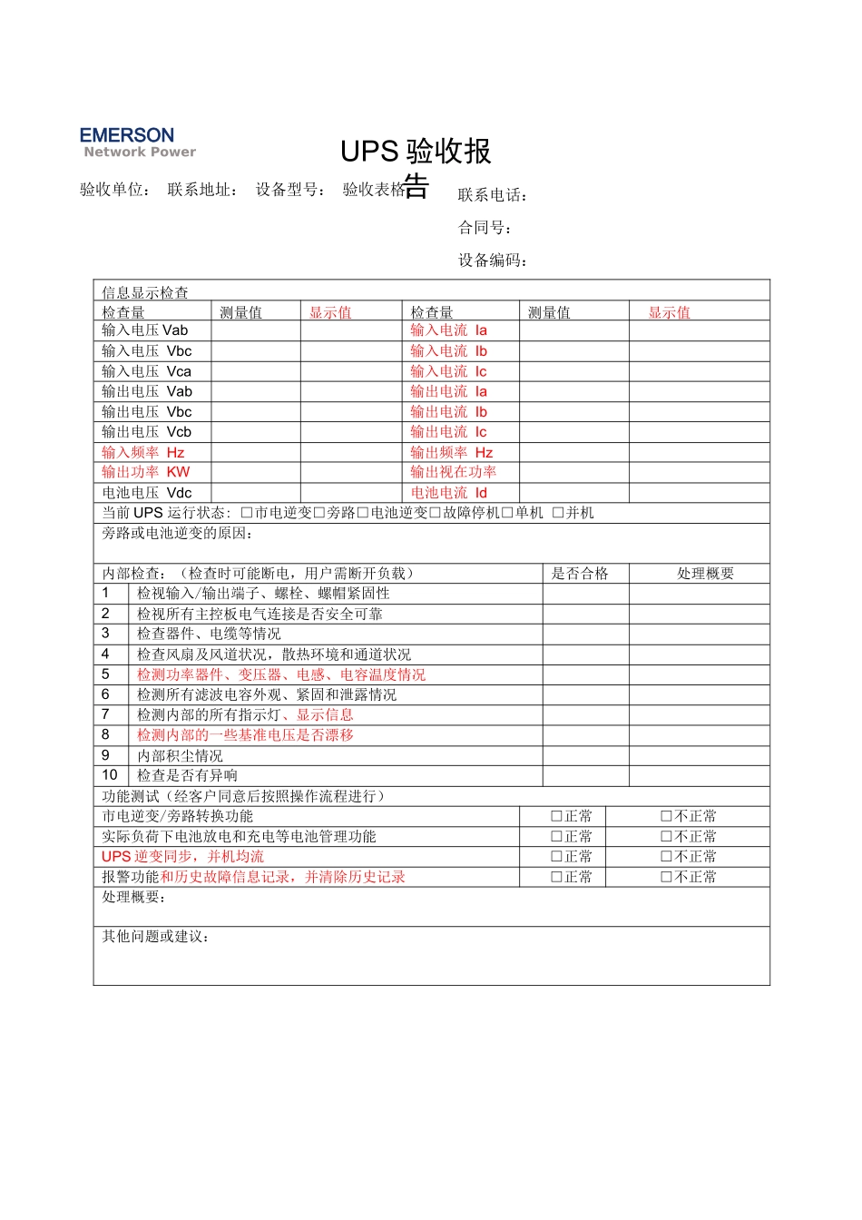
验收单位:联系地址:设备型号:验收表格:信息显示检查检查量测量值显示值检查量测量值显示值输入电压Vab输入电流Ia输入电压Vbc输入电流Ib输入电压Vca输入电流Ic输出电压Vab输出电流Ia输出电压Vbc输出电流Ib输出电压Vcb输出电流Ic输入频率Hz输出频率Hz输出功率KW输出视在功率电池电压Vdc电池电流Id当前UPS运行状态:□市电逆变□旁路□电池逆变□故障停机□单机□并机旁路或电池逆变的原因:内部检查:(检查时可能断电,用户需断开负载)是否合格处理概要1检视输入/输出端子、螺栓、螺帽紧固性2检视所有主控板电气连接是否安全可靠3检查器件、电缆等情况4检查风扇及风道状况,散热环境和通道状况5检测功率器件、变压器、电感、电容温度情况6检测所有滤波电容外观、紧固和泄露情况7检测内部的所有指示灯、显示信息8检测内部的一些基准电压是否漂移9内部积尘情况10检查是否有异响功能测试(经客户同意后按照操作流程进行)市电逆变/旁路转换功能□正常□不正常实际负荷下电池放电和充电等电池管理功能□正常□不正常UPS逆变同步,并机均流□正常□不正常报警功能和历史故障信息记录,并清除历史记录□正常□不正常处理概要:其他问题或建议:联系电话:合同号:设备编码:EMERSONNetworkPowerUPS验收报告验收内容验收结果说明供应方代表(签字)用户代表(签字)工作环境温度0~40℃□符合要求□不符合要求湿度5~95%,无凝露□符合要求□不符合要求海拔〈1500m□符合要求□不符合要求设备安装摆放□符合规范□不符合规范接线走线□符合规范□不符合规范功能测试市电上电,旁路工作□正常□不正常市电开机,旁路转逆变工作□正常□不正常市电停电,转电池逆变□正常□不正常电池逆变工作□正常□不正常市电来电,电池逆变转市电逆变□正常□不正常性能测试输出电压:□正常□不正常输出频率:□正常□不正常资料移交□资料齐全□资料不完整现场培训□完成培训□未培训年月日结论:电池检测报告□有□无验收方代表(用户签章):供应方代表(签字):年月日电池检测报告电池型号:额定容量:电池组电压V电池容量%充放电电流A∖过程放电过程充电过程计时电流A容量%电池号原电压电压电压1#2#3#4#5#6#7#8#9#10#11#12#13#14#15#16#17#18#19#20#21#22#23#24#25#26#27#28#29#30#31#32#超过32节请续页,超过一组请另起一份。

1、当您付费下载文档后,您只拥有了使用权限,并不意味着购买了版权,文档只能用于自身使用,不得用于其他商业用途(如 [转卖]进行直接盈利或[编辑后售卖]进行间接盈利)。
2、本站所有内容均由合作方或网友上传,本站不对文档的完整性、权威性及其观点立场正确性做任何保证或承诺!文档内容仅供研究参考,付费前请自行鉴别。
3、如文档内容存在违规,或者侵犯商业秘密、侵犯著作权等,请点击“违规举报”。

碎片内容

UPS 验收报告

确认删除?
VIP
微信客服
  • 扫码咨询
会员Q群
  • 会员专属群点击这里加入QQ群
客服邮箱
回到顶部