电脑桌面
添加小米粒文库到电脑桌面
安装后可以在桌面快捷访问

央企成本管控标准化文件1.3.1-集采、区采供方管理VIP免费

央企成本管控标准化文件1.3.1-集采、区采供方管理_第1页
1/1
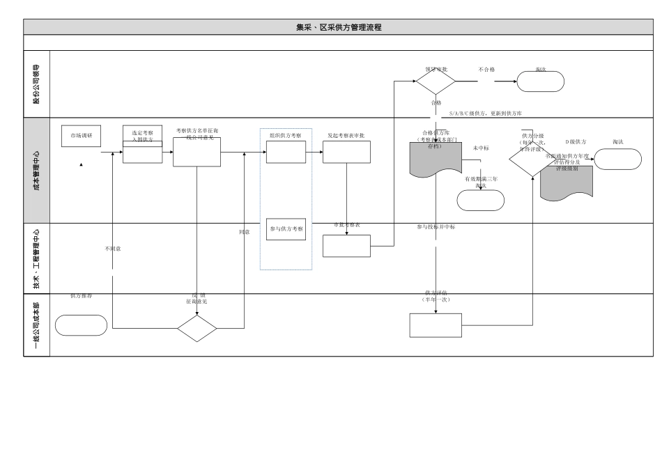
集采、区采供方管理流程领导审批不合格淘汰合格S/A/B/C级供方,更新到供方库考察供方名单征询一线公司意见组织供方考察发起考察表审批合格供方库(考察表成本部门存档)未中标供方分级(每年一次,年终评级)D级供方淘汰书面通知供方年度评估得分及评级级别有效期满三年淘汰审批考察表同意参与投标并中标不同意供方推荐反馈征询意见供方评估(半年一次)选定考察入围供方市场调研参与供方考察一线公司成本部技术、工程管理中心成本管理中心股份公司领导

1、当您付费下载文档后,您只拥有了使用权限,并不意味着购买了版权,文档只能用于自身使用,不得用于其他商业用途(如 [转卖]进行直接盈利或[编辑后售卖]进行间接盈利)。
2、本站所有内容均由合作方或网友上传,本站不对文档的完整性、权威性及其观点立场正确性做任何保证或承诺!文档内容仅供研究参考,付费前请自行鉴别。
3、如文档内容存在违规,或者侵犯商业秘密、侵犯著作权等,请点击“违规举报”。

碎片内容

央企成本管控标准化文件1.3.1-集采、区采供方管理

您可能关注的文档

确认删除?
VIP
微信客服
  • 扫码咨询
会员Q群
  • 会员专属群点击这里加入QQ群
客服邮箱
回到顶部