电脑桌面
添加小米粒文库到电脑桌面
安装后可以在桌面快捷访问

焊接厂房烟尘的危害及整体除尘处理方案

焊接厂房烟尘的危害及整体除尘处理方案_第1页
1/6
焊接厂房烟尘的危害及整体除尘处理方案_第2页
2/6
焊接厂房烟尘的危害及整体除尘处理方案_第3页
3/6
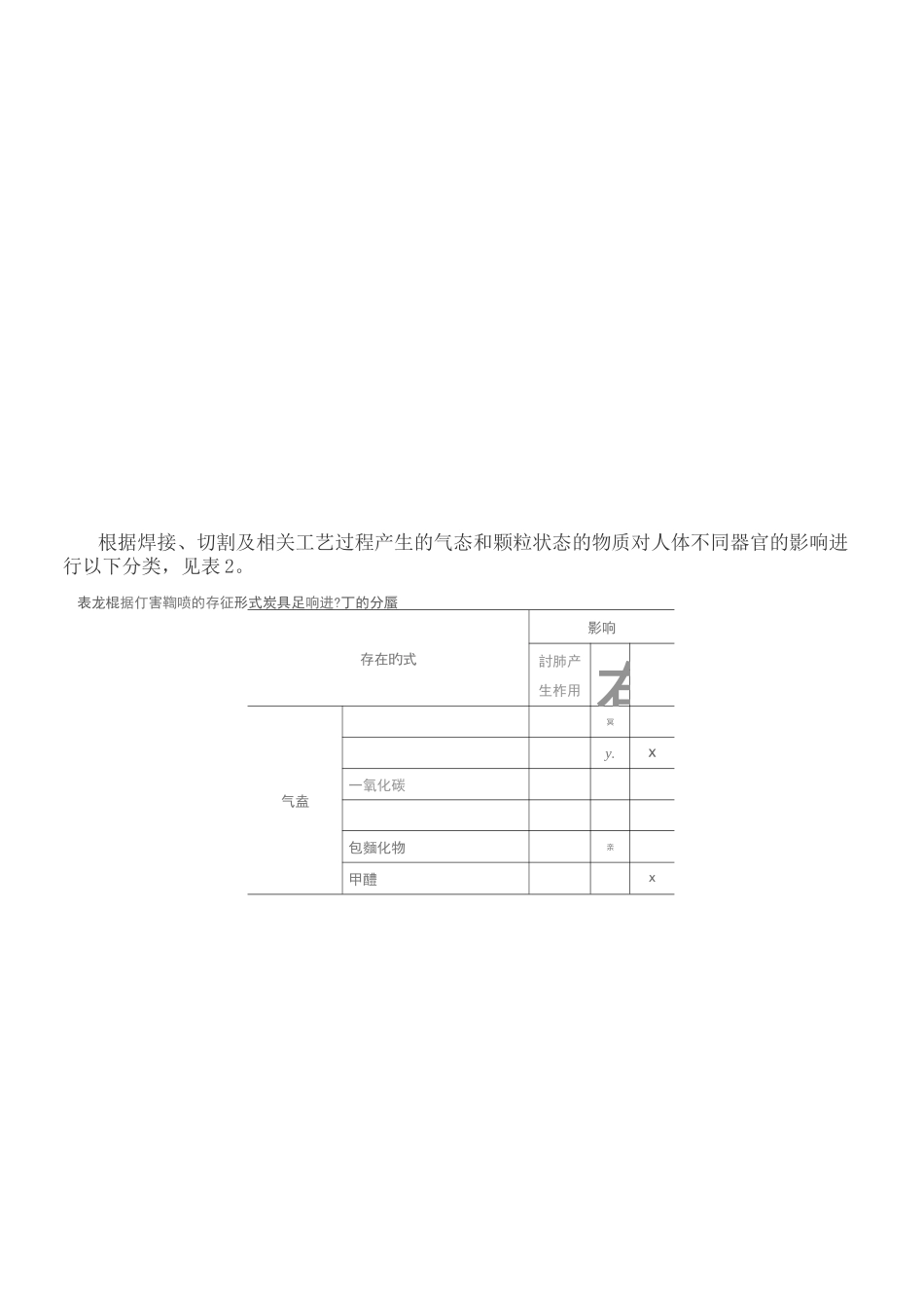
焊接厂房烟尘的危害及整体除尘处理方案焊接厂房烟尘的危害及整体除尘处理方案在焊接生产过程中,焊接材料与母材的结合过程中会产生大量焊接烟尘和气体,其中很多气体和烟尘对人体是有伤害性的,当其超过允许浓度时,就会严重影响焊工的身体健康,引发各类呼吸及尘肺疾病。因此,净化焊接工作环境问题,维护焊工身体健已引起国内外众多企业、公司的重视,并积极开展了各项工作。1.焊接烟尘构成及危害由焊接及相关工艺过程中产生的有害物质的存在形式有气态和颗粒状态两种;90%的烟尘来自焊接材料,仅有小部分来自于母材。根据不同的焊接方式,焊接粉尘来源不同,焊条电弧焊(MMA)与药芯焊丝电弧焊(FCMA)产生的烟尘大部分来自焊条药皮和药芯焊丝,小部分来自形成焊缝的熔敷金属。气体保护焊(MAG/MIG)产生的烟尘则大部分来自于熔敷金属,颗粒状态物质以微小的固体颗粒弥散在空气中。可按其尺寸大小进行区分,如图 1-所示。图 I 焊接烟尘分类大小可吸入人体的颗粒是通过嘴和鼻进入人体内的,其尺寸可达到或超过 100»m。以往对该类颗粒组分称为“烟尘总体”。可进入呼吸系统的颗粒能渗入肺泡内,其尺寸可达 10um.。以往称之为“粉尘”。由焊接产生的悬浮在空气中的颗粒非常小,一般其尺寸<1 口 m.(大多情况下<0.1um),因此是“可呼吸”的,并称之为焊接烟雾,见表 1,颗粒物形状见图 2。根据焊接、切割及相关工艺过程产生的气态和颗粒状态的物质对人体不同器官的影响进行以下分类,见表 2。表龙棍据仃害鞫喷的存征形式炭具足响进?丁的分蜃存在旳式影响討肺产生柞用 有气盍冥y.X一氧化碳包麵化物亲甲醴X存左形式主作用致癌氧化铝「氧 it 決]氧化犠XCII「吸入呼唳系统]氧化搁,輩业盛,氧化體Xh;氧化讯.划化捽X拭价钻此物,氧比铿冥氧化镉,宜化戡冥(1)对肺产生作用的物质长期吸入高浓度的烟尘导致了对肺功能的抑制。由于烟尘在肺中的沉积,使氧气的交换减少。肺中沉积的烟尘通常不是病原性的,而是可逆的。铁的氧化物、铝的氧化物属于此类物质。(2)有毒物质!当超过某一剂量时(对每一体重单位的分量),对人体产生有毒的影响。这是一种剂量与效应的关系。轻微的中毒导致轻度的健康失调,而空气中高浓度的有毒物质可以造成非常严重的中毒甚至导致死亡。气态有毒物质有一氧化碳、氧化氮、二氧化氮、臭氧以及金属氧化物,以烟尘形式存在于空气中的铜、铅、锌等。(3)致癌物质!癌症发生的可能性通常取决于几种因素,如基因的易...

1、当您付费下载文档后,您只拥有了使用权限,并不意味着购买了版权,文档只能用于自身使用,不得用于其他商业用途(如 [转卖]进行直接盈利或[编辑后售卖]进行间接盈利)。
2、本站所有内容均由合作方或网友上传,本站不对文档的完整性、权威性及其观点立场正确性做任何保证或承诺!文档内容仅供研究参考,付费前请自行鉴别。
3、如文档内容存在违规,或者侵犯商业秘密、侵犯著作权等,请点击“违规举报”。

碎片内容

焊接厂房烟尘的危害及整体除尘处理方案

您可能关注的文档

确认删除?
VIP
微信客服
  • 扫码咨询
会员Q群
  • 会员专属群点击这里加入QQ群
客服邮箱
回到顶部