电脑桌面
添加小米粒文库到电脑桌面
安装后可以在桌面快捷访问

文明施工隐患排查清单VIP免费

文明施工隐患排查清单_第1页
1/58
文明施工隐患排查清单_第2页
2/58
文明施工隐患排查清单_第3页
3/58
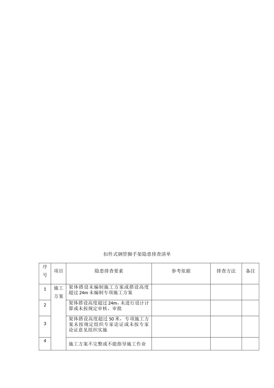
文明施工隐患排查清单序号项目隐患排查要素参考依据排查方法备注1现场防火未制定消防措施、制度或未配备灭火器材2现场临时设施的材质和选址不符合环保、消防要求3易燃材料随意码放、灭火器材布局、配置不合理或灭火器材失效4未设置消防水源(高层建筑)或不能满足消防要求5未办理动火审批手续或无动火监护人员6未制定消防措施、制度或未配备灭火器材7生活设施食堂与厕所、垃圾站、有毒有害场所距离较近8食堂未办理卫生许可证或未办理炊事人员健康证9食堂使用的燃气罐未单独设置存放间或存放间通风条件不好扣件式钢管脚手架隐患排查清单序号项目隐患排查要素参考依据排查方法备注1施工方案架体搭设未编制施工方案或搭设高度超过24m未编制专项施工方案2架体搭设高度超过24m,未进行设计计算或未按规定审核、审批3架体搭设高度超过50米,专项施工方案未按规定组织专家论证或未按专家论证意见组织实施4施工方案不完整或不能指导施工作业5立杆基础立杆基础不平、不实、不符合方案设计要求6立杆底部底座、垫板或垫板的规格不符合规范要求7未按规范要求设置纵、横向扫地杆8扫地杆的设置和固定不符合规范要求9未设置排水措施10架体与建筑结构拉结架体与建筑结构拉结不符合规范要求11连墙件距主节点距离不符合规范要求12架体底层第一步纵向水平杆处未按规定设置连墙件或未采用其他可靠措施固定13搭设高度超过24m的双排脚手架,未采用刚性连墙件与建筑结构可靠连接14架体与建筑结构拉结不符合规范要求15杆件间距与剪刀撑立杆、纵向水平杆、横向水平杆间距超过规范要求16未按规定设置纵向剪刀撑或横向斜撑17剪刀撑未沿脚手架高度连续设置或角度不符合要求18剪刀撑斜杆的接长或剪刀撑斜杆与架体杆件固定不符合要求19立杆、纵向水平杆、横向水平杆间距超过规范要求20未按规定设置纵向剪刀撑或横向斜撑21剪刀撑未沿脚手架高度连续设置或角度不符合要求22剪刀撑斜杆的接长或剪刀撑斜杆与架体杆件固定不符合要求23脚手板与防护栏杆脚手板未满铺或铺设不牢、不稳24脚手板规格或材质不符合要求25探头板26架体外侧未设置密目式安全网封闭或网间不严27作业层未在高度1.2m和0.6m处设置上、中两道防护栏杆28作业层未设置高度不小于180㎜的挡脚板29交底与验收架体搭设前未进行交底或交底未留有记录30架体分段搭设分段使用未办理分段验收31架体搭设完毕未办理验收手续32未记录量化的验收内容33横向水平杆设置未在立杆与纵向水平杆交点处设置横向水平杆34未按脚手板铺设的需要增加设置横向水平杆35横向水平杆未固定36单排脚手架横向水平杆插入墙内小于18㎝37杆件搭接纵向水平杆搭接长度小于1m或固定不符合要求38立杆除顶层顶步外采用搭接39架体防护作业层未用安全平网双层兜底,且以下每隔10m未用安全平网封闭40作业层与建筑物之间未进行封闭41脚手架材质钢管直径、壁厚、材质不符合要求42钢管弯曲、变形、锈蚀严重43扣件未进行复试或技术性能不符合标准44通道设置人员上下专用通道45通道设置不符合要求悬挑脚手架隐患排查清单序号项目隐患排查要素参考依据排查方法备注1施工未编制专项施工方案或未进行设计计方案算2专项施工方案未经审核、审批或架体搭设高度超过20m未按规定组织进行专家论证3悬挑钢梁钢梁截面高度未按设计确定或载面高度小于160mm4钢梁固定段长度小于悬挑段长度的1.25倍5钢梁外端未设置钢丝绳或钢拉杆与上一层建筑结构拉结6钢梁与建筑结构锚固措施不符合规范要求7钢梁间距未按悬挑架体立杆纵距设置8架体稳定立杆底部与钢梁连接处未设置可靠固定措施9承插式立杆接长未采取螺栓或销钉固定10未在架体外侧设置连续式剪刀撑11未按规定在架体内侧设置横向斜撑12架体未按规定与建筑结构拉结13脚手板脚手板规格、材质不符合要求14脚手板未满铺或铺设不严、不牢、不稳15探头板16荷载架体施工荷载超过设计规定17施工荷载堆放不均匀18交底与验收架体搭设前未进行交底或交底未留有记录19架体分段搭设分段使用,未办理分段验收20架体搭设完毕未保留验收资料或未记录量化的验收内容21杆件间距立杆间距超过规范要求,或立杆底部未固定在钢梁上22纵向水平杆步距超过规范要求23未在立杆与纵向水平杆交点处设...

1、当您付费下载文档后,您只拥有了使用权限,并不意味着购买了版权,文档只能用于自身使用,不得用于其他商业用途(如 [转卖]进行直接盈利或[编辑后售卖]进行间接盈利)。
2、本站所有内容均由合作方或网友上传,本站不对文档的完整性、权威性及其观点立场正确性做任何保证或承诺!文档内容仅供研究参考,付费前请自行鉴别。
3、如文档内容存在违规,或者侵犯商业秘密、侵犯著作权等,请点击“违规举报”。

碎片内容

文明施工隐患排查清单

您可能关注的文档

确认删除?
VIP
微信客服
  • 扫码咨询
会员Q群
  • 会员专属群点击这里加入QQ群
客服邮箱
回到顶部