电脑桌面
添加小米粒文库到电脑桌面
安装后可以在桌面快捷访问

水利房屋评定表

水利房屋评定表_第1页
1/8
水利房屋评定表_第2页
2/8
水利房屋评定表_第3页
3/8
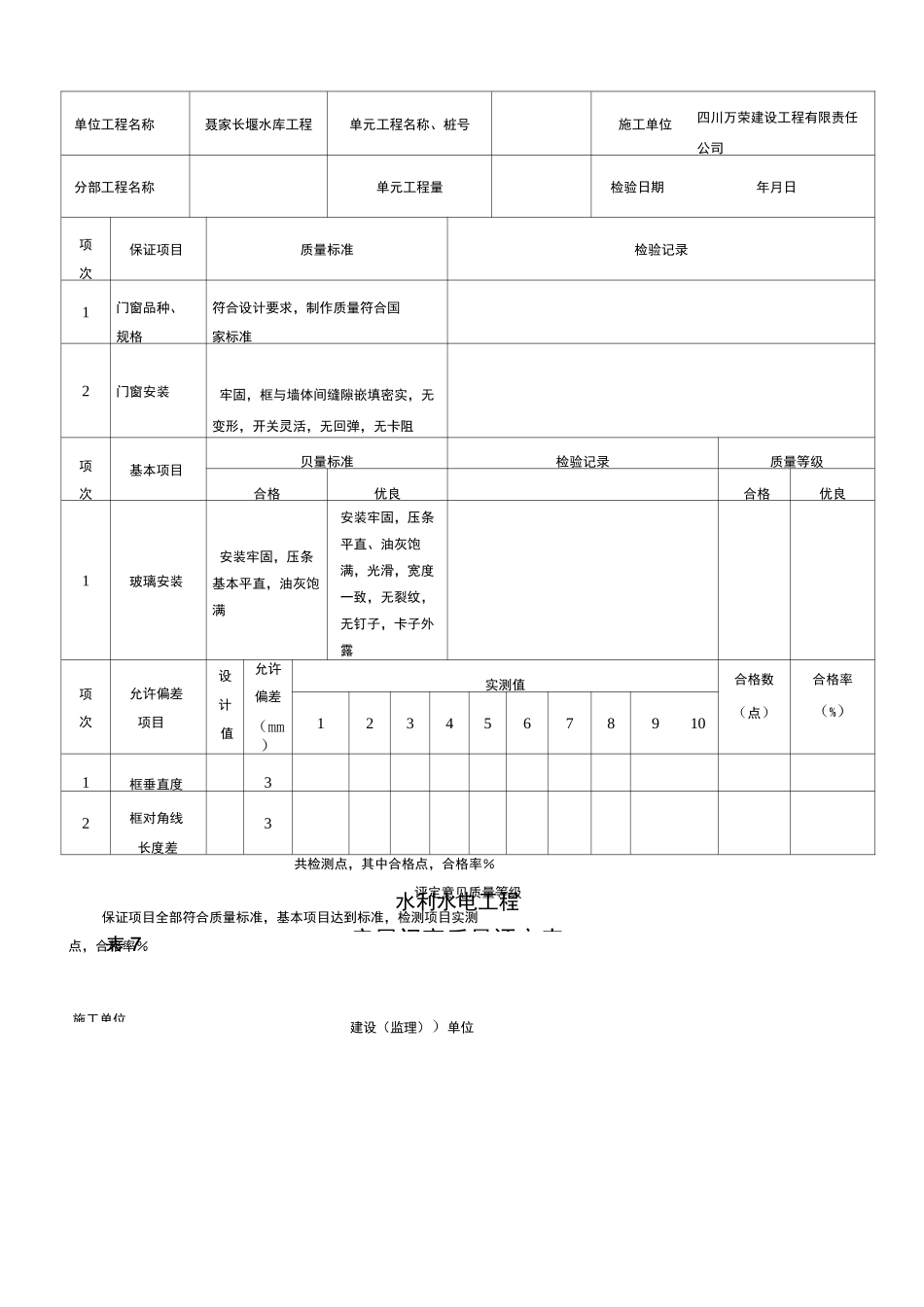
水利水电工程表 7.1 房屋地面工程质量评定表单位工程名称单元工程名称、桩号施工单位分部工程名称单元工稈量检验日期年月日项次保证项目质量标准检验记录1地面类型符合设计,所用材料符合国家标准项次基本项目质量标准检验记录质量等级合格优良合格优良1水泥或细石面层密实、平整、无脱皮、起砂、有少量裂纹密实、平整、光洁、无裂纹、脱皮,起砂2水磨石面层石粒密实,表面光滑、无裂纹石粒密实,显露均匀,表面光滑,分格清晰,无裂纹3面层与基层结合空鼓面积〈5%无空鼓现象项次允许偏差项目允许偏差(mm)实测值合格数(点)合格率(%)水泥砂浆水磨石细石栓预制板123456789101表面乎整度42522缝格平直3223踢脚线上口平直43434接缝高差///1共检测点,其中合格点,合格率%评定意见质量等级保证项目全部符合质量标准,基本项目达到标准,检测项目实测点,合格率%施工单位建设(监理)单位表 7.水利水电工程房屋门窗质量评定表施工单位单位工程名称聂家长堰水库工程单元工程名称、桩号施工单位四川万荣建设工程有限责任公司分部工程名称单元工程量检验日期年月日项次保证项目质量标准检验记录1门窗品种、规格符合设计要求,制作质量符合国家标准2门窗安装牢固,框与墙体间缝隙嵌填密实,无变形,开关灵活,无回弹,无卡阻项次基本项目贝量标准检验记录质量等级合格优良合格优良1玻璃安装安装牢固,压条基本平直,油灰饱满安装牢固,压条平直、油灰饱满,光滑,宽度一致,无裂纹,无钉子,卡子外露项次允许偏差项目设计值允许偏差(mm)实测值合格数(点)合格率(%)123456789101框垂直度32框对角线长度差3共检测点,其中合格点,合格率%评定意见质量等级保证项目全部符合质量标准,基本项目达到标准,检测项目实测点,合格率%建设(监理))单位表 7.3四川省渠道工程房屋砌砖质量评定表单位工程名称单元工程名称、桩号施工单位分部工程名称单元工程量检验日期年月日项次保证项目质量标准检验记录1砖、砂浆质量砖、砂浆标号应符合设计要求2组砌方法砌法正确,无通缝,转角处斜搓和直搓,通顺、密实3埋件、预留孔位置、尺寸符合设计项次基本项目质量标准检验记录质量等级合格优良合格优良1砌缝砂浆饱满度饱满度>80%饱满度>95%项次允许偏差项目没计值允许偏差(mm)实测值合格?(点)合格)(%)123456789101轴线位置±102基础、楼面高程±15345垂直每层5全高10m 以下10全高10m 以上206表面平整度87水平灰缝平直度108水平缝厚度±89门窗洞口宽度高度...

1、当您付费下载文档后,您只拥有了使用权限,并不意味着购买了版权,文档只能用于自身使用,不得用于其他商业用途(如 [转卖]进行直接盈利或[编辑后售卖]进行间接盈利)。
2、本站所有内容均由合作方或网友上传,本站不对文档的完整性、权威性及其观点立场正确性做任何保证或承诺!文档内容仅供研究参考,付费前请自行鉴别。
3、如文档内容存在违规,或者侵犯商业秘密、侵犯著作权等,请点击“违规举报”。

碎片内容

水利房屋评定表

确认删除?
VIP
微信客服
  • 扫码咨询
会员Q群
  • 会员专属群点击这里加入QQ群
客服邮箱
回到顶部