电脑桌面
添加小米粒文库到电脑桌面
安装后可以在桌面快捷访问

二手手机质检报告单

二手手机质检报告单_第1页
1/6
二手手机质检报告单_第2页
2/6
二手手机质检报告单_第3页
3/6
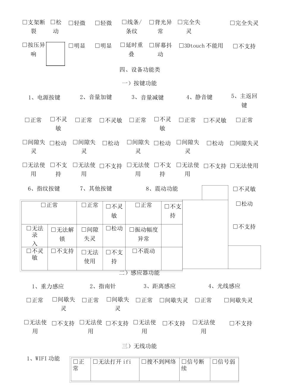
文档编制序号:[KK8UY-LL9IO69-TTO6M3-MTOL89-FTT688]客户名称联系电话设备名称规格品牌型号颜色容量IMEI/序列号附件信息□适配器□数据线□包装盒□保护套□耳机□存储卡□贴膜□发票□说明书及三包卡□防尘塞□转接头□其他□无附件网络制式移动□4G□3G□2G□不支持联通□4G□3G□2G□不支持电信□4G□3G□2G□不支持一、系统及账号锁检测系统□无越狱/无 ROOT□有越狱□有ROOT□不支持账号锁□无账号锁□有账号锁□账号锁功能无法开启□不支持□无法登陆账号一、外观类检测1、外壳2、机身3、屏幕4、卡槽磕碰划痕掉漆弯曲变形缝隙划痕碎裂□正常□不支持□无□无□无□无□无□无□无□无法插卡□轻微□轻微□轻微□轻微□轻微□轻微□轻微□无法取出□明显□明显□明显□明显□明显□明显□明显□外观变形三、屏幕显示类1、屏框架构2、异物3、色差4、显示效果5、触控功能6、触摸按键□无异常□无异常□无异常 □无异常□亮斑□正常□正常□支架变形□脱胶□细微□细微□漏液斑块□色斑□间隙失灵□部分失灵□间隙失灵□支架断裂□按压异响□松动1、电源按键□正常□间隙失灵□无法使用□轻微□明显□轻微□明显2、音量加键□线条/条纹□延时重叠□背光异常□屏幕抖动四、设备功能类一)按键功能3、音量减键□完全失灵□3Dtouch 不能用4、静音键□完全失灵□不支持5、主返回键□不灵敏□松动□不支持6、指纹按键□正常□间隙失灵□无法使用□不灵敏□松动□不支持7、其他按键□正常□间隙失灵□无法使用□不灵敏□松动□不支持□正常□间隙失灵□无法使用8、震动功能□正常□正常□不灵敏□正常□不支持□无法录入□无法解锁□间隙失灵□松动□振动幅度异常□不灵敏□不支持□无法使用□不支持□不震动二)感应器功能□不灵敏□松动□不支持□正常□间隙失灵□无法使用□不灵敏□松动□不支持1、重力感应2、指南针3、距离感应4、光线感应□正常□无法使用□间歇失灵□不支持□正常□无法使用□间歇失灵□不支持□正常□无法使用三)无线功能□间歇失灵□不支持□正常□无法使用□间歇失灵□不支持□正常□无法打开 ifi□搜不到网络□信号断续□信号弱1、WIFI 功能2、蓝牙功能□正常□无法打开蓝牙□搜不到蓝牙设备□蓝牙断续□不支持3、NFC 功能□正常□无法打开 NFC功能□不能使用□不支持4、无线充电□正常□无法使用□不支持二手手机质检报告单日期:年月日接上页四)解锁认证类1、人脸识别□正常□无法录入数据□无法解锁□不支持2、...

1、当您付费下载文档后,您只拥有了使用权限,并不意味着购买了版权,文档只能用于自身使用,不得用于其他商业用途(如 [转卖]进行直接盈利或[编辑后售卖]进行间接盈利)。
2、本站所有内容均由合作方或网友上传,本站不对文档的完整性、权威性及其观点立场正确性做任何保证或承诺!文档内容仅供研究参考,付费前请自行鉴别。
3、如文档内容存在违规,或者侵犯商业秘密、侵犯著作权等,请点击“违规举报”。

碎片内容

二手手机质检报告单

您可能关注的文档

确认删除?
VIP
微信客服
  • 扫码咨询
会员Q群
  • 会员专属群点击这里加入QQ群
客服邮箱
回到顶部