电脑桌面
添加小米粒文库到电脑桌面
安装后可以在桌面快捷访问

混凝土试块强度统计、评定记录VIP免费

混凝土试块强度统计、评定记录_第1页
1/4
混凝土试块强度统计、评定记录_第2页
2/4
混凝土试块强度统计、评定记录_第3页
3/4
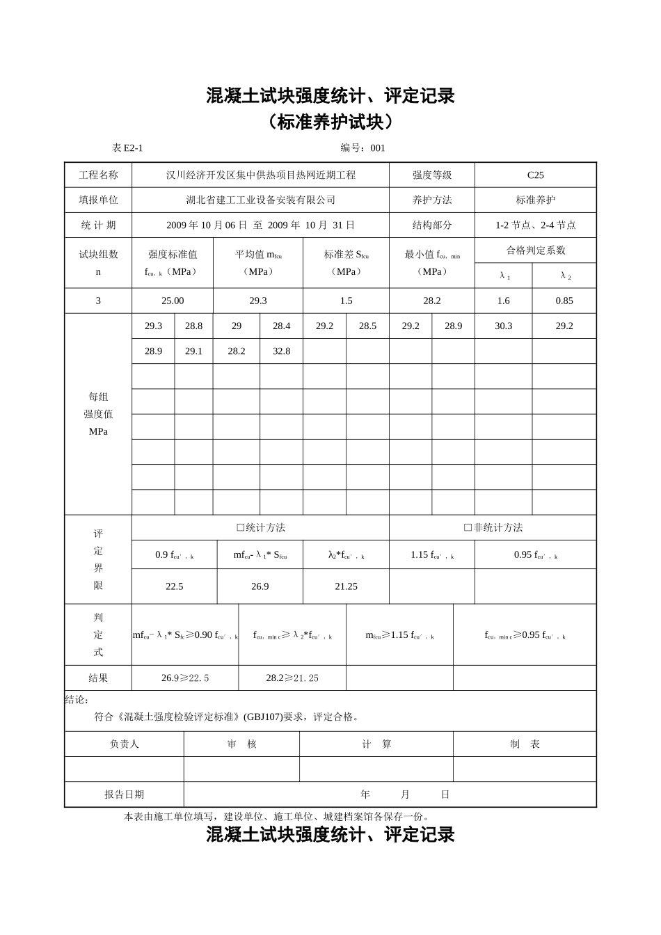
混凝土试块强度统计、评定记录(标准养护试块)表E2-1编号:001工程名称汉川经济开发区集中供热项目热网近期工程强度等级C25填报单位湖北省建工工业设备安装有限公司养护方法标准养护统计期2009年10月06日至2009年10月31日结构部分1-2节点、2-4节点试块组数n强度标准值fcu,k(MPa)平均值mfcu(MPa)标准差Sfcu(MPa)最小值fcu,min(MPa)合格判定系数λ1λ2325.0029.31.528.21.60.85每组强度值MPa29.328.82928.429.228.529.228.930.329.228.929.128.232.8评定界限□统计方法□非统计方法0.9fcu′,kmfcu-λ1*Sfcuλ2*fcu′,k1.15fcu′,k0.95fcu′,k22.526.921.25判定式mfcu-λ1*Sfc≥0.90fcu′,kfcu,minc≥λ2*fcu′,kmfcu≥1.15fcu′,kfcu,minc≥0.95fcu′,k结果26.9≥22.528.2≥21.25结论:符合《混凝土强度检验评定标准》(GBJ107)要求,评定合格。负责人审核计算制表报告日期年月日本表由施工单位填写,建设单位、施工单位、城建档案馆各保存一份。混凝土试块强度统计、评定记录(标准养护试块)表E2-1编号:002工程名称汉川经济开发区集中供热项目热网近期工程强度等级C25填报单位湖北省建工工业设备安装有限公司养护方法标准养护统计期2009年11月08日至2010年01月22日结构部分3-4节点试块组数n强度标准值fcu,k(MPa)平均值mfcu(MPa)标准差Sfcu(MPa)最小值fcu,min(MPa)合格判定系数λ1λ2325.0033.61.531.41.60.85每组强度值MPa34..234.434.132.334.534.136.633.235.032.233.233.434.031.433.132.932.0评定界限□统计方法□非统计方法0.9fcu′,kmfcu-λ1*Sfcuλ2*fcu′,k1.15fcu′,k0.95fcu′,k22.531.221.25判定式mfcu-λ1*Sfc≥0.90fcu′,kfcu,minc≥λ2*fcu′,kmfcu≥1.15fcu′,kfcu,minc≥0.95fcu′,k结果31.2≥22.531.4≥21.25结论:符合《混凝土强度检验评定标准》(GBJ107)要求,评定合格。负责人审核计算制表报告日期年月日本表由施工单位填写,建设单位、施工单位、城建档案馆各保存一份。混凝土试块强度统计、评定记录(标准养护试块)表E2-1编号:003工程名称汉川经济开发区集中供热项目热网近期工程强度等级C25填报单位湖北省建工工业设备安装有限公司养护方法标准养护统计期2009年11月09日至2010年01月04日结构部分2-8节点试块组数n强度标准值fcu,k(MPa)平均值mfcu(MPa)标准差Sfcu(MPa)最小值fcu,min(MPa)合格判定系数λ1λ2325.0029.81.528.21.60.85每组强度值MPa28.428.528.631.528.228.531.928.428.628.634.333.228.631.528.229.5评定界限□统计方法□非统计方法0.9fcu′,kmfcu-λ1*Sfcuλ2*fcu′,k1.15fcu′,k0.95fcu′,k22.527.421.25判定式mfcu-λ1*Sfc≥0.90fcu′,kfcu,minc≥λ2*fcu′,kmfcu≥1.15fcu′,kfcu,minc≥0.95fcu′,k结果27.4≥22.528.2≥21.25结论:符合《混凝土强度检验评定标准》(GBJ107)要求,评定合格。负责人审核计算制表报告日期年月日本表由施工单位填写,建设单位、施工单位、城建档案馆各保存一份。混凝土试块强度统计、评定记录(标准养护试块)表E2-1编号:004工程名称汉川经济开发区集中供热项目热网近期工程强度等级C25填报单位湖北省建工工业设备安装有限公司养护方法标准养护统计期2009年11月09日至2009年12月26日结构部分3-7节点、8-9节点试块组数n强度标准值fcu,k(MPa)平均值mfcu(MPa)标准差Sfcu(MPa)最小值fcu,min(MPa)合格判定系数λ1λ2325.0030.61.527.31.60.85每组强度值MPa28.627.332.228.429.630.731.836.835.028.627.3评定界限□统计方法□非统计方法0.9fcu′,kmfcu-λ1*Sfcuλ2*fcu′,k1.15fcu′,k0.95fcu′,k22.530.621.25判定式mfcu-λ1*Sfc≥0.90fcu′,kfcu,minc≥λ2*fcu′,kmfcu≥1.15fcu′,kfcu,minc≥0.95fcu′,k结果30.6≥22.527.3≥21.25结论:符合《混凝土强度检验评定标准》(GBJ107)要求,评定合格。负责人审核计算制表报告日期年月日本表由施工单位填写,建设单位、施工单位、城建档案馆各保存一份。

1、当您付费下载文档后,您只拥有了使用权限,并不意味着购买了版权,文档只能用于自身使用,不得用于其他商业用途(如 [转卖]进行直接盈利或[编辑后售卖]进行间接盈利)。
2、本站所有内容均由合作方或网友上传,本站不对文档的完整性、权威性及其观点立场正确性做任何保证或承诺!文档内容仅供研究参考,付费前请自行鉴别。
3、如文档内容存在违规,或者侵犯商业秘密、侵犯著作权等,请点击“违规举报”。

碎片内容

混凝土试块强度统计、评定记录

确认删除?
VIP
微信客服
  • 扫码咨询
会员Q群
  • 会员专属群点击这里加入QQ群
客服邮箱
回到顶部