电脑桌面
添加小米粒文库到电脑桌面
安装后可以在桌面快捷访问

企业公司班组(日)安全活动记录表VIP免费

企业公司班组(日)安全活动记录表_第1页
1/382
企业公司班组(日)安全活动记录表_第2页
2/382
企业公司班组(日)安全活动记录表_第3页
3/382
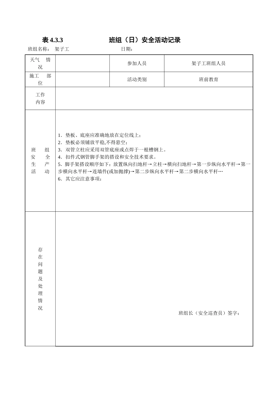
表4.3.3班组(日)安全活动记录班组名称:架子工日期:2013年4月25日天气情况晴参加人员架子工班组人员施工部位基础活动类别班前教育工作内容4#楼地下室梁模板脚手架搭设班组安全生产活动1.进入施工现场必须戴好安全帽,扣好帽扣;2.进入施工现场必须遵守安全生产各项规章制度和操作规程;3.拆除顺序应逐层由上而下进行,严禁上下同时作业。4.所有连墙件应随脚手架逐层拆除,严禁先将连墙件整层或数层拆除后再拆脚手架;分段拆除高差不应大于2步,如高差大于2步,应增设连墙件加固。5.当脚手架拆至下部最后一根长钢管的高度(约6.5m)时,应先在适当位置搭临时抛撑加固,后拆连墙件。6.当脚手架采取分段、分立面拆除时,对不拆除的脚手架两端,应先设置连墙件和横向支撑加固。7.其它应注意事项:存在问题及处理情况班组长(安全巡查员)签字:表4.3.3班组(日)安全活动记录班组名称:架子工日期:天气情况参加人员架子工班组人员施工部位活动类别班前教育工作内容班组安全生产活动1.垫板、底座应准确地放在定位线上;2.垫板必须铺放平稳,不得悬空;3.双管立柱应采用双管底座或点焊于一根槽钢上。4.扣件式钢管脚手架的搭设和安全技术要求。5.脚手架搭设顺序如下:放置纵向扫地杆→立柱→横向扫地杆→第一步纵向水平杆→第一步横向水平杆→连墙件(或加抛撑)→第二步纵向水平杆→第二步横向水平杆…6.其它应注意事项:存在问题及处理情况班组长(安全巡查员)签字:表4.3.3班组(日)安全活动记录班组名称:架子工日期:天气情况参加人员架子工班组人员施工部位活动类别班前教育工作内容班组安全生产活动1.外径48mm与51mm的钢管严禁混合使用。2.立柱上的对接扣件应交错布置,两个相距主节点的距离不应大于步距的1/3。3.开始搭设立柱时,应每隔6跨设置一根抛撑,直至连墙件安装稳定后,方可根据情况拆除。4.当搭至有连墙件的构造层时,搭设完该处的立柱、邻立柱接头不应设在同步同跨内,两相邻立柱接头在高度方向错开的距离不应小于500mm;各接头中心纵向水平杆、横向水平杆后,应立即设置连墙件。5.立柱搭接长度不应小于1m,立柱顶端高出建筑物檐口上皮高度1.5m。6.其它应注意事项:存在问题及处理情况班组长(安全巡查员)签字:表4.3.3班组(日)安全活动记录班组名称:架子工日期:天气情况参加人员架子工班组人员施工部位活动类别班前教育工作内容班组安全生产活动1.搭设纵向水平杆的注意事项:对接接头应交错布置,不应设在同步、同跨内,相邻接头水平距离不应小于5OOmm,并应避免设在纵向水平杆的跨中;搭接接头长度不应小于1m,并应等距设置3个旋转扣件固定,端部扣件盖板边缘至杆端的距离不应小于100mm;纵向水平杆的长度一般不宜小于3跨,并不小于6m。2.封闭型脚手架的同一步纵向水平杆必须四周交圈,用直角扣件与内、外角柱固定。3.其它应注意事项:存在问题及处理情况班组长(安全巡查员)签字:表4.3.3班组(日)安全活动记录班组名称:架子工日期:天气情况参加人员架子工班组人员施工部位活动类别班前教育工作内容班组安全生产活动1.双排脚手架的横向水平杆靠墙一端至墙装饰面的距离不应大于100mm。单排脚手架横向水平杆伸入墙内的长度不小于180mm。2.单排脚手架的横向水平杆不应设置在下列部位:设计上不允许留脚手眼的部位;砖过梁上与过梁成60o角的三角形范围内;宽度小于1m的窗间墙;梁或梁垫下及两侧各5OOmm的范围内。3.砖砌体的门窗洞口两侧3/4砖和转角处1.75砖的范围内;其他砌体的.门窗洞口两侧300mm转角处600mm的范围内。4.其它应注意事项:存在问题及处理情况组长(安全巡查员)签字:表4.3.3班组(日)安全活动记录班组名称:架子工日期:天气情况参加人员架子工班组人员施工部位活动类别班前教育工作内容班组安全生产活动1.连墙件应均匀布置,形式宜优先采用花排,也可以并排,连墙件宜靠近主节点设置,偏离主节点的距离不应大于300mm。2.连墙件必须从底步第一根纵向水平杆处开始设置,当脚手架操作层高出连墙件二步时,应采取临时稳定措施,直到连墙件搭设完后方可拆除。3.剪刀撑、横向支撑应随立柱、纵横向水平杆等同步搭设。6.其它应注意事项:存在问题及处理情况班...

1、当您付费下载文档后,您只拥有了使用权限,并不意味着购买了版权,文档只能用于自身使用,不得用于其他商业用途(如 [转卖]进行直接盈利或[编辑后售卖]进行间接盈利)。
2、本站所有内容均由合作方或网友上传,本站不对文档的完整性、权威性及其观点立场正确性做任何保证或承诺!文档内容仅供研究参考,付费前请自行鉴别。
3、如文档内容存在违规,或者侵犯商业秘密、侵犯著作权等,请点击“违规举报”。

碎片内容

企业公司班组(日)安全活动记录表

您可能关注的文档

确认删除?
VIP
微信客服
  • 扫码咨询
会员Q群
  • 会员专属群点击这里加入QQ群
客服邮箱
回到顶部