电脑桌面
添加小米粒文库到电脑桌面
安装后可以在桌面快捷访问

2025年机械设计课程设计斗式提升机传动用二级斜齿圆柱齿轮同轴式减速器全套图纸HVDVIP专享

2025年机械设计课程设计斗式提升机传动用二级斜齿圆柱齿轮同轴式减速器全套图纸HVD_第1页
1/8
2025年机械设计课程设计斗式提升机传动用二级斜齿圆柱齿轮同轴式减速器全套图纸HVD_第2页
2/8
2025年机械设计课程设计斗式提升机传动用二级斜齿圆柱齿轮同轴式减速器全套图纸HVD_第3页
3/8
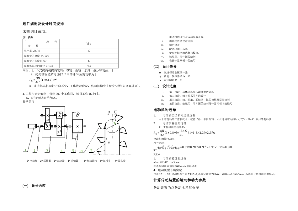
1- 电动机 2- 联轴器 3- 减速器 4- 联轴器 5- 驱动鼓轮 6- 运料斗 7- 提高带题目规定及设计时间安排未找到目录项。设计参数` 题 号 参 数-3Ⅵ生产率 Q(t/h)12提高带的速度 υ,(m/s)提高带的高度 H,(m)27提高机鼓轮的直径 D,(mm)450阐明: 1. 斗式提高机提高物料:谷物、面粉、水泥、型沙等物品。 2. 提高机驱动鼓轮(图 2.7 中的件 5)所需功率为PW=QH367 (1+0.8υ)kW3. 斗式提高机运转方向不变,工作载荷稳定,传动机构中有保安装置(安全联轴器)。4. 工作寿命为 8 年,每年 300 个工作日,每日工作 16 小时。 5.容许的速度误差为 5%。传动简图(一)设计内容i.电动机的选择与运动参数计算;ii.斜齿轮传动设计计算iii.轴的设计iv.滚动轴承的选择v.键和连轴器的选择与校核;vi.装配图、零件图的绘制vii.设计计算阐明书的编写(二)设计任务a)减速器总装配图一张b)齿轮、轴零件图各一张c)设计阐明书一份(三)设计进度i.第一阶段:总体计算和传动件参数计算ii.第二阶段:轴与轴系零件的设计iii.第三阶段:轴、轴承、联轴器、键的校核及草图绘制iv.第四阶段:装配图、零件图的绘制及计算阐明书的编写电动机的选择1.电动机类型和构造的选择由于本传动的工作状况是:载荷平稳、单向旋转。因此选用常用的封闭式 Y(IP44)系列的电动机。2.电动机容量的选择1) 工作机所需功率 PwPW=QH367 (1+0.8 v)=15×27367(1+1.8×2.3)=2.5kw电动机的输出功率Pd=Pw/ηη=η联η轴承3η齿2 η联’ η轴承=0.99×0.993×0.982×0.99×0.99=0.904PdkW1.电动机转速的选择nd=(i1’·i2’…in’)nw初选为同步转速为 1000r/min 的电动机4.电动机型号确实定由表 12-1 查出电动机型号为 Y132S-6,其额定功率为 3kW,满载转速 960r/min。基本符合题目所需的规定。计算传动装置的运动和动力参数传动装置的总传动比及其分派1.计算总传动比由电动机的满载转速 nm 和工作机积极轴转速 nw 可确定传动装置应有的总传动比为:i=nm/nwnw=60v/∏i2.合理分派各级传动比由于减速箱是同轴式布置,因此 i1=i2=√9.83=3.14。各轴转速、输入功率、输入转矩项目电动机轴高速轴 I中间轴 II低速轴 III鼓轮转速(r/min)960960功率(kW)3转矩(N·m)2271传动比111效率19传动件设计计算1.选精度等级、材料及齿数1) 材料及热处理;选择小齿轮材料为 40Cr(调质),硬度为 280HBS,大齿轮材料为 45 钢(调质),硬...

1、当您付费下载文档后,您只拥有了使用权限,并不意味着购买了版权,文档只能用于自身使用,不得用于其他商业用途(如 [转卖]进行直接盈利或[编辑后售卖]进行间接盈利)。
2、本站所有内容均由合作方或网友上传,本站不对文档的完整性、权威性及其观点立场正确性做任何保证或承诺!文档内容仅供研究参考,付费前请自行鉴别。
3、如文档内容存在违规,或者侵犯商业秘密、侵犯著作权等,请点击“违规举报”。

碎片内容

2025年机械设计课程设计斗式提升机传动用二级斜齿圆柱齿轮同轴式减速器全套图纸HVD

您可能关注的文档

确认删除?
VIP
微信客服
  • 扫码咨询
会员Q群
  • 会员专属群点击这里加入QQ群
客服邮箱
回到顶部