电脑桌面
添加小米粒文库到电脑桌面
安装后可以在桌面快捷访问

高三年级化学第一次模拟考试VIP免费

高三年级化学第一次模拟考试_第1页
1/9
高三年级化学第一次模拟考试_第2页
2/9
高三年级化学第一次模拟考试_第3页
3/9
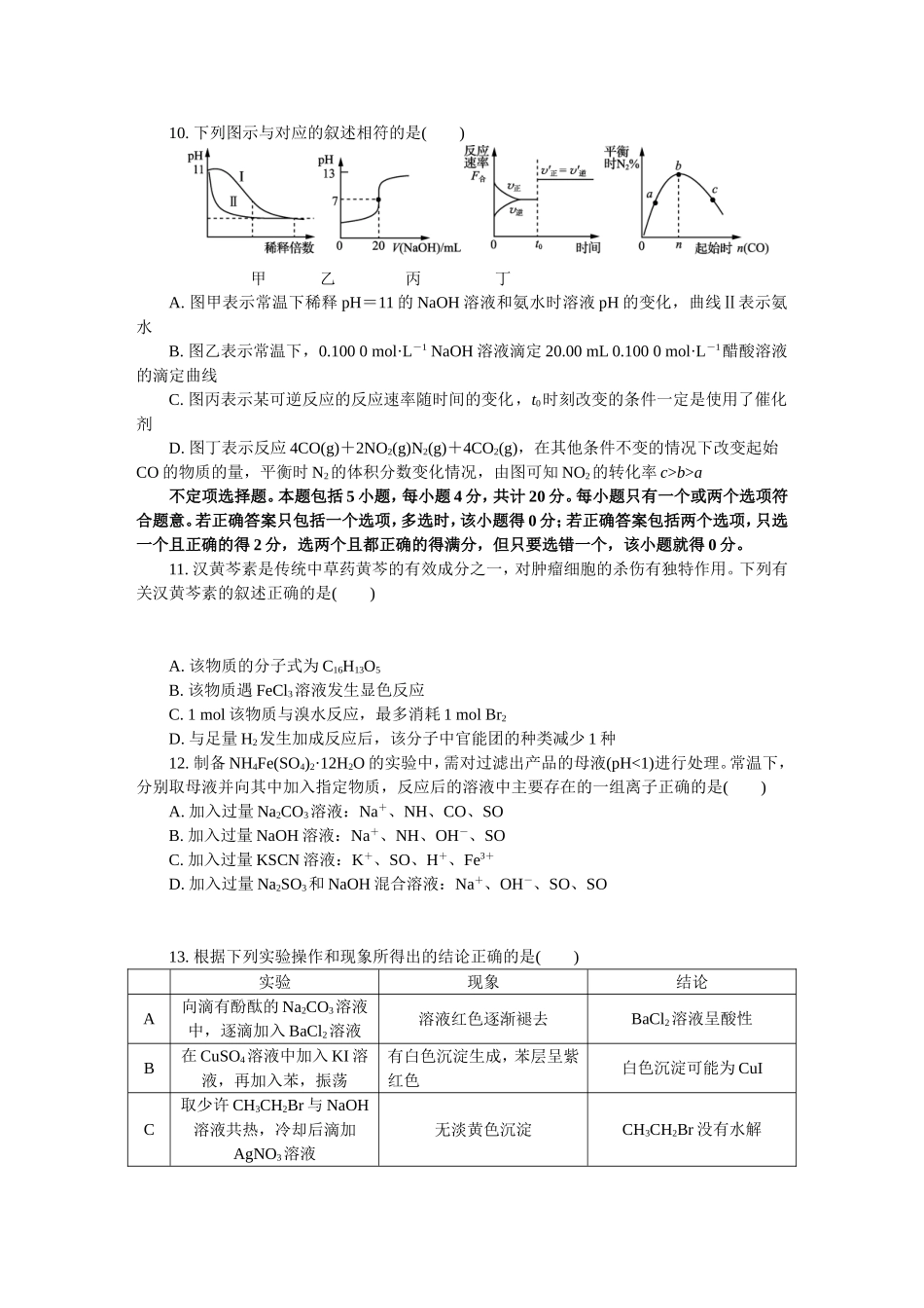
届高三年级第一次模拟考试(三)化学本试卷分选择题和非选择题两部分,共120分,考试用时100分钟。可能用到的相对原子质量:H1C12N14O16Ni58.7Ag108I127选择题(共40分)单项选择题:本题包括10小题,每小题2分,共计20分。每小题只有一个选项符合题意。1.化学与生产、生活密切相关。下列叙述不正确的是()A.雾霾、温室效应、光化学烟雾的形成都与氮的氧化物无关B.将煤汽化和液化,得到清洁的燃料和化工原料C.用浸泡过高锰酸钾溶液的硅藻土吸收水果中的乙烯,可实现水果保鲜D.光缆在信息产业中有广泛应用,制造光缆的主要材料是二氧化硅2.下列有关化学用语表示正确的是()A.氯离子的结构示意图:B.质子数为53,中子数为78的碘原子:IC.溴化铵的电子式:D.HOCH2COOH缩聚产物的结构简式:3.下列物质性质与应用对应关系正确的是()A.FeCl3溶液呈酸性,用于蚀刻铜电路板B.NaHCO3能与碱反应,可用作焙制糕点的膨松剂C.ClO2具有强氧化性,可用于自来水的杀菌消毒D.SO2具有漂白性,可用SO2水溶液吸收Br2蒸气4.短周期主族元素W、X、Y、Z的原子序数依次增大,X、Z同主族,W的简单氢化物可用作制冷剂,Y的原子半径在同周期主族元素中最大。由X、Y和Z三种元素形成的一种盐M溶于水后,加入稀盐酸,有淡黄色沉淀析出,同时有刺激性气体产生。下列说法正确的是()A.W的简单氢化物的热稳定性比X强B.Y、Z的简单离子具有相同的电子层结构C.Y与X形成的化合物中只有离子键,无共价键D.Y与Z形成化合物的水溶液可使红色石蕊试纸变蓝5.下列指定反应的离子方程式正确的是()A.过氧化钠溶于水产生O2:2O+2H2O===O2↑+4OH-B.用稀硝酸除去试管内壁的银:3Ag+4H++NO===3Ag++NO↑+2H2OC.向次氯酸钠溶液中通入足量SO2气体:ClO-+SO2+H2O===HClO+HSOD.硫酸铵稀溶液和氢氧化钡稀溶液反应:NH+SO+Ba2++OH-===BaSO4↓+NH3·H2O6.实验室用含有炭粉的铜制备硝酸铜,下列装置应用不能达到实验目的的是()甲乙丙丁A.用装置甲溶解铜粉B.用装置乙吸收尾气C.用装置丙分离炭粉和硝酸铜溶液D.用装置丁蒸干硝酸铜溶液制Cu(NO3)2·3H2O7.给定条件下,下列选项中所示的物质间转化均能一步实现的组合是()①饱和NaCl溶液――→NaHCO3――→Na2CO3②Mg(OH)2――→MgCl2(aq)――→MgCl2(s)③Al2O3――→NaAlO2――→Al(OH)3④SiO2――→SiCl4――→Si⑤FeS2――→SO3――→H2SO4⑥CuSO4(aq)――→Cu(OH)2――→Cu2OA.①③⑤B.①③⑥C.②④⑤D.③⑤⑥8.甲烷液化可获得工业原料甲醇,反应原理是:①CH4(g)+H2O(g)===CO(g)+3H2(g)ΔH1=+206.4kJ·mol-1②CO(g)+H2O(g)===CO2(g)+H2(g)ΔH2=-41.0kJ·mol-1③CO2(g)+3H2(g)===CH3OH(g)+H2O(g)ΔH3=-49.0kJ·mol-1下列说法正确的是()A.反应①中的能量变化如右图所示B.反应②使用催化剂,能降低该反应的活化能和ΔH2C.合成过程中应向原料气中添加H2D.CO(g)+2H2(g)===CH3OH(g)ΔH=-90.0kJ·mol-19.锂—铜空气燃料电池是低成本高效电池。该电池通过一种复杂的铜“腐蚀”现象产生电能,其中放电过程为2Li+Cu2O+H2O===2Cu+2Li++2OH-。下列说法不正确的是()A.放电时,Li+透过固体电解质向Cu极移动B.通空气时,铜被腐蚀,产生Cu2OC.放电时,正极的电极反应式为Cu2O+2H+===2Cu+H2OD.整个反应过程中,氧化剂为O210.下列图示与对应的叙述相符的是()甲乙丙丁A.图甲表示常温下稀释pH=11的NaOH溶液和氨水时溶液pH的变化,曲线Ⅱ表示氨水B.图乙表示常温下,0.1000mol·L-1NaOH溶液滴定20.00mL0.1000mol·L-1醋酸溶液的滴定曲线C.图丙表示某可逆反应的反应速率随时间的变化,t0时刻改变的条件一定是使用了催化剂D.图丁表示反应4CO(g)+2NO2(g)N2(g)+4CO2(g),在其他条件不变的情况下改变起始CO的物质的量,平衡时N2的体积分数变化情况,由图可知NO2的转化率c>b>a不定项选择题。本题包括5小题,每小题4分,共计20分。每小题只有一个或两个选项符合题意。若正确答案只包括一个选项,多选时,该小题得0分;若正确答案包括两个选项,只选一个且正确的得2分,选两个且都正确的得满分,但只要选错一个,该小题就得0分。11.汉黄芩素是传统中草药黄芩的有效成分之一,对肿...

1、当您付费下载文档后,您只拥有了使用权限,并不意味着购买了版权,文档只能用于自身使用,不得用于其他商业用途(如 [转卖]进行直接盈利或[编辑后售卖]进行间接盈利)。
2、本站所有内容均由合作方或网友上传,本站不对文档的完整性、权威性及其观点立场正确性做任何保证或承诺!文档内容仅供研究参考,付费前请自行鉴别。
3、如文档内容存在违规,或者侵犯商业秘密、侵犯著作权等,请点击“违规举报”。

碎片内容

高三年级化学第一次模拟考试

文章天下+ 关注
实名认证
内容提供者

各种文档应有尽有

确认删除?
VIP
微信客服
  • 扫码咨询
会员Q群
  • 会员专属群点击这里加入QQ群
客服邮箱
回到顶部