电脑桌面
添加小米粒文库到电脑桌面
安装后可以在桌面快捷访问

线路施工质量检查记录表VIP免费

线路施工质量检查记录表_第1页
1/43
线路施工质量检查记录表_第2页
2/43
线路施工质量检查记录表_第3页
3/43
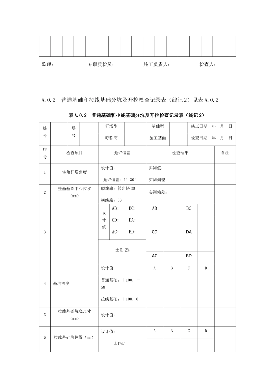
附录A线路施工质量检查记录表A.0.1路径复测记录表(线记1)见表A.0.1表A.0.1路径复测记录表(线记1)桩号塔号杆塔型式档距(m)线路转角塔位高程(m)桩位移(m)被跨越物(或地形凸起点)备注设计值实测值偏差值与临近杆塔最近水平距离桩号距离(m)监理:专职质检员:施工负责人:检查人:A.0.2普通基础和拉线基础分坑及开挖检查记录表(线记2)见表A.0.2表A.0.2普通基础和拉线基础分坑及开挖检查记录表(线记2)桩号塔号杆塔型基础型施工日期年月日呼称高施工基面检查日期年月日序号检查项目允许偏差检查结果备注1转角杆塔角度设计值:允许偏差:1′30″实测值:实测偏差:2整基基础中心位移(mm)顺线路:转角塔30横线路:30实测偏差:3设计值AB:BC:CD:DA:AC:BD:ABBCCDDA±0.2%ACBD4基坑深度设计值ABCD普通基础:+100,-50拉线基础:+100,05拉线基础坑底尺寸(mm)设计值:6拉线基础坑位置(mm)设计值:±1%LbABCD7拉线基础坑深(mm)设计值:+100,08拉线坑马道坡度及方向符合设计要求注:a不等高基础以两个半根开和两个半对角表示。bL为拉线基础坑中心至拉线挂点水平距离。监理:专职检查员:施工负责人:检查人:A.0.3岩石、掏挖基础分坑及开挖检查记录表(线记3)见表A.0.3A.0.3岩石、掏挖基础分坑及开挖检查记录表(线记3)桩号塔号杆塔型基础型施工日期年月日呼称高施工基面检查日期年月日序号检查项目允许偏差检查结果备注1转角杆塔角度设计值:允许偏差:1′30″实测值:实测偏差:2整基基础中心位移(mm)顺线路:转角塔30横线路:30实测偏差:3基坑根开及对角线尺寸a(mm)设计值AB:BC:CD:DA:AC:BD:ABBCCDDA±0.2%ACBD4基坑坑深设计值:ABCD(mm)+100,05基础坑底断面尺寸设计值:不得有负误差6基础坑口断面尺寸设计值:不得有负误差注:a不等高基础以两个半根开和两个半对角线表式。监理:专职质检员:施工负责人:检查人:A.0.4施工基面及电气开放检查记录表(线记4)见表A.0.4。A.0.4施工基面及电气开放检查记录表(线记4)施工桩号档距(m)项目距最近杆塔距离(m)测量对地距离(m)测量时温度(℃)换算至最大弧垂时对地距离(m)设计标准(允许净距)(m)备注运行塔号号~号号~号号~号号~号号~号号~号号~号号~号号~号号~号号~号号~号号~号号~号号~号号~号监理:专职质检员:施工负责人:检查人:A.0.5交叉跨越检查记录表(线记5)见表A.0.5。表A.0.5交叉跨越检查记录表(线记5)跨越桩号跨越塔号跨越档档距(m)被跨越物名称距最近杆塔塔号及距离(m)交叉角交叉点净距(m)测量时温度(℃)换算至最高温度时的净距/温度(m/℃)质量标准(允许净距)(m)测量人备注监理:专职质检员:施工负责人:检查人:A.0.6OPGW现场开盘测试记录表(线记6)见表A.0.6表A.0.6OPGW现场开盘测试记录表(线记6)生产厂家测试日期年月日测试地点测试温度(℃)OPGW盘号光纤芯数测试波长(μm)标称长度(m)测试长度(m)纤芯序号纤芯色别纤芯衰耗(dB/km)纤芯序号纤芯色别纤芯衰耗(dB/km)允许值实测值允许值实测值监理:专职质检员:施工负责人:检查人:A.0.7OPGW接头衰耗测试记录表(线记7)见表A.0.7表A.0.7OPGW接头衰耗测试记录表(线记7)接头桩号接头塔号测试日期年月日OPGW盘号测试波长(μm)测试温度(℃)生产厂家纤芯序号纤芯色别熔接衰耗(dB)纤芯序号纤芯色别熔接衰耗(dB)允许值实测值允许值实测值监理:接续施工负责人:测试负责人:测试员:A.0.8OPGW纤芯衰耗测试记录表(线记8)见表A.0.8表A.0.8OPGW纤芯衰耗测试记录表(线记8)方向至测试线路长度(km)测试波长测试时间年月日纤芯序号纤芯色别纤芯平均衰耗(dB/km)纤芯序号纤芯色别纤芯平均衰耗(dB/km)监理:接续施工负责人:测试负责人:测试员:附录B线路工程施工质量检查及评定记录表B.0.1现浇铁塔基础(含插入式)检查及评定记录表(线基1)见表B.0.1表B.0.1现浇铁塔基础(含插入式)检查及评定记录表(线基1)桩号塔号杆塔型施工基面施工日期年月日基础型检查日期年月日序号检查(检验)项目性质评定标准(允许偏差)检查结果评定1地脚螺栓、插入式角钢(钢管)与...

1、当您付费下载文档后,您只拥有了使用权限,并不意味着购买了版权,文档只能用于自身使用,不得用于其他商业用途(如 [转卖]进行直接盈利或[编辑后售卖]进行间接盈利)。
2、本站所有内容均由合作方或网友上传,本站不对文档的完整性、权威性及其观点立场正确性做任何保证或承诺!文档内容仅供研究参考,付费前请自行鉴别。
3、如文档内容存在违规,或者侵犯商业秘密、侵犯著作权等,请点击“违规举报”。

碎片内容

线路施工质量检查记录表

您可能关注的文档

确认删除?
VIP
微信客服
  • 扫码咨询
会员Q群
  • 会员专属群点击这里加入QQ群
客服邮箱
回到顶部